Содержание
Объекты
испытаний. Требования к образцам и их классификация
Объекты
экспериментальных исследований
Требования к образцам, и их
классификация
Структура испытательных
комплексов. Узлы испытательных машин
Измерение нагрузок и перемещений
Исследование деформаций и
напряжений
Методы испытания на прочность и
сопротивление усталости машин и элементов
Машины
для статических испытаний
Гидравлический пресс с маятниковым
противовесом
Машины для испытаний на растяжение
системы И. В. Кудрявцева и М. И. Чулошникова
Машины
для испытаний на усталость
Программы статических и усталостных испытаний
Техника статических и усталостных
испытаний
Испытание на растяжение-сжатие. Диаграммы испытаний
Испытание
на длительную прочность
Испытание
на малоцикловую усталость при термомеханическом нагружении
Определение твердости материала
Стенды
для испытания натурных конструкций
Тензометрические методы измерения деформаций
Методы и средства измерения деформаций
Поляризационно-оптический метод
исследования напряжений
Метод двумерной (плоской) фотоупругости
Голографическая интерферометрия
Оптико-геометрические методы
измерения деформаций и перемещений
Нанесение сеток, растров и фигур
на образцы, детали и экраны
Метод хрупких тензочувствительных покрытий
Методы неразрушающего контроля
Методы механики разрушения и
неразрушающие методы контроля
Методы обнаружения
усталостных трещин
Инженерные расчеты конструкций невозможны без сведений о материалах, из которых они изготавливаются. Все фактические сведения о конструкционных материалах, т.е. их механические характеристики, получают экспериментально. При опытном изучении образцов получают сведения об основных механических свойствах материалов к которым относятся прочность, жесткость, упругость, пластичность, твердость и др., устанавливают степень влияния на механические характеристики температуры, радиоактивного облучения, термообработки и других факторов.
Прочность - это способность конструкции сопротивляться разрушению при действии на нее внешних сил (нагрузок).
Жесткость - способность элемента конструкции сопротивляться деформации.
Упругость - это способность твердого деформируемого тела восстанавливать свою форму и объем после прекращения действия внешних нагрузок.
Пластичность - это свойство твердого деформируемого тела до разрушения необратимо изменять свою форму и объем от действия внешних сил.
Твердость – способность материала оказывать сопротивление деформированию и разрушению при местных контактных воздействиях.
Вязкость - это свойство оказывать сопротивление за счет трения происходящего при перемещении элементарных частиц тела относительно друг друга в процессе деформирования. Отметим, что при этом, как показывают результаты экспериментов, сила сопротивления, возникающая за счет внутреннего трения материалов, прямым образом зависит от величины скорости перемещения элементарных частиц относительно друг друга.
Ползучесть - это явление, характеризующее изменения во времени величин деформаций и напряжений в теле при действии статических нагрузок.
Выносливость - это явление, которое характеризуется чувствительностью и изменениями прочностных свойств материалов в зависимости от числа циклов нагружения.
В ряде случаев опытному изучению подвергаются отдельные конструкции, их узлы, целые сооружения или их модели. В этих испытаниях проверяются расчетные формулы и схемы, фактическое распределение напряжений в опасных сечениях, выявляются опасные зоны или участки, устанавливается степень надежности сооружения или конструкции.
В связи с различным использованием материалов на практике созданы разнообразные виды и методы испытаний.
Виды испытаний можно классифицировать следующим образом:
1) По характеру воздействия:
- кратковременные испытания;
- длительные испытания.
2) По виду напряженного состояния:
- испытания на растяжение, сжатие, изгиб, кручение, срез;
- испытания в условиях сложного напряженного состояния.
3) Технологические испытания:
- испытания для контроля пластичности;
- измерение твердости;
- испытание на вытяжку.
4) Испытание переменной нагрузкой:
- испытание на выносливость;
- испытание на малоцикловую усталость.
5) Испытание ударом:
- испытание на ударное растяжение;
- испытание изгибом на ударную вязкость;
- испытание поворотным ударом.
6) Натурные испытания:
- испытание на стендах;
- испытание готовых изделий.
Как правило, при механических испытаниях металлов все наблюдения и расчеты напряженного состояния производят в макроскопических объемах. В виде исключения прибегают иногда к наблюдениям в микроскопических объемах (наблюдение за отдельными кристаллами). При всех видах механических испытаний образцы металлов по возможности подвергаются тем же внешним воздействиям, что и на практике. Получаемые при этом механические характеристики свойств материала условны, т.к. они зависят от условий испытаний, поэтому методы испытаний унифицируются в рамках ГОСТов, рекомендаций, правил и международных рекомендаций с целью получения сопоставимых данных. Численные значения механических характеристик сводятся в справочные таблицы.
Машины, используемые для проведения испытаний материалов, должны обеспечивать необходимые постоянные скорости нагружения (или деформирования) образцов. Их оснащают аппаратурой для снятия показаний результатов опытов, а в необходимых случаях – приспособлениями для записи диаграммы испытаний. В лабораторных исследованиях используют специальные машины, способные деформировать и разрушать образцы при статических и динамических нагрузках с применением стандартных образцов на растяжение, сжатие, сдвиг, сдвиг, удар и др.
Разработка и серийное производство испытательных машин налажены во многих развитых капиталистических странах: США, Англии, ФРГ, Японии, Италии, Швеции. К настоящему времени насчитываются десятки зарубежных фирм, специализирующихся на выпуске испытательной техники. В США около 40 фирм занимаются разработкой и выпуском такого рода техники, из них 13 выпускают гидравлические испытательные машины: MTS, Olsen, Balduin, Baad и т.д. В Англии из 22 фирм около 6 выпускают гидравлические установки: Instron, Avery, Denison и др., в ФРГ – Shenck, Losenhausen, Mohr-Federhaff, Frebell, Seidner.
В нашей стране имеется один научный центр по испытательной технике - НИКИМП (Научно-исследовательский и конструкторский институт испытательных машин, приборов и средств измерения масс, г.Москва) и два объединения, специализирующиеся на выпуске испытательных машин, - ГФП «ЗИМ» (г.Армавир) и ГФП «ЗИП» (г.Иваново).
В общей методологии проектирования современных машин двумя важнейшими направлениями являются обеспечение функционирования механических систем и обеспечение прочности и заданного ресурса силовых конструкций и механизмов. Часть инженерных задач имеет достоверность оценок и рекомендации с точностью до 15%, но другие задачи решаются на уровне достаточно грубых оценок и прогнозирования. В последнем случае, когда действуют законы статистики и случайные факторы, расчетчики используют введение нормированных высоких коэффициентов запаса.
Машиноведение и прикладная механика содержат дисциплины, определяющие методологию проектирования и разработку отдельных фундаментальных и частных проблем машиностроения.
Машина создается на базе данных нескольких научно-технических направлений по системам, но ее связующую конструктивную основу составляют силовые конструкции и механизмы. Они определяют значительную долю материалоемкости и массы машины, что, в свою очередь, ставит как первостепенными, задачи обеспечения прочности и ресурса конструкции при ее минимальной массе.
Современное проектирование предусматривает независимо от класса машин несколько стадий в создании и эксплуатации техники.
Экспериментальная механика машин объединяет и обобщает ту область знаний в прикладной механике (механике твердого тела), в теории машин и механизмов и других разделах общего машиноведения, которая изучает экспериментальные методы и средства, применяемые для исследования объектов силовой конструкции машин и механизмов с целью обоснования прочности и ресурса, а также обеспечения функционирования механических систем.
Схема силового проектирования машин и механизмов, этапы расчетного анализа, формулировки критериев функционирования, ресурса прочности, содержание экспериментального обеспечения и обоснования расчетных и проектных работ и самих критериев для заключения о прочности, ресурсе и функционировании машины показаны на рисунке 1.

Рис. 1. Схема решения основных задач экспериментальной механики машин
Исходным этапом для проектирования силовых конструкций и механизмов является получение следующих данных: 1) о функциональном назначении, режимах, технико-экономических параметрах машины, рассматриваемых при составлении технического задания (ТЗ); 2) о внешних нагрузках и условиях эксплуатации, позволяющих сформулировать расчетные условия для проектирования; 3) о конструктивных схемах, расчетных статических, кинематических и динамических моделях конструкций и механизмов, их математическое описание; 4) о предположительном комплексе расчетных критериев прочности, ресурса и функционирования, относящихся к рассматриваемому классу машин и условиям эксплуатации; 5) о возможном наборе конструкционных материалов, полуфабрикатов, технологий деталей и типах соединений.
Перечисленные сведения и данные получают на стадии прогнозирования и в начале разработки проекта на этапах технического задания, технического предложения и аванпроекта (эскизного проекта) и затем уточняют на всех последующих этапах создания и эксплуатации машины.
В создании современных машин важнейшими, длительными и трудоемкими стадиями разработки являются первые этапы, включающие этап рабочего (технического) проектирования.
На этапе технического проектирования и постройки опытных экземпляров машины изменяется содержание экспериментальных исследований. Завершается опережающая разработка принципиально новых узлов, соединений, деталей, проводятся сравнительные испытания их с целью получения ожидаемых лучших характеристик по прочности, долговечности, изнашиванию и т.д. и сопоставление с данными известных технических решений. Испытания натурных и полунатурных элементов конструкции, узлов и агрегатов планируют и выполняют, как правило, в период, когда опытная машина комплектуется системами и оборудованием.
Подготовка серийного производства связана с доработками конструкции, принятыми в результате стендовых и натурных испытаний, и введением изменений в серийную документацию. Первые серийные машины, предназначенные для ведомственных или государственных испытаний и последующей эксплуатации, отличаются от первого опытного экземпляра, поэтому требуются испытания серийных натурных агрегатов и узлов.
На этапе эксплуатации парка машин проводят расчетные и экспериментальные работы по анализу дефектов и отказов с принятием обоснованных решений; по сравнению программного эквивалента и действительного расходования ресурса; темпов эксплуатационного изнашивания, появления предельных люфтов, потери кинематической точности механизмов; по возможному продлению ресурса изделия, проведению регламентных работ, осмотров, дефектации; а также исследование возможной модернизации машины или проектов создания модификаций.
Объекты, исследуемые для решения задач прочности и ресурса (табл. 1), образуют условный хронологический ряд по этапам создания машины. На основе принятых для машины и ее агрегатов расчетных условий и критериев прочности и ресурса определяют минимальные объемы испытания стандартных образцов материалов и полуфабрикатов (Ост, Оп) для уточнения базовых характеристик и зависимостей в условиях, близких к реальным ожидаемым условиям эксплуатации узла.
Экспериментальные исследования образцов-соединений (Ос), как стандартных, так и специальных, дают базовые характеристики и сравнительные данные о новых видах и технологиях соединений. Эти данные анализируют совместно с данными о жесткости, прочности, усталости и о массовых характеристиках известных соединений.
В разработке
соединений, отдельных деталей, узлов, агрегатов и силовых конструкций в целом
используют физические модели (Мс, Ма, Мк) и
макеты.
Таблица 1
|
Наименование
объектов экспериментальных исследований |
Обозначение |
Решаемые задачи |
|
Стандартные образцы |
Ост |
Механические, упругие, жесткостные, усталостные, коррозионные характеристики, ползучесть и др. |
|
Образцы полуфабрикатов |
Оп |
Характеристики изгиба, сдвига, смятия, отрыва, потери устойчивости, теплопрочности полуфабрикатов |
|
Образцы соединений |
Ос |
Характеристики прочности, усталости, ползучести болтовых, заклепочных, сварных, клеевых, композиционных и других соединений |
|
Модели соединений |
Мс |
Исследование на упруго- или конструктивно подобных моделях силовых потоков, НДС, перемещений, проверка приближенных теоретических расчетов, оптимизация конструкций на основе параметрических исследований |
|
Модели агрегатов и узлов |
Ма |
|
|
Модели силовой |
Мк |
|
|
Полунатурные элементы конструкции: панели, стыки, детали, рамы, опоры, и др. |
Нд |
Исследование несущей способности, силовых потоков, НДС, перемещений, остаточных деформаций и напряжений, теплопрочности, выносливости, остаточной прочности и долговечности, динамики, ударных воздействий, вибро- и акустической прочности, коррозии и других воздействий на конструкции |
|
Натурные агрегаты и узлы |
На |
|
|
Натурная силовая |
Нк |
|
|
Натурная машина |
Н |
Исследование спектра нагрузок, реальных напряжений, долговечности, вибраций, коррозии, старения и других параметров в эксплуатации |
НДС – напряженно-деформированное состояние
В зависимости от объема исходных данных и целей, которые преследуют при создании моделей, рассчитывают, проектируют и изготовляют упругоподобные, конструктивно подобные и динамически подобные модели. Большинство их создают на этапе эскизного и рабочего проектирования, когда становятся более конкретными силовые связи, жесткости, массовые характеристики и формы деталей.
Количественные оценки для обоснования реальной долговечности и прочности конструкции получают испытаниями полунатурных и натурных деталей, узлов, агрегатов (Нд, На) по программам, максимально приближенным к эксплуатационным условиям, и по нагрузкам программного эквивалента. В некоторых случаях применяют ускоренные испытания, форсируя основные режимы работы конструкций: повышая частоту, уровень нагрузок и непрерывно проводя испытания.
Исследования натурной силовой конструкции Нк на прочность и долговечность (ресурс) выполняют на основании действующих нормативно-технических документов.
Большие и трудоемкие исследования проводят на различных этапах создания машины для выявления работоспособности конструкции и материалов в местах силового контакта и трущихся поверхностей. Подшипниковые узлы, трансмиссии и передачи, робототехнические системы, энергоблоки и т.д. испытывают при стендовой и эксплуатационной наработке с измерением многих параметров. Условная классификация (табл. 2) показывает объекты исследований механических систем на функционирование, основные задачи и требуемые технические средства испытаний.
Таблица 2
|
Объекты экспериментальных исследований (группы) |
Обозначение |
Примеры типовых
образцов, узлов, |
Примеры исследований объектов механических систем |
Оборудование для |
|
Образцы пар трения: антифрикционные, фрикционные, для анализа смазок |
Опт |
Образцы пальчиковые, пластинчатые, дисковые (торцовые), кольцевые (торцовые), типа вал-вкладыш или вал-втулка, вал-призма, вал-палец, ролик по роликам, шарик по шарикам |
Определение коэфф. трения пар, моментов и сил трения, износостойкости материалов, условий изнашивания и заедания, фрикционной теплостойкости и изнашивания, сравнивание свойств смазочных материалов |
Машины трения и специальные стенды (установки) |
|
Модели |
Мтб |
Масштабные физические макро- и микромодели подвижных силовых узлов и соединений |
Изучение изнашивания и параметров трения на моделях и пересчет данных на натурный объект согласно теории подобия и размерности |
Установки и стенды, машины трения |
|
Модели кинематические динамические |
Ммк Ммд |
Масштабные кинематические модели сложных пространственных механизмов. Структурные динамические модели |
Изучение перемещений, скоростей и ускорений элементов механизма. Качественные оценки перегрузки, форм, частот, амплитуд и ускорений, устойчивости. |
Установки и стенды, машины трения |
|
Модели и макеты машин и робототехники |
Ммм |
Масштабные, аэродинамические, гидродинамические, воздушные-летающие, погружаемые, функциональнодействующие, увязочные и т.д. |
Изучение функциональных характеристик объектов на моделях. Геометрическая увязка и оптимальное месторасположение узлов, агрегатов, элементов управления на макетах |
Аэродинамические трубы, среды |
|
Натурные узлы подвижных |
Нус |
Подшипники, муфты, сцепления, тормоза, валы и уплотнения, направляющие станков, технологических и управляющих устройств, карданы и т.д. |
Кинематическая точность и плавность хода, допустимые частоты вращения, биение, деформирующая и компенсационная способность (муфт), предельный износ, контактное схватывание, температурная выборка зазоров, шумность, КПД |
Специальные стенды и приспособления |
|
Натурные и полунатурные элементы передач и трансмиссий |
Нэп |
Зубчатые, червячные, планетарные, волновые передачи; цепные, ременные, винтовые (винт-гайка), шариковые передачи; карданные трансмиссии, редукторы, гидромеханические передачи и элементы. |
Износостойкость при предельных и эксплуатационных контактных нагрузках, кинематическая точность и плавность при допустимых люфтах; жесткость и собственные частоты, допустимые скорости шум, КПД, температурные режимы и надежность герметизации уплотнений и сальников |
Специальные стенды и машины, приспособления и приборы |
|
Натурные |
Нп |
|||
|
Натурные автоматические транспортирующие и робототехнические системы |
Нар |
Автоматические линии, транспортеры, технологические роботы и гидроусилители, системы силового управления, шасси, демпферы |
Точность технологических и транспортирующих операций, оценка допустимого износа, надежность дублирования, жесткость, параметры деформирования, влияние вибраций и динамики |
Полунатурные стенды и агрегаты |
|
Натурные энергоагрегаты и энергомашины |
Нэм |
Атомные реакторы, парогенераторы, турбины, пневмокомпрессоры, ДВС, РД, ТРД, системы мотор-генератор и т.д. |
Стендовые и натурные испытания и исследования по специальной программе |
Стенды и комплексы |
|
Натурная машина, |
Нк Нн |
Автомобили, тракторы, сельскохозяйственные, дорожные, горнодобывающие машины, станки, прессы, прокатные станы, надводные и подводные суда, летательные и космические аппараты, буровые установки, атомные электростанции и т.д. |
Натурные, эксплуатационные и пусковые испытания по специальной программе |
Испытательные комплексы, полигоны |
Объекты исследования при механических испытаниях – образцы, модели, элементы конструкций и конструкции в натуральную величину. Наиболее широко используются образцы. Образцом называется тело специальной формы, подвергающееся испытанию для оценки механических свойств материала. В настоящее время испытывают разнообразные образцы, которые отличаются друг от друга формой, размерами, назначением. Некоторые типы образцов регламентируются нормативами. К ним относятся образцы для испытаний на одноосное растяжение и сжатие, на кручение и изгиб, образцы для усталостных испытаний и др. Многие типы образцов, особенно используемые в научно-исследовательской работе, не регламентируются нормативными документами, например образцы для испытаний в сложном напряженном состоянии.
Для получения сопоставимых и воспроизводимых результатов механических испытаний образцы должны отвечать соответствующим требованиям. Заготовки образцов должны быть отобраны из прутков, листов или отливок одной и той же плавки или партии. Прежде всего изучается химический состав металла или сплава, т. е. устанавливается количественное содержание химических элементов в исследуемом материале. Механические свойства металлов и сплавов очень сильно зависят от их структурного состояния. Металлы и сплавы представляют собой поликристаллические вещества, поэтому необходимо провести микроструктурный анализ. Структурное состояние металлов зависит от режима термообработки, технологии литья или прокатки. Без знания химического состава и структурных характеристик металла невозможно достаточно надежно оценить его механические свойства. Всякий образец содержит рабочую часть, в которой реализуются однородные напряженное и деформированное состояния. Необходимость реализации однородного напряженно-деформированного состояния в рабочей части образца увязана с тем, что не существует метода прямой оценки напряжений в точках деформированного тела. Существующие методы исследования напряженно-деформированного состояния тел позволяют измерять деформацию на внешней поверхности исследуемого тела. Величину напряжений в точках тела оценивают по внешним силам, но это возможно только при соблюдении определенных условий.
Условия проведения эксперимента реализуются путем выбора формы образца, приложением к нему таких внешних сил, при которых с достаточной степенью достоверности можно считать, что напряженное и деформированное состояния во всех точках исследуемого образца одинаковы, т. е. в нем создано однородное напряженно-деформированное состояние. Обеспечив такие условия эксперимента, по измерениям взаимных перемещений точек на поверхности образца можно судить о деформациях во внутренних точках. По измеренным внешним силам можно рассчитать напряжения во внутренних точках исследуемого образца, приняв гипотезы однородности, сплошности и изотропности. На рабочей части образца выделяется расчетный участок, который используется для измерения соответствующих параметров (удлинений, укорочений, углов закручивания и поворота, изменений поперечных размеров и др.).
Чаще всего образец представляет собой стержень круглого, кольцевого или прямоугольного поперечного сечения. Форма рабочей части образца зависит от вида заготовки. Если в качестве заготовки используется пруток, отливка или лист большой толщины, то рабочая часть образца имеет цилиндрическую форму; если заготовка – относительно тонкий лист, то рабочая часть образца имеет призматическую форму. Процесс получения заготовки образца регламентируется нормативными документами. Предпочтительным является образец цилиндрической формы.
Образец получают механической обработкой (точением, фрезерованием, шлифованием, полированием). При этом нужно исключить изменение механических свойств материала образца относительно механических свойств исходных заготовок. В некоторых случаях в качестве образцов используются полуфабрикаты (проволока, лента, нити, канаты, арматура и т. п.).
К геометрической форме образца предъявляются требования, которые регламентируются нормативными документами и инструкциями. Совершенство геометрической формы образца позволяет правильно оценить результаты испытаний и воспроизвести их в последующих опытах. Недопустимы изменения поперечных размеров рабочей части образца, искривление его оси и другие геометрические несовершенства формы, приводящие к неоднородности напряженно-деформированного состояния выше предельных значений, предусмотренных инструкциями.
Значительное влияние на результаты механических испытаний образцов оказывает состояние поверхности рабочей части образца. Наличие царапин, вмятин, острых надрезов, раковин может привести к местному изменению напряженно-деформированного состояния, что, в свою очередь, приведет к преждевременному разрушению материала и исказит результаты опыта.
Шероховатость внешней поверхности рабочей части образца для статических испытаний должна соответствовать шероховатости, получаемой тонким точением или шлифованием. У образцов, предназначенных для усталостных испытаний, шероховатость поверхности должна быть ниже и достигаться тонким шлифованием и полированием.
Образец для механических испытаний должен быть однородным по химическому составу и микроструктуре. На рабочей части образца не должно быть раковин, волосовин, трещин, инородных включений и других дефектов структуры, влияющих на распределение внутренних сил, т. е. приводящих к неоднородности напряженно-деформированного состояния. Структурное состояние образца желательно оценивать методами неразрушающего контроля. Образцы, содержащие заметные дефекты структуры, должны быть отбракованы.
На структурное состояние металлов и их сплавов важнейшее влияние оказывает термообработка, поэтому она должна строго соответствовать заданной. На структурное состояние, по крайней мере, поверхностных слоев образца значительное влияние оказывают режимы механической обработки (скорость и глубина резания, охлаждение), приводящие к поверхностному наклепу. Поверхностный наклеп особенно нежелателен для образцов малых размеров (микрообразцы, тонкостенные). Некоторые виды термообработки, например закалка, приводят к неоднородности структуры образца, особенно при большом его сечении, так как глубина термообработанного слоя может быть невелика.
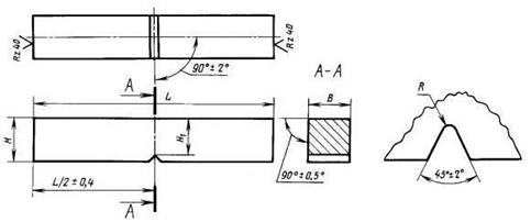
Геометрические формы образцов из металлов и сплавов, предназначенных для исследования упругопластических и прочностных свойств, весьма многообразны, но наиболее широко используются образцы в виде стержня с утолщениями на его концах (рис. 2). Эти утолщения называются головками. Форма головки зависит от конструкции захватов испытательной машины, соответствующих виду нагрузок на образец (рис. 3).
Рис. 2. Цилиндрический образец для
испытаний на растяжение:
1 – головка; 2 – рабочая часть

Рис. 3. Типы головок цилиндрических образцов для испытаний на растяжение
Для плоских образцов конструкции головок более однообразны по форме (рис. 4). Переход от рабочей части к головкам делается плавным, без резкого изменения формы, чтобы уменьшить концентрацию напряжений и тем самым обеспечить в рабочей части образца однородное и одноосное напряженное состояние.
![]()
Рис. 4. Головки плоских образцов для испытаний на растяжение
Длина рабочей части в 5–10 раз превышает ее наибольший поперечный размер. Переходный участок выполняется в виде торообразной или конической поверхности. Способ закрепления образцов не должен допускать их проскальзывания относительно захватов, смятия опорных поверхностей головок, а также разрушения образцов на переходных участках и в головках. Технология изготовления образцов должна обеспечивать строгую соосность головок и рабочей части, перпендикулярность опорных плоскостей головок к оси образца. Благодаря высокой точности изготовления образца осуществляется качественное центрирование его в захватах современных испытательных машин и предотвращается внецентренное растяжение.
При испытании на растяжение образцов, находящихся в хрупком состоянии, принимаются все меры к снижению концентрации напряжений и к высокоточному осевому нагружению образца. Образец из хрупкого материала показан на рисунке 5.
Образцы для испытаний на одноосное сжатие, как правило, не имеют головок и представляют собой короткие цилиндры или призмы в зависимости от вида заготовки. Отношение длины рабочей части образца к его наибольшему поперечному размеру для предотвращения изгиба не должно превышать трех (рис. 6). Торцы образца необходимо изготовить параллельными друг другу и перпендикулярными оси образца.
Рис. 5. Образец из хрупкого материала для испытаний на растяжение

Рис. 6. Образец для испытаний на сжатие
Образцы для испытаний на кручение имеют примерно такую же форму, как и образцы для испытаний на растяжение. Применяются как сплошные (рис. 7, а), так и полые образцы, поперечное сечение которых – тонкостенное кольцо (рис. 7, б). Переходный участок выполняется в виде горообразной поверхности. Конструкция головок должна обеспечить передачу крутящего момента к рабочей части образца. Головки имеют две или четыре грани для передачи крутящего момента от захватов испытательной машины к образцу. На рабочей части выделяется расчетный участок, в пределах которого устанавливаются угломерные устройства, позволяющие определять угол закручивания.

Рис. 7. Образцы для испытаний на кручение: а) сплошной; б) трубчатый
Образцы для испытаний при сложном напряженном состоянии представляют собой тонкостенные цилиндрические трубы с головками, конструкция которых зависит от видов тех нагрузок, которые должны быть переданы рабочей части (осевая сила, крутящий момент, внутреннее или внешнее давление либо их сочетание). При проведении испытаний в камерах высокого давления применяются сплошные цилиндрические образцы. Размеры и форма образцов для этого вида испытаний не регламентируются.
Некоторые виды механических испытаний образцов металлов и сплавов регламентируются нормативами. К ним относятся испытания на растяжение при комнатной, пониженной и повышенной температурах, на сжатие и на кручение. В процессе этих испытаний определяются механические характеристики металлов и сплавов. Под механической характеристикой понимается величина, характеризующая упругие, прочностные или деформационные свойства металлов и сплавов.
Механические характеристики носят условный характер, так как зависят от метода испытаний и способа обработки экспериментальных данных. Поэтому оценку механических характеристик проводят строго регламентированными методами, что необходимо для обеспечения сопоставимости их значений. Механические характеристики металлов и сплавов определяются в условиях однородного напряженно-деформированного состояния и используются в расчетах на прочность и жесткость элементов конструкций и сооружений.
К механическим характеристикам относится модуль упругости, коэффициент Пуассона, модуль сдвига, пределы пропорциональности, упругости, текучести и прочности, относительные остаточные удлинения и сужения после разрыва.
Деформации (и перемещения) являются линейными аналогами многих механических величин. При определенных условиях, например при правильно спроектированных упругих элементах они становятся почти идеальными носителями информации в преобразователях и градуируются в размерности сил, моментов, ускорений, напряжений, давлении, масштабных перемещений и даже в размерности параметров усталости (в счетчиках ресурса).
Большинство средств измерения спектров нагрузок, условий эксплуатации, параметров вибрации, макро- и микроперемещений в элементах машин построено на преобразовании деформации в электрический сигнал, который трансформируют специальной аппаратурой и записывают аналоговыми или цифровыми регистраторами.
Принципы преобразования могут быть различные: тензорезисторные потенциометрические, индуктивно-трансформаторные, емкостные, ультразвуковые, пьезоэлектрические, частотные и др. Современное развитие промышленной микроэлектроники сузило номенклатуру массовых типов преобразователей, но расширило число типов специализированных преобразователей. Измерение нагрузок при испытании агрегатов, моделей, узлов и деталей осуществляют в основном тензорезисторными динамометрами (ТД) с выходом сигнала на аналого-цифровой преобразователь (АЦП) и передачей его на управление процессом нагружения, а также на регистрирующие и цифровые показывающие приборы. ТД изготовляют для измерения нагрузок и крутящего момента, а также для многокомпонентных измерений, например, для гидродинамических и аэродинамических экспериментов. Изучение или воспроизведение виброакустических нагрузок, амплитуд и ускорений выполняют специальными преобразователями и высокочастотной аппаратурой. Различают устройства измерения параметров при эксплуатации и испытании машин и устройства реализации виброакустических нагрузок при испытании агрегатов (виброметры, шумомеры, акселерометры, частотные анализаторы, самописцы, вибраторы, вибростенды, сирены и т.д.).
Преобразователи давлений для измерений в жидкостях, газах, сыпучих средах (датчики давлений ДД) имеют ряд особенностей и характерные условия применения: малые габариты ДД (миниатюризация) для проведения модельных экспериментов в аэродинамических трубах, каналах, гидросистемах; выполнение измерений давления при высоких (низких) температурах в энергетических установках, в двигателях внутреннего сгорания (ДВС) при нестационарных температурах и пульсирующих взрывах газовых смесей.
Развитие средств измерения перемещений (датчики перемещений ДП) характеризуется значительным разнообразием принципов и широтой диапазона измерений. Классифицируют ДП по следующим параметрам:
1) диапазону: датчики микроперемещений (0–100 мкм); датчики миллиметрового диапазона (0,01–10 мм, 0,1–100 мм); датчики больших перемещений (0,5–5000 мм);
2) типу процесса: датчики статических перемещений; датчики высокочастотного контроля амплитуд и смещений; датчики перемещений для повышенных (пониженных) температур; универсальные датчики перемещений;
3) принципу измерения: тензорезисторные, индуктивные, емкостные, потенциометрические, ультразвуковые, пневматические, оптические, фотомодуляционные (растровые), механические, а также контактные-бесконтактные;
4) измеряемым параметрам: осевые (линейные), угломерные (плоские и пространственные), кривизномерные и комбинированные.
Различают методы исследования полей деформации, которые применяют при изучении сложных НДС, когда неизвестны главные направления, и методы измерения деформаций по отдельным точкам тензометрами (экстензометрами).
Каждый инженерный метод имеет свою область оптимального применения и эффективные комбинации с другими методами. Нельзя требовать от специализированных средств универсального применения для всего разнообразия практических задач, что может привести к отрицательным результатам. В этом смысле важна вся информация об уже решенных инженерных задачах, выполненных конкретным методом. Одним из направлений в экспериментальной механике должна стать систематизация решений, которых, вообще говоря, ограниченное число. Это объясняется значительной трудоемкостью экспериментальных исследований.
Разработка новых методов и средств изучения НДС связана в последние годы в основном с поисковыми работами в области голо- и спеклинтерферометрии, пневматических и ультразвуковых средств, методов проникающих излучений, оптико-геометрических методов, тепловидения, термографии. В то же время произошла значительная модернизация известных методов; так, например, получил новое развитие метод хрупких тензочувствительных покрытий и зеркально-оптический метод. Одним из важных направлений развития методов изучения НДС является автоматизация многих процессов обработки данных на ЭВМ и создание специализированного программного обеспечения, а также автоматизация самого процесса измерения и сбора данных на ЭВМ.
Цель исследования прочности материалов, деталей и конструкций – это получение прочностных характеристик для паспортизации материалов и полуфабрикатов; определение разрушающих нагрузок для оптимизации несущей способности деталей и соединений при проектировании; проведение контрольных сертификационных статических испытаний на расчетные нормированные нагрузки до разрушения и расчет запаса прочности (избыток прочности), не превышающего допустимого по весовому критерию.
Аналогичные цели ставят при усталостных испытаниях, но в этом случае главными параметрами являются уровень средних напряжений и число циклов (часов) до разрушения.
Развитие техники испытаний на прочность и сопротивление усталости происходит в направлении автоматизации нагружения, измерения параметров, контроля и калибровки, обработки данных, формирования информации, ее накопления и оперативного представления, редактирования документации и ее размножения. Для целей автоматизации используют мини- и микроЭВМ, периферийные устройства. Тем самым достигается замена длительных трудоемких операций, повышается уровень стандартизации испытаний, метрологическая культура, объективность оценок и увеличение числа исследуемых параметров.
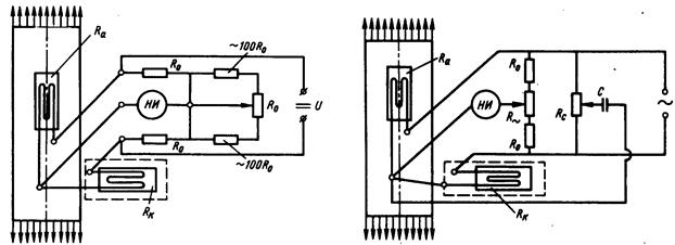
Структурная схема испытаний на прочность (усталость) или работоспособность дана на рисунке 8. Правая часть схемы составляет информационно-измерительную систему (ИИС), левая – управляющий вычислительный комплекс (УВК). Общим инструментом для выполнения всех операций является ИВК – измерительно-вычислительный комплекс, который выполняет прямые, косвенные, совместные и совокупные измерения электрических величин, управляет процессом измерения и воздействия на объект, представляет результаты измерений оператору в заданном виде. ИВК обеспечивает восприятие, преобразование и обработку электрических сигналов от первичных преобразователей, управление средствами измерений и выработку нормированных электрических сигналов, являющихся входными для анализа точности измерений; контролирует величины силового (или другого типа) воздействия на объект; представляет результаты в установленных формах.

Рис. 8. Структура системы испытания на прочность (усталость) или работоспособность: СН и Д – система нагружения и движения;
ПП и К – первичные преобразователи и коммутаторы; ЛС – линии связи; ЛУ – линии управления; Г – графопостроители; Д – дисплей;
УБП – устройство быстрой печати; ТД – тензодинамометры; ДП – датчики перемещения; ТР – тензорезисторы; ГЦ – гидроцилиндры
Развитие автоматических систем испытания на прочность (усталость) прошло несколько этапов ограниченной автоматизации, прежде чем выработалось рациональное сочетание по многоканальности и быстродействию для ИИС и УВК. В некоторых случаях удобнее использовать только несколько модулей ИИС, или при блочно-модульном построении УВК применять отдельно модули (стойки) АСУН (автоматические системы управления нагружением) для нескольких независимых испытаний. Программное управление осуществляют от встроенного в ИВК процессора (мини- или микроЭВМ); используют, как правило, серийно выпускаемые агрегатные средства измерений и автоматизации, типовые интерфейсы.
Частным случаем системы испытания являются испытательные машины и функциональные стенды (установки) (рис. 9), которые структурно повторяют многоканальные системы (см. рис. 8), но имеют простую схему обратной связи, поскольку большинство из них – одноканальные. Развитие систем испытаний происходит в нескольких направлениях. Так, в зависимости от частот (скоростей) нагружения, мощности и принципов управления нагрузками наиболее универсальными для машин и агрегатов являются электрогидравлические и электромеханические принципы испытаний, менее гибкими – электродинамические и пневмоэлектрические.

Рис. 9. Стенд для испытания конструкций
Одновременно с системами основных нагрузок развиваются системы физического моделирования условий эксплуатации (испытаний). Применяют устройства для лучистого и конвективного нагрева, термобарокамеры, криостаты, климатические и реверберационные камеры и т.д.
Научно-исследовательский испытательный комплекс (НИИК) Всероссийского НИИ экспериментальной физики (Российский федеральный ядерный центр) проводит экспериментальные исследования образцов военной техники из ядерного арсенала России и изделий гражданского назначения на прочность и стойкость к внешним механическим, тепловым и климатическим нагрузкам на протяжении всего срока службы.
Научно-технические возможности комплекса позволяют исследовать различные характеристики и параметры конструкций (напряженно-деформированное состояние, взаимные перемещения деталей и узлов, уровни нагрузок, тепловые поля, динамические характеристики и т. д.) как при одиночном, так и при комплексном воздействии на них инерционных, вибрационных, ударных и климатических нагрузок, а также проводить дистанционные испытания изделий, содержащих взрывчатые, радиоактивные вещества и делящиеся материалы.
На испытательных установках НИИКа могут быть получены:
– статические нагрузки до сотен тонн;
– перегрузки в тысячи единиц при ударе;
– различные виды вибрационных нагрузок;
– арктический холод и тропическая жара, 100%-я влажность и солнечная радиация.
Методологическая и аппаратурная оснащенность испытательного комплекса обеспечивает:
– подтверждение многолетнего гарантийного срока службы конструкций по результатам их форсированных испытаний;
– фундаментальные исследования физико-механических и радиационных характеристик всевозможных конструкционных материалов и взрывчатых веществ;
– испытания на прочность и герметичность газовых систем различного назначения гидравликой, вакуумированием и газом;
– испытания конструкций на воздействие высокого давления одновременно с линейными, вибрационными или ударными ускорениями;
– диагностирование поврежденных конструкций и газовых систем методами рентгенографии, ультразвука, акустической эмиссии, течеискания, тензометрии и др.;
– возможность компрессии водорода, азота, аргона и других газов на передвижных установках;
– проведение необходимого объема измерений и их обработку с использованием современных измерительных и вычислительных комплексов.
Для испытаний материалов применяется множество самых разнообразных машин (рис. 10, 11). Однако, несмотря на всё их разнообразие, всем машинам присущи одни и те же основные части, а именно:
а) устройства, вызывающие появление усилия, действующего на образец. Простейшими являются механизм прямого нагружения (поддон с гирями) и механизм рычажного нагружения (позволяющий малым весом гирь создать большое усилие).
Усилие может быть вызвано механическим воздействием, например вывинчиванием винта (шпинделя) из массивной гайки, причём сама операция вращения может производиться через систему зубчатых зацеплений вручную или от двигателя. Усилие, воздействующее на образец, может быть создано путём увеличения давления жидкости на поршень, в цилиндре.

Рис. 10. Электромеханические испытательные машины

Рис. 11.
Гидравлическая универсальная машина
Приёмы осуществления методов возбуждения усилий довольно разнообразны и приведены в описаниях каждой машины. В зависимости от способа возбуждения усилия машины чаще всего и получают своё наименование: гидравлический пресс, рычажная машина, шпиндельная машина и т. д.
Для специального изучения эффекта динамических воздействий применяются кривошипно-шатунные механизмы, разнообразные копры и другие устройства;
б) силоизмерительные устройства предназначены для измерения приложенной нагрузки. Воздействие силы на один конец образца требует такого же воздействия и со стороны другого конца. Поэтому вызванное усилие нужно уравновесить так, чтобы его можно было измерить.
Применив
неравноплечий рычаг, можно малым грузом уравновесить большое усилие,
действующее на образец. Система двух неравноплечих рычагов позволяет грузом
порядка
Большое распространение имеет уравновешивание маятниковым противовесом. Величина усилия будет пропорциональна отклонению маятника, отклонение же маятника передаётся силоизмерительному устройству, часто очень простому.
При прямом нагружении (как и при рычажном) о величине усилия судят по сумме веса набора гирь. Однако не обязательно измерять именно уравновешивающие усилия: существуют конструкции машин, где силоизмерительное устройство регистрирует величину активной силы.
Название многих испытательных машин определяется и типом силоизмерительных устройств, например: машина с маятниковым противовесом, машина с манометрическим измерением усилия.
Во многих случаях уравновешивающие и силоизмерительные устройства оснащаются прибором для автоматической записи диаграмм, выражающих зависимость деформаций от нагрузок;
в) опорные приспособления. В эту группу устройств входят цилиндрические опоры для испытания балок; плиты для установки образцов при испытании на сжатие; приспособления, центрирующие нагрузку; захваты разных систем при испытании на растяжение; заклинивающие устройства при испытании на кручение. Сюда же могут быть отнесены так называемые реверсоры – приборы, меняющие направление или характер действия сил (например создающие при сжимающей силе пресса растягивающее усилие или крутящий момент в образце);
г) все перечисленные устройства монтируются на станине машины и ею объединяются. Все усилия, создаваемые испытательной машиной, уравновешиваются в пределах станины. От испытательной машины на фундамент передаётся лишь собственный вес машины и динамическое воздействие от упругой отдачи при разрушении образца.
В качестве примера можно привести схему пресса силой 60 т (рис. 12). Образец 1 помещается между верхней неподвижной 2 и нижней подвижной 3 стальными плитами пресса. Подвижная плита 3 входит своей нижней сферической частью в соответствующее углубление поршня 4, находящегося в цилиндре 5. При вращении вала насоса 6 масло из бака 7 перекачивается насосом по маслопроводной трубке 8–9 в цилиндр 5. Вследствие повышения давления поршень 4, поднимаясь вверх, сжимает образец силой, пропорциональной давлению масла в цилиндре 5.
Для измерения величины давления цилиндр 5 соединён трубопроводами 10 и 11 с другим цилиндром 12 значительно меньшего диаметра. Масло выдавливает из цилиндра 12 поршень 13, скреплённый поперечиной 14 с тягами 15. Тяги поворачивают за короткое плечо 16 угловой рычаг, длинное плечо которого 17 с грузом 18 является маятником. Момент веса маятника относительно оси вращения углового рычага уравновешивает момент силы, действующей на короткое плечо рычага (силы, выдавливающей поршень 13 из малого цилиндра 12 и пропорциональной давлению масла в цилиндрах 5 и 12). Таким образом, отклонение маятника также пропорционально силе, сжимающей образец. Верхний конец рычага 17 при отклонении передвигает стержень 19, лежащий на роликах, один из которых сидит на общей оси со стрелкой 20. Конец стрелки при её вращении движется по циферблату с делениями, показывающими величину силы, сжимающей образец.
Перемещением груза 18 по рычагу можно изменять предельную величину усилия, развиваемого машиной. Возможны установки груза на 6, 12, 30 и 60 т. При установке груза в низшем положении 60 т будут предельной нагрузкой, при которой маятник отклонится в крайнее положение, а стрелка 20 опишет по циферблату полную окружность. При установке груза 18 в верхней части рычага крайнее отклонение маятника будет соответствовать усилию в 6 т. Так как стрелка указателя силы также обойдёт полностью циферблат при возрастании нагрузки от 0 до 6 т, как и в первом случае, то цена деления будет в 10 раз меньше и, следовательно, точность измерения силы будет во столько же раз больше.
Для разгрузки пресса открывается вентиль 21, и масло выходит по трубкам 10 и 11 из цилиндров 5 и 12 обратно в бак 7.

Рис.12. Гидравлический пресс с маятниковым приводом
Для автоматического вычерчивания диаграммы сжатия имеется специальное устройство. К нижней стальной плите 3 прикреплён конец шнура, пропущенного затем через кольцо, прикрепленное к верхней плите 2. Шнур, пройдя промежуточные направляющие кольца, перекидывается через шкив 23, расположенный с торца барабана 22. На свешивающийся конец шнура для натяжения его подвешена небольшая гирька.
Так как верхняя стальная доска пресса неподвижна, то поднятие нижней плиты 3 равно деформации (укорочению) образца (если не учитывать деформации опорных плит и некоторого поднятия верхней плиты 2 вследствие удлинения колонок пресса). При поднятии плиты 3 шнур поворачивает барабан вокруг его оси. Вокруг барабана 22 обернута бумага, на которой вычерчивается диаграмма.
К стержню 19 прикреплён карандаш, который, передвигаясь вместе со стержнем при изменении сжимающей силы, чертит на бумаге линию, абсциссы которой (вращение барабана) дают абсолютное укорочение образца, а ординаты (передвижение стержня 19) – силу, сжимающую образец. Масштаб оси абсцисс (укорочений) зависит от отношения диаметра барабана к диаметру шкива, а масштаб оси ординат (нагрузки) – от установки груза 18. Этот прибор даёт диаграммы малого размера и небольшой точности, но всё же вполне пригодные для иллюстрации процесса сжатия.
Центральным
научно-исследовательским институтом точного машиностроения сконструированы для
испытания образцов на растяжение машины силой 4 т (ИМ-4) и 12 т (ИМ-12).
Принципиальные схемы обеих машин аналогичны. На этих машинах можно испытывать
цилиндрические образцы диаметром от 3 до

а)
б)
Рис. 13. Схема машины ИМ-4Р
На станине 1 смонтированы все устройства машины. Образец при испытании на растяжение устанавливают в захваты 2 и 3. Рукоятью 4 приводится во вращение система зубчатых зацеплений 5, заканчивающихся зубчатой гайкой 6, которая втягивает в себя винт 7. В верхней части винта 7 устроен захват 2.
Создаваемое при этом усилие через образец передаётся захвату 3. От захвата 3 через тягу 8 усилие действует на короткое плечо рычага 9. Тяга 10 соединяет конец длинного плеча рычага 9 с коротким концом коленчатого рычага 11, который вместе с грузами 12 является маятником, уравновешивающим своим отклонением возникающее в образце усилие.
Отклонение маятника (пропорциональное силе, растягивающей образец) вызывает поворот рычага 14, насаженного на общую с маятником ось 13. Верхний конец рычага 14 приводит в движение вдоль горизонтальной рейки 15 каретку 16 с указателем и карандашом.
С системой зубчатых зацеплений 4–5–6 связан валик 17 (при помощи вспомогательной зубчатой передачи 18). Вращение всех зубчатых передач пропорционально величине опускания захвата 2.
Опускание захвата 3 мало (оно равно вертикальному перемещению конца очень короткого плеча рычага 9), поэтому можно считать, что карандаш 16 отмечает по окружности валика 17 величины, пропорциональные абсолютной деформации образца. Перемещение же карандаша вдоль деревянного валика пропорционально действующей силе.
Порядок пользования машиной ИМ-4Р
Наматывают рулон диаграммной бумаги на нижний
валик 19, вращая его по часовой стрелке (если смотреть со стороны маятника).
При заправке бумаги на верхний валик 17 его освобождают от сцепления с приводной
системой зубчатых колес 18. Закрепив бумагу, включают сцепление валика 17 с
зубчатками 18.
Каретку 16 с карандашом ставят в нулевое положение. Прочерчивают координатные оси: ось абсцисс наносится при холостом ходе машины, т. е. при нулевой нагрузке; ось ординат получается при отклонении вручную рычага 14 с кареткой 16 вправо при неподвижном валике 17.
Заправив бумагу, устанавливают в захватах машины образец. Затем вращением рукояти 4 устанавливают нижний захват 2 на такой высоте, что образец оказывается чуть натянутым. Через систему зубчатых передач 21, действующую от мотора 20 на систему 5–6–7, описанную ранее, пускают в ход электромотор. Переключатель от электромотора можно устанавливать в одно из трёх положений: прямой ход, стоп и обратный ход.
Нагружение можно производить также при помощи ручного привода, вращая рукоятку по часовой стрелке (система передач 21 при этом выключается). Разгружение производится вращением рукоятки против часовой стрелки. Нагружение ручным приводом требует больше времени, чем электромотором.
Автоматическую запись кривой иногда прекращают после прохождения участка текучести; если же запись ведётся вплоть до разрушения образца, то в момент разрыва образца из-за быстрого отклонения маятника 12 вправо связанная с ним каретка с пером также быстро передвигается к началу шкалы и попадает там на защёлку 22; одновременно нарушается сцепление рычага 14 с кареткой 16, и дальнейшие качания маятника происходят независимо от каретки, которая, попав на защёлку, остаётся неподвижной.
При наличии реверсоров на машине можно производить испытание на сжатие и на срез.
Расчетные критерии прочности, усталости и функционирования (работоспособности), на основании которых проектируют силовые агрегаты новой машины, проверяют экспериментально лабораторными, стендовыми, полигонными и эксплуатационными испытаниями. На этапе опытных работ проводят испытания поисковых образцов, моделей и натурных узлов силовой конструкции или механизмов (см. табл. 1 и 2). На этапе изготовления опытных или серийных конструкций несколько экземпляров узла, агрегата или машины передают на статические испытания для определения несущей способности, усталостные и функциональные испытания.
Для механизмов, передач и других отдельно комплектующихся агрегатов проводят стендовые ускоренные испытания на функционирование (работоспособность), которые часто совмещают с изучением жесткости, точности, изнашивания и усталости при максимальных режимах, или задаются реальной циклограммой повторяемости нагрузок (режимов) и осуществляют длительные испытания до выработки назначенного начального ресурса.
Программы на опытные и сертификационные испытания (на прочность, усталость и работоспособность) разрабатывают на объект испытания (техническая характеристика и состав объекта), на испытательный стенд, установку, на приспособление к универсальной машине. Одновременно составляют схему измерений, перечень средств измерений и обработки результатов.
Программа испытаний на несущую способность содержит первое критериальное условие для силовой конструкции – подтверждение расчетной и определение действительной несущей способности узла при статическом приложении расчетных нагрузок, что является основной целью испытаний.
Как правило, программа предусматривает этапность приложения нагрузок для нескольких расчетных случаев. Сочетание нагрузок, их величины, порядок приложения по расчетным случаям, предельные и закритические условия прочности или достижение предельных деформаций (перемещений) задают таблицей, ленточным или трехмерным графиком.
Каждый расчетный случай нагружения делят на два уровня: эксплуатационный и расчетный. Эксплуатационный уровень нагрузки разбивают на 6 - 10 ступеней для выполнения предварительных измерений перемещений и НДС в упругой области и одновременной отработки и контроля воспроизводимости линейного нагружения. При этом уровне на основе исследования НДС определяют зоны и сечения возможного разрушения или появления пластического шарнира. Отмечают области наблюдения при испытании до разрушения, устанавливают и градуируют дистанционную аппаратуру для измерения параметров при разрушении. В зависимости от задачи устанавливают оптические, поляризационно-оптические, муаровые (растровые) средства регистрации НДС, применяют высокоскоростную фото- и кинорегистрацию, видеомагнитофонную скоростную запись динамики разрушения или потери устойчивости по этапам. Учитывают специальные меры техники безопасности, особенно при испытании высокопрочных хрупких материалов, и для объектов, накапливающих значительную упругую энергию до разрушения, например, при испытании оболочек больших объемов наддувом сжимаемым газом (воздухом).
Нагружение до расчетных нагрузок проводят однократно,
непрерывно повышая уровень нагрузки от эксплуатационного до расчетного, и, не
прекращая нагружения, доводят испытания до максимальных
нагрузок, отмечая резкое (или плавное) снижение нагрузки при разрушении элементов,
потери несущей способности (устойчивости). Скорость нагружения
оговаривается в программе и в ТУ на энергетические
потребности стенда. Для статического нагружения металлических конструкций критической
скоростью является такая, когда погрешность воспроизведения нагрузки за счет
присоединенных масс нагружающей системы становится больше 1% от заданного
текущего значения усилия, а все переходные процессы от начала и до конца диаграммы
деформирования зависят только от жесткости системы, а не от ее массы.
Обычно по
нескольким точкам или узлам непрерывно записывают диаграммы деформирования P-∆l, P-ε; M-w, ζ-φ с помощью дистанционных динамометров (тензорезисторных или манометрических) и датчиков перемещений
(потенциометрических, тензорезисторных и т д.).
Применяют графопостроители – двухкоординатные Х – У,
самописцы Х – Т, осциллографы с памятью,
на которые регистрируют весь процесс до разрушения, отмечая максимальные
значения сил (моментов), величин перемещений и т.д. Тензоизмерения
проводят с помощью тензорезисторов (ТР) и ИИС с
квазистатическим быстродействием (свыше 100 изм/с),
применяют ТР, имеющие большие предельные деформации (до
=
5–12%), например из отожженного константана. Запись деформации в темпе статического
нагружения позволяет точнее воспроизвести динамику пластического
деформирования, перераспределение сил в многократно статически неопределимых
системах, выявить ненужные связи и неучитываемые
запасы прочности.
Для неметаллических объектов, изготовленных из вязкоупругих материалов и материалов, чувствительных к скорости деформирования, вследствие значительной ползучести под нагрузкой слишком малая скорость нагружения может исказить результаты. Поэтому в каждом конкретном случае в программе оговаривается скорость нагружения, скорость перемещения захватов машины или скорость деформации.
В случае проведения испытаний на несущую способность при одновременном тепловом воздействии на объект, осуществляемом способом лучистого нагрева или в камерах-термостатах, режимы механического нагружения и скорости нагрева (прогрева) задают специальными графиками, учитывая теплоемкость образца и системы, инерцию регулирования теплопередачи, рассеяние и мощность излучателей. Программу реализуют автоматической системой выхода и поддержания температурного режима на объекте во времени или в функции механической нагрузки. Методология проведения испытаний на несущую способность масштабных моделей больших объектов требует строгого теоретического обоснования и проведения значительных исследований.
Программы усталостных испытаний отличаются по критериальным условиям малоцикловой прочности, многоцикловой и сложной многофакторной усталостной прочности.
Программы малоцикловых усталостных испытаний составляют для высоконапряженных объектов, когда общее число циклов до исчерпания ресурса невелико и составляет для металлов 104–105 циклов; эксплуатационные напряжения могут достигать пределов текучести. Многие авиационные и энергетические агрегаты работают в режиме малоцикловой усталости.
Пример 1. Рассмотрим программу испытаний на малоцикловую усталость крыла тяжелого пассажирского самолета. Один программный блок нагружения был эквивалентен одному типовому полету, нагрузки которого определились как средние из четырех типовых профилей трехчасового полета. Один программный блок при усталостных испытаниях крыла в системе всего планера выполнялся за 8,5 мин, моделируя трехчасовой полет (рис. 14). Он состоял из 36 циклов, которые соответствовали наземным циклам (заправка и руление по полосе), взлету, набору высоты с выпущенной механизацией, подъему до высоты крейсерского полета, длительному крейсерскому режиму с учетом типовой болтанки, маневренным предпосадочным режимам и посадке. Таким образом, крыло нагружали циклами с различной асимметрией и изменением знака нагрузки.
Техническая реализация этой программы проводилась при испытании на усталость всего планера самолета «Боинг-747» с помощью электрогидравлической многоканальной системы нагружения (86 каналов), управляемой от цифрового программного устройства с ЭВМ. Стенд для испытания на усталость находился под открытым небом в условиях некоторого подобия реальной окружающей среды. Крыло испытали на усталость на двукратный срок службы; было выполнено 20 000 эквивалентных полетов, после чего на основные силовые элементы крыла с наиболее высоким уровнем напряжений были нанесены искусственные надрезы и испытания продолжены по типовому спектру на живучесть.
Сложные блочные циклограммы нагружения панелей и образцов обычно упрощают, если известны доминирующие нагрузки, вносящие основное повреждение в конструкцию. Так, при испытании на усталость панелей и стыков герметического фюзеляжа воспроизводят только пульсирующую нагрузку, которую выполняют на усталостных испытательных машинах при невысоких частотах нагружения, поскольку для соединений с герметиком или синтетическим клеем скорость нагружения существенно влияет на долговечность.

Рис. 14. Программный блок вертикальных нагрузок на крыло самолета «Боинг-747» при испытании на усталость: А – заправка топливом;
Б – руление по полосе; В – взлет; Г – набор высоты; Д – крейсерский режим; Е–Ж – снижение, выдерживание; З – заход на посадку; И – посадка
Испытания на усталость образцов материалов для определения пределов усталости и построения кривых σ-N проводят при мало- и многоцикловом нагружении. Выбор НДС и тип образца должны соответствовать типу нагружения и НДС реальной конструкции.
Кривые усталости, полученные на образцах материалов, являются эталонными, на них отдельными точками наносят результаты испытания полунатурных панелей и образцов, натурных валов, осей и т.д.
В других случаях блочного программного или случайного нагружения эталонную кривую усталости используют для расчета долговечности детали, проведенного на основании гипотез суммирования усталостных повреждений, после чего результат расчета сравнивают с данными усталостного испытания объекта по сложной программе.
Программы многоцикловых усталостных испытаний наиболее характерны для деталей и агрегатов транспортных и технологических машин, работающих при сравнительно низких напряжениях, но высокой повторяемости (цикличности) нагрузок. Реальные спектры нагрузок, зарегистрированные на агрегате при эксплуатации прототипа, скорректированные для новой машины, или расчётные, полученные на математических моделях, моделируют в программе испытаний типовыми спектрами нагружений (табл. 3). Так, при испытании деталей автомобиля нагрузки от двигателя, взаимодействия с неровностями дороги и функциональные нагрузки от операций с полезными грузами создают в целом сложное воздействие на машину, которое моделируют для различных деталей почти всеми типами программного нагружения. Пружины клапанов двигателя, имеющие постоянный ход, испытывают при регулярном периодическом нагружении; детали трансмиссии вала от двигателя до сцепления нагружают характерным блочным спектром; цапфы подвески колес, испытывающие случайное нагружение от неровности дороги, функциональные и тормозные нагрузки, могут быть испытаны при квазистационарном случайном нагружении.
Таблица 3

Такие объекты, как подкрановые балки, сварные фермы железнодорожных мостов и ретрансляционных мачт испытывают нагрузки, близкие к бигармоническим, когда на циклическую (периодическую) нагрузку наложены гармоники малых амплитуд, но достаточно высоких частот. Расчет и испытание сварных конструкций мостов ферменного типа проводят на двухчастотное или полигармоническое (стационарное случайное) нагружение.
В задачах оптимизации конструкции на основе усталостных испытаний, которые проводят обычно при регулярных периодических спектрах чаще всего на резонансных машинах при симметричном цикле, важным методическим условием достоверности результатов является их рассеяние. Нормальный закон рассеяния, характерный для свойств материала одной партии, дает разброс 1:2 до 1:3 по долговечности. Но для детали штампованного рулевого рычага автомобиля на разброс результатов влияет технология: изнашивание штампа, появление заусенцев, изменение твердости и структуры поверхностного слоя, дающие разброс 1:5,5 в диапазоне 10–90 % вероятности Р значений по долговечности, при общем разбросе в партии из 130 испытанных рычагов – 1:50 (рис. 15).

Рис. 15. Разброс долговечности N штампованного рулевого рычага автомобиля при многоцикловой усталости (m = 6 – тангенс угла наклона)
При каждом цикле оптимизации детали и ее последующем испытании необходимо следить, чтобы разброс результатов следующей итерации не превышал рассеяния результатов предыдущего испытания.
При разработке любых экспериментальных программ необходим полный состав документации: вводная часть программы, дающая описание проблемы и основание для экспериментальной работы, а также ряд обязательных разделов – описание и параметры объекта испытаний; общие и конкретные цели испытаний; объем, порядок (организация) испытаний; условия проведения; перечень необходимой документации для всего цикла работ; конкретное испытательное оборудование, включая перечень приборов, и энергетические потребности; разработка или проверка метрологического обеспечения машин, приборов и систем; материально-техническое обеспечение испытаний; форма отчетности; санитарно-гигиенические требования по технике безопасности.
Методические вопросы усталостных испытаний отражены в ГОСТах.
Статические испытания при малых скоростях нагружения проводят на универсальных испытательных машинах (УИМ) и специальных стендах (установках) с помощью одно-и многоканальных систем нагружения. При сложных программных испытаниях используют автоматические системы управления нагружением (АСУН) и полуавтоматические программные устройства. Для управления и обработки результатов применяют мини- и микроЭВМ. Задачи, решаемые на УИМ, состоят в определении механических характеристик материалов, прочности и деформативности соединений, конструктивных элементов, панелей и несложных деталей машин при одно- или двухосном нагружении. В рабочем пространстве машин размещают при необходимости термокамеры, криостаты, коррозионные и вакуумные камеры и т д.
Разработаны сотни типов стандартных и оригинальных испытательных машин, различающихся по типу НДС (растяжение–сжатие, изгиб, кручение), по значениям нагрузок, набору скоростей перемещений траверсы и системам записи деформаций, перемещений, нагрузок.
Многие УИМ
имеют специализированную оснастку для испытаний образцов металлов, пластмасс,
резин, тканей, бетона, керамики, стекла, бумаги, а также для сложного нагружения. Силовозбуждение для
УИМ обычно электромеханическое или гидравлическое; регистрация сил, моментов,
деформаций и перемещений для современных машин – электронная, с первичными преобразователями
на тензометрическом, индуктивном или магнитоэлектрическом принципах. В
разработке, усовершенствовании и эксплуатации УИМ основными проблемами являются
метрологические; они связаны с влиянием жесткости машины, скорости
деформирования и демпфирующей способности системы на точность регистрации
кривой
при достижении предела текучести материала.
Известно, что некоторые машины не регистрируют площадку текучести с «зубом», а на некоторых скоростях деформирования в пластической области в системе образец – машина возбуждаются колебания, связанные с совпадением собственных частот системы с частотой пульсаций сдвиговых деформаций при пластическом течении металла (рис.16).

а) б)
Рис. 16.
Эффект совпадения собственных частот системы и частоты возбуждения
образца при скорости траверсы 60 мм/мин (∆l – перемещение
траверсы)
Во многих случаях металлические материалы в конструкциях работают под статическими нагрузками. Поэтому для оценки механических свойств широко используются статические испытания, которые проводятся с применением разных схем напряженного состояния в образце. К основным разновидностям статических испытаний относятся испытания на растяжение, сжатие, изгиб и кручение.
Испытание на одноосное растяжение – наиболее распространенный вид испытаний для оценки механических свойств металлов и сплавов – сравнительно легко подвергаются анализу, позволяют по результатам одного опыта определять сразу несколько важных механических характеристик материалов, являющихся критерием его качества и необходимых для конструкторских расчетов.
Методы испытаний на растяжение стандартизованы. Имеются отдельные стандарты на испытания при комнатной температуре (ГОСТ 1497-84), при повышенных до 1473 К (ГОСТ 9651) и пониженных от 273 до 173 К (ГОСТ 11150) температурах.
Основные требования к методике испытаний оговорены в стандартах. Эти требования следует рассматривать как минимальные. При выполнении, например, исследовательских работ требования могут быть значительно повышены. Соблюдение стандартной методики испытания особенно важно в тех случаях, когда результаты являются критерием качества продукции или паспортными характеристиками.
Для проведения
испытаний на растяжение (ГОСТ 1497-84) используют стандартные образцы круглого
или прямоугольного сечения, у которых отношение расчетной длины l0 к диаметру поперечного сечения d0 равно десяти (рис.17, а). В случае некруглого сечения вместо диаметра принимают
.
Если по каким-либо причинам изготовить стандартные образцы невозможно,
применяют так называемые пропорциональные образцы – меньшего сечения, но с тем
же соотношением размеров (табл.4). При испытаниях на малых машинах с
автоматической записью диаграммы
пользуются малыми (кратными) образцами, у которых
(рис.17, б).
Для испытания листовых материалов используют плоские образцы (рис.17, в). Во всех случаях на концах образцов
имеются головки для захвата их машиной, форма и размеры которых зависят от
конструкции приспособлений для захвата. Между рабочей частью и головками
образца обеспечиваются плавные переходы размеров. Поверхность рабочей части
выполняется ровной, чистой.
Перед
испытанием каждый образец маркируют, измеряют и размечают. Маркировку наносят
вне пределов рабочей длины образца. Измерение
размеров образцов до испытания проводят не менее чем в трех местах - в средней
части и на границах рабочей длины. Диаметр цилиндрических образцов следует
измерять с точностью не ниже 0,01 при do ≤ 10 мм и 0,05 мм при do < 10 мм. С
такой же точностью следует измерять толщину плоских образцов. Для определения
начальной площади поперечного сечения F0 необходимые геометрические размеры образцов измеряют с
погрешностью не более ±0,5%. За начальную площадь
поперечного сечения образца в его рабочей части F0 принимают наименьшее из полученных значений на
основании произведенных измерений с округлением по ГОСТ 1497-84. Все размеры после
испытаний определяют с точностью не ниже 0,1 мм. Для получения более точных
результатов используют инструментальные микроскопы.
Каждый размер следует измерять несколько раз.
Например, ГОСТ 1497-84 обязывает производить замер диаметра в середине и по краям
рабочей части образца с последующим определением среднего значения, по которому
рассчитывают площадь его поперечного сечения.
К методике проведения испытаний на растяжение при
повышенных и отрицательных температурах предъявляют ряд специфических требований.
При высокотемпературных испытаниях нагревательные устройства (термостаты и
печи самых разнообразных конструкций) должны обеспечивать равномерный нагрев
образца в пределах расчетной длины и поддержание заданной температуры в
установленных пределах в течение всего времени испытания. Рекомендуется, чтобы
длина рабочего пространства печи была как минимум в
пять раз больше начальной расчетной длины образца. При высокотемпературных испытаниях
следует особое внимание уделять надежности крепления головок образцов в
захватах, иначе возможно сильное искажение результатов из-за деформации,
выскальзывания из захватов и преждевременного разрыва образца у головок,
размягчающихся при нагреве. Поэтому при высокотемпературных испытаниях
используют чаще всего цилиндрические образцы с резьбовыми головками, или
плоские с отверстием, в которое вставляют проходящий через захват поперечный
стержень. Точность поддержания температуры в образце тем меньше, чем она выше.
До 873 К эта точность не должна быть ниже ±3, от 873 до 1173±4, от 1173 до 1473 К ±6 К. Время выдержки при температуре испытания, а также
скорость нагрева могут существенно сказываться па механических свойствах.
Обычно образцы выдерживают 5-30 мин. Скорость нагрева до заданной температуры,
как правило, должна быть по возможности минимальной.
При повышенных температурах на свойствах многих металлов
сильно сказывается окружающая образец среда. В частности, при нагреве, выдержке
и в процессе испытания возможно взаимодействие материала образца с газами
воздуха. За счет окисления, азотизации или наводороживания
механические свойства могут кардинально изменяться. Поэтому при высокотемпературных
испытаниях часто приходится использовать вакуумные печи с защитной атмосферой,
например инертными газами (чаще всего аргоном). Тяги захватов при этом вводят в
рабочее пространство печи через специальные устройства — сильфоны, позволяющие
захватам перемещаться без разгерметизации внутреннего объема печи.
Для низкотемпературных испытаний между захватами машины
устанавливают сосуд с теплоизолирующими стенками, содержащий охлаждающую
жидкость. Емкость такой камеры должна быть достаточно большой для того, чтобы
обеспечить быстрое охлаждение и возможность поддержания заданной температуры
образца при испытании.
До 213 К в качестве охлаждающей
среды используют смесь этилового спирта разных сортов с сухим льдом. Диапазон
температур 213-173 К получается в смесях чистого
этилового спирта с жидким азотом. Использование жидкого азота без спирта позволяет получить температуру 77 К. Изменение температуры
охлаждающих смесей достигается за счет изменения соотношения
компонентов. Кроме жидких охладителей, используются холодильные камеры с
воздушной атмосферой. Допускаемые отклонения от заданной температуры испытания
не должны быть больше ±2 до 213 К
и ±5 ниже 213 К. Время выдержки при температуре испытания
обычно составляет 10-20 мин в зависимости от размера образца. Для измерения
отрицательных температур рекомендуется использовать жидкостные (нертутные) или термоэлектрические термометры сопротивления.

Рис.17
Образцы для других видов испытаний материалов (сжатие, срез) имеют круглое или прямоугольное (квадратное) постоянное сечение без головок по концам; соотношение расчетной длины и размеров сечения оговаривается ГОСТ 9017-74, 10180-78, 25503-80 и др. (табл.4)
Таблица 4. Типы образцов для испытаний
|
Материал |
Образец |
Форма образца |
Расчетная Длина l0, мм |
Поперечные размеры, мм |
|
Растяжение |
||||
|
Сталь |
Стандартный |
Цилиндр |
100 |
10 |
|
Короткий |
Произвольная |
|
- |
|
|
Цилиндр |
50 |
10 |
||
|
Пропорциональный |
Произвольная |
|
- |
|
|
Цилиндр |
30 |
6 |
||
|
Сжатие |
||||
|
Чугун |
|
Цилиндр |
20 |
30...60 |
|
Камень |
|
Кубик |
70 |
70 |
|
Цемент |
|
Кубик |
70 |
70 |
|
Бетон |
|
Кубик |
100; 150 |
100; 150 |
|
Кирпич |
|
Параллелепипед |
120 |
120х160 |
Наиболее ценные сведения при изучении характера деформируемости каждого материала можно получить из диаграмм испытания образцов. В процессе его исследования на машине специальным приспособлением записывается диаграмма испытания, связывающая нагрузку P на образец с его продольной деформацией ∆l. По данным, полученным из опытной диаграммы, или же по результатам наблюдений за опытом строят диаграмму растяжений.
Диаграммой растяжения называется график, показывающий функциональную зависимость между нагрузкой и деформацией при статическом растяжении образца до его разрыва.
На рис. 18 показан примерный вид параметрической диаграммы растяжения малоуглеродистой стали в координатах: абсолютное удлинение ∆l(t) − нагрузка F(t). В качестве параметра здесь выступает время нагружения, которое для простоты обычно не показывают.

Рис. 18. Диаграмма растяжения пластичного материала
Так как
испытание проводят на гидравлической машине, в которой деформация является
первичной (
),
а нагрузка вторичной (
),
то осью абсцисс (аргументом) является абсолютное удлинение ∆l, а осью ординат (функцией) –
нагрузка F, т.е. фактически мы имеем
зависимость
,
интерпретированную Гуком, проводившим опыты в упруго-пропорциональной зоне
нагружения: «каково удлинение, такова сила». Однако в современной трактовке, с
учётом того что в реальных условиях эксплуатации машин и сооружений первичной
является нагрузка, функциональную зависимость обращают, полагая, что
,
и обсуждают, как изменяется деформация образца в зависимости от нагрузки
(какова сила, таково удлинение).
На диаграмме растяжения OABCDEG показаны 7 характерных точек, соответствующих определённому уровню нагрузки и ограничивающих 6 различных зон деформирования:
OA – зона пропорциональности (линейной упругости);
AB – зона нелинейной упругости;
BC – зона упругопластических деформаций;
CD – зона текучести (пластических деформаций);
DE – зона упрочнения;
EG – зона закритических деформаций.
На участке OA смещение атомов монокристаллов пропорционально приложенной нагрузке. Дефекты кристаллической решётки практически не проявляются.
Прямолинейный
отрезок диаграммы соответствует состоянию материала образца, описываемому
законом Гука; наклон прямой OA к оси абсцисс характеризует степень сопротивляемости
материала деформированию в упругой стадии, т.е. его жесткость. В пределах закона Гука тангенс угла наклона прямой
к оси ∆l определяется величиной Е:
. Точка A соответствует его пределу пропорциональности
, т.е. наибольшему напряжению, до которого материал следует закону
Гука, которое определяется как отношение силы, при которой эта
пропорциональность еще не нарушается, к начальной площади поперечного сечения образца
![]()
На участке OB материал ведёт себя упруго.
Поведение кристаллической решётки на участке AB характеризуется небольшой нелинейностью. Нужно заметить, что
на участке пропорциональности OA материал
ведёт себя одновременно и как абсолютно упругий (т. B всегда выше т. A). Точка B соответствует
пределу упругости. Под пределом
упругости
понимается
такое наибольшее напряжение, до которого материал не получает остаточных деформаций,
т.е. после полной разгрузки последняя точка диаграммы совпадает с начальной
точкой 0. Численные значения пределов пропорциональности и упругости получаются
очень близкими, поэтому при испытаниях часто ограничиваются определением только
предела пропорциональности.
На участке BC наблюдается нарастающая нелинейность в деформировании кристаллической решётки. Для выхода новых дислокаций (нарушений строения кристаллов) на поверхность монокристаллов требуется всё меньшее приращение внешней нагрузки ∆F.
На участке CD, называемом площадкой текучести, происходит лавинообразный
выход дислокаций на поверхность, что приводит к значительному удлинению образца
при почти постоянном уровне нагрузки, когда
.
Такое состояние материала названо текучестью.
Образование пластической деформации в отдельных кристаллах образца происходит
уже в начальной (упругой) стадии испытания. Однако эти деформации настолько
малы, что не обнаруживаются обычными приборами для измерения малых деформаций.
С увеличением нагрузки пластическая деформация начинает накапливаться в микрообъемах
образца, а с наступлением текучести эти очаги пластической деформации,
сливаясь, захватывают уже макрообъемы образца металла.
Необратимо деформированные области образца оказывают повышенное сопротивление
дальнейшему деформированию (материал упрочняется), и поэтому пластические
деформации начинают развиваться в зонах, еще не подверженных этим деформациям.
В дальнейшем пластическая деформация, переходя от одной зоны к другой,
распространяется на весь объем рабочей части образца. Особенно наглядно фронт
распространения пластической деформации вдоль образца можно наблюдать при испытании
плоских полированных образцов. На поверхности таких образцов в момент
возникновения очагов пластической деформации появляются темные наклонные
полосы, которые, как правило, с осью образца составляют углы, приблизительно
равные 450 (линии Чернова-Людерса). Эти
линии представляют собой микроскопические неровности, возникающие вследствие
необратимых сдвигов, происходящих в кристаллах под действием наибольших
касательных напряжений. При текучести у образца повышается температура,
изменяются электропроводность и магнитные свойства.
Ордината точки
C на диаграмме соответствует пределу текучести
материала образца. Под пределом текучести
понимается то напряжение, при котором происходит рост деформаций без заметного увеличения
нагрузки и определяется как отношение силы, соответствующей точке C к начальной площади поперечного сечения образца
![]()
Если площадка
текучести на диаграмме сильно наклонена к оси абсцисс или не совсем
прямолинейна, различают верхний и нижний предел текучести. У материалов, не
имеющих на диаграмме явно выраженной площадки текучести, принимают условный
предел текучести
,
при котором остаточное удлинение образца ∆l достигает
0,2%.
На участке DE после выхода на поверхность большей части дефектов кристаллической решётки материал самоупрочняется, и образец всё ещё способен воспринимать некоторое приращение нагрузки. Указанный участок диаграммы называется зоной упрочнения. Однако расстояние между атомами постепенно достигает критического значения (приблизительно в два раза больше первоначального), за которым происходит «разрыв» внутренних связей. При подходе к т. E деформации начинают локализоваться в области наиболее слабого сечения, где зарождается шейка образца.
Точка E на диаграмме характеризуется
наибольшей ординатой, соответствующей пределу
прочности, или временного
сопротивления, материала
,
т.е. отношению максимальной силы, которую способен выдержать образец, к его
начальной площади поперечного сечения
![]()
На участке EG заканчивается формирование шейки. Происходит лавинообразное разрушение связей, когда процесс деформирования уже необратим и временное равновесие между внутренними силами и внешней нагрузкой возможно только при уменьшении последней. В т. G происходит разрыв образца. Его размеры восстанавливаются на величину упругой деформации, которая на 2 – 3 порядка меньше остаточных пластических деформаций. У многих материалов разрушение происходит без заметного образования шейки. Сила, соответствующая точке G, называется разрушающей Ffr, а напряжение – истинным сопротивлением разрыву (истинным пределом прочности). Этот предел не имеет особого практического значения и используется только при изучении процесса образования трещин. Разрушающие напряжения делятся на условные и истинные:
условное;
истинное,
где
- разрушающая
нагрузка;
-
площадь поперечного сечения образца в месте разрыва.
Так как
первоначальная площадь
приблизительно в два раза
превышает площадь разрыва
,
а разрушающая нагрузка
составляет
приблизительно 80 % от наибольшей нагрузки
,
то
![]()
Например, для
низкоуглеродистой стали Ст3
=
380 МПа;
=800...1000 МПа.
Истинное напряжение в месте разрыва образца к моменту его разрыва наиболее полно характеризует силу взаимодействия между частицами перед их отрывом друг от друга. Причем отрыв частиц происходит по центральной части поперечного сечения шейки, остальная часть скалывается под углом 450, с образованием по периметру сечения характерного венчика (рис.19, а). Такая форма разрушения наблюдается только у пластичных материалов.

Рис.19
Рассмотренные выше пределы пропорциональности и упругости характеризуют упругие свойства материала. Пределы текучести и прочности являются характеристиками прочности материала. Пластичность материала оценивают относительными остаточными деформациями, накопленными образцом до его разрушения:
относительным остаточным удлинением
![]()
и относительным остаточным сужением ψ площади сечения образца при разрыве
![]()
где l0 и A0 начальные длина и площадь сечения образца; l1, A1- длина и площадь сечения образца, измеренные после его разрушения.
Сложенные части разорванного образца из пластичного материала длиннее исходного на величину остаточной деформации. Упругая часть деформации при разрушении образца исчезает. О ее величине можно судить по диаграмме (см. рис.18), если спроецировать точку G на ось абсцисс по направлению линии OA (точка H). Наличие в материале упругих деформаций при его работе за пределом упругости подтверждается в опытах наклоном линии к оси абсцисс, которая появится на диаграмме, если в процессе опыта прекратить нагружение и произвести разгрузку образца с той же скоростью. После исчезновения упругой деформации образец окажется удлиненным на величину остаточной деформации.
Повторное нагружение разгруженного образца позволяет получить укороченную диаграмму, являющуюся продолжением начального участка полной диаграммы. Линия повторного загружения практически совпадает с линией разгрузки. Аналогичная картина наблюдается при разгрузке и повторном загружении образца для любой точки, выбранной на участке BG диаграммы.
Укороченная диаграмма характерна для образцов, изготовленных из материала, в результате холодной обработки (ковки, штамповки, вытяжки) получившего деформационное или механическое упрочнение или наклеп (упрочнение материала). Его можно продемонстрировать, скручивая или многократно перегибая металлическую проволоку. Модуль упругости материала при этом практически не изменится, точки A и B на укороченной диаграмме окажутся намного выше, площадка текучести исчезнет. Это означает, что при наклепе повышаются прочностные свойства материала, но снижаются свойства пластичности и он становится ближе к хрупким материалам, у которых диаграмма испытаний очень короткая, так как образцы разрушаются при весьма малых остаточных деформациях.
Наклеп наблюдается не у всех материалов и даже не у всех металлов, таких, например, как свинец, олово и др. Явление наклепа широко используют в технике – упрочняют детали, подвергая их при изготовлении пластическому деформированию. Например, цепи и канаты подъемных машин подвергают предварительной вытяжке, чтобы устранить остаточные удлинения, которые могут возникнуть во время их работы. Аналогичной обработке подвергают также некоторые виды арматуры железобетонных конструкций, цилиндры гидравлических прессов, турбинные диски, пружины и другие элементы машин и механизмов.
Следует заметить, что после предварительной вытяжки металла в некотором направлении его механические свойства изменяются (металл наклепывается) при работе на растяжение только в том же направлении; при работе на сжатие в этом же направлении его свойства почти не изменяются. Последнее обстоятельство имеет большое значение для материала, который подвергается действию переменных напряжений.
В некоторых случаях явление наклепа является нежелательным. Например, оно встречается во многих технологических процессах – прокатке стержней, резании листового материала, штамповке тонкостенных изделий, пробивании отверстий в листах под заклепки и т.п. Для устранения вредного влияния наклепа материала обычно отжигают или удаляют ту часть материала, которая получила наклеп.
В зависимости
от характеристик пластичности материалы подразделяют на пластичные и хрупкие. К
хрупким относят материалы с малым относительным остаточным удлинением при разрыве
(
),
например чугун, бетон, стекло. Диаграмма растяжения хрупких материалов,
например чугуна, не имеет площадки текучести. Для хрупких материалов при испытании
на растяжение определяют в основном только предел прочности
.
Образец из хрупких материалов разрушается без образования шейки и зон сдвига. В
результате отрыва частиц на нем появляется поперечная трещина, способствующая
мгновенному разрушению (рис.19, б).
На поверхности излома видна крупнозернистая структура материала.
Считают, что источником хрупкого разрушения являются различного рода структурные (микроскопические трещины с острыми углами и др.) и возникающие в ходе деформации дефекты. Трещиноподобные дефекты в материале способствуют более быстрому процессу разрушения, так как создают увеличение (концентрацию) напряжений в углах трещины. Концентрация напряжений может появиться и в местах включений, например в сером чугуне около включений графита в виде чешуек. Чтобы избежать концентрации напряжений у таких включений графита, им придают шаровидную форму, что достигается модифицированием чугуна магнием и некоторыми другими элементами. Напряжения, возникающие около концентраторов напряжений, создают благоприятные условия для распространения трещины разрушения по всему сечению, перпендикулярному оси образца.
Деление материалов на пластичные и хрупкие вообще условно, так как механические свойства их зависят от состояния, обусловленного условиями эксплуатации. Пластичные материалы при низких температурах разрушаются хрупко, а хрупкие при высоких давлениях проявляют незаурядные свойства пластичности.
Пластические свойства металлического материала (в отличие от упругих свойств) можно изменять путем сплавления и термообработки. Так, предел текучести железа подобными методами можно повысить в 50 раз. Чистое железо переходит в состояние текучести уже при напряжениях порядка 40 МПа, тогда как предел текучести сталей, содержащих 0,5% углерода и несколько процентов хрома и никеля, после нагревания до 950°С и закалки может достигать 2000 МПа.
Для испытаний на сжатие изготавливают короткие образцы: для металлов - цилиндры с отношением высоты к диаметру в пределах 1,5...3, для других материалов - кубики (см. табл.4 и рис.1.29). Применение более длинных образцов недопустимо, так как такие образцы могут искривляться и тем самым искажать результаты испытаний. Следует обратить внимание на некоторую условность получаемых результатов из-за наличия сил трения в опорных поверхностях образца. Поэтому стараются ослабить влияние сил трения введением различных смазок (вазелин, солидол) и прокладок (тефлон, пропитанная парафином фильтровальная бумага) между торцовыми поверхностями образца и опорными плитами или использованием подкладок и образцов с конической поверхностью на торцах (рис.20, в). Углы конусности α подбирают так, чтобы tgα был равен коэффициенту трения. Помимо конусности, в образце делают центральное отверстие, устраняющее концентрацию напряжений у острия конуса (рис. 20, г).
Но полностью устранить контактные силы трения и обеспечить в течение всего испытания линейное напряженное состояние в образце не удается. Это принципиальный недостаток испытаний на сжатие.
Чем меньше отношение высоты образца к диаметру, тем сильнее
контактное трение влияет на результаты испытаний. С этих позиций следовало бы
проводить испытания на возможно более длинных образцах. Но при сжатии длинных
образцов трудно избежать их продольного изгиба. Как показывает опыт,
оптимальной для цилиндрического образца является величина отношения h0/d0 в пределах 1-3.
Для определения модуля нормальной упругости при сжатии,
пределов упругости и пропорциональности иногда используют плоские образцы в
виде пластин толщиной 2-5 мм, длиной 100 и шириной 20 мм. Они испытываются в
специальных приспособлениях, обеспечивающих их продольную устойчивость.

Рис.20.

Рис.21. Образцы для испытаний на сжатие
Схемы сжатия используют в технологических пробах для оценки
деформационной способности полуфабрикатов и изделий. Стандартизованы пробы на
осадку (ГОСТ 8817-73) и расплющивание (ГОСТ 8818-73). С их помощью по
появлению трещин определяют годность или негодность материала после деформации
сжатием на заданную величину.
Испытание на сжатие осуществляется обычно при помощи тех же испытательных машин с применением специальных приспособлений (реверсоров).
Образец закладывается между плитами испытательной машины и постепенно нагружается непрерывно возрастающей нагрузкой. При этом на диаграммном барабане машины вычерчивается диаграмма сжатия (рис. 22).
Скорость относительной деформации выбирают:
до предела текучести от 10-3 с-1 до 10-2 с-1,
за пределом текучести - не более 10-1 с-1,
для построения кривых упрочнения от 10-3 с-1 до 10-1 с-1.

Рис.22. Диаграммы сжатия различных
материалов
Результаты испытаний на сжатие зависят от условий проведения эксперимента. Практически очень трудно добиться приложения сжимающей силы точно по оси образца. Поэтому образец будет не только сжиматься, но и изгибаться. Чем длиннее образец, тем больше влияние изгиба (попробуйте сжать длинный и тонкий прутик). Для уменьшения влияния изгиба рекомендуется применять образцы, длина которых не более чем в два раза превышает их поперечные размеры. Применение слишком коротких образцов тоже нежелательно. При сжатии образца продольные размеры уменьшаются, а поперечные увеличиваются (по закону Пуассона).
Для пластичного материала (медь) диаграмма сжатия (рис.22) до предела текучести совпадает с диаграммой растяжения, однако ярко выраженной площадки текучести не наблюдается. После прохождения стадии текучести происходит быстрое возрастание деформаций, а увеличивающееся поперечное сечение образца становится способным выдержать все большую нагрузку. Образец принимает бочкообразную форму из-за наличия сил трения на торцах (рис.27, а) и может быть сплющен в тонкую пластинку без признаков разрушения, иногда даже без образования трещин. Поэтому в процессе испытания обычно определяют только предел пропорциональности.
Предел пропорциональности - напряжение, при котором отступление от линейной зависимости между нагрузкой и абсолютным укорочением образца достигает такого значения, при котором тангенс угла наклона, образованного касательной к диаграмме F-∆l в точке Fпц с осью нагрузок, увеличивается на 50% своего значения на линейном упругом участке.
Образец
нагружают непрерывно до напряжения, превышающего ожидаемое значение предела
пропорциональности
.
Предел пропорциональности определяют по диаграмме (рис.23) и используя формулу:
![]()

Рис.23. Диаграмма испытаний для определения предела пропорциональности при сжатии
Для
пластичных материалов модуль упругости Е, предел упругости
и предел текучести
при сжатии примерно те же, что и при
растяжении. Предел прочности при сжатии нельзя определить практически, т.к. образец
не разрушается, поэтому его принимают равным пределу
прочности при растяжении. Характеристики, аналогичные относительному удлинению
и относительному сужению при разрыве, при испытании на сжатие также получить
невозможно.
Если первоначально растянуть пластичный материал за предел текучести, а потом разгрузив сжать его, то наблюдается понижение величины предела текучести. Такое явление, называемое эффектом Баушингера, связано с анизотропным упрочнением материала, т.е. упрочнением, зависящим от направления нагружения.
Показатель деформационного упрочнения n - степенной показатель уравнений кривых упрочнения, характеризующий способность металла к упрочнению при равномерной пластической деформации.
Порядок испытаний. Нагружают образец до заданной нагрузки. Разгружают образец до нулевой нагрузки и измеряют конечный диаметр образца dк. Строят кривую упрочнения (рис.24 и рис.25).

Рис.24. Экспериментальная кривая
упрочнения в координатах ![]()

Рис.25. Экспериментальная кривая упрочнения в логарифмических координатах
Виды кривых упрочнения. Ход кривых упрочнения обусловлен главным образом природой металлов и сплавов (рис.26, 1-5), видом и режимом предварительной термической и пластической обработки (рис.26, 6-8).
1) Термически обработанные и горячекатаные углеродистые и легированные конструкционные и инструментальные стали, многие высоколегированные стали, железо, алюминий и его сплавы, медь и титан и большинство их сплавов, легкие металлы и ряд труднодеформируемых металлов и их сплавов (рис.26, 1).
2) Аустенитные стали, некоторые медные и титановые сплавы (рис.26, 2).
3) Цирконий и сплав на его основе цирколай-2 (рис.26, 3).
4) Цинк и его сплавы с алюминием в отожженном состоянии (кривая 2), закаленном и состаренном состоянии (кривая 1), а также некоторые алюминиевые сплавы при высоких степенях деформации (рис.26, 4).
5) Сверхпластичные материалы (рис.26, 5).
6) Различные пластичные сплавы, с предварительной обработкой давлением в холодном состоянии при небольших деформациях, причем направления нагрузок при предварительном и последующем деформировании противоположны (волочение + осадка) (рис.26, 6).
7) Предварительно деформированные в холодном состоянии сплавы с противоположным направлением нагрузок при предварительном и последующем деформировании, пластичные стали, латуни и бронзы с большими степенями предварительной деформации, стали средней и высокой прочности (рис.26, 7).
8) Стали и некоторые сплавы с предварительной обработкой в виде холодной пластической деформации, направление приложения нагрузки при обеих деформациях совпадает (рис.26, 8).


Рис.26. Типы кривых упрочнения
Хрупкие материалы (чугун, бетон, кирпич и др.) лучше сопротивляются сжатию, чем растяжению и поэтому они применяются для изготовления материалов, работающих на сжатие (к примеру у бетона предел прочности на сжатие раз в 10 больше предела прочности на растяжение). В силу чего хрупкие материалы применяются в основном в сжатых элементах конструкций, поэтому основным видом испытаний хрупких материалов является испытание на сжатие. Поэтому для их расчета на прочность необходимо знать механические характеристики, получаемые при испытании на сжатие.
Для чугуна
на диаграмме сжатия (рис.22) почти
отсутствует прямолинейный участок, т.е. закон Гука выполняется лишь приближенно
в начальной стадии нагружения. Разрушение происходит
внезапно при максимальной нагрузке
с появлением ряда наклонных трещин,
расположенных приблизительно под углом 45о к образующим боковой
поверхности образца, т.е. по линиям действия максимальных касательных
напряжений (рис.27, б). Предел
прочности при сжатии определяется по зависимости
![]()
Предел прочности чугуна на сжатие превышает предел прочности на растяжение в 4-5 раз и предел прочности на изгиб в 2 раза.
Следует заметить, что характер деформации и разрушения образца зависят от сил трения между торцами образца и опорными плитами испытательной машины. Путем периодической парафинной или графитовой смазки торцов можно устранить силы трения; при этом чугунный образец в течении всего испытания остается цилиндрическим и разрушается по плоскостям, параллельным диаметральной плоскости из-за недопустимо больших растягивающих деформаций.
При сжатии бетона (цементного раствора, камня), рост нагрузки сопровождается упругими деформациями вплоть до разрушения, что вообще свойственно для хрупких материалов. Характер разрушения образцов из бетона зависит от наличия сил трения между плитами машины и торцами образца. При их наличии, т.е., когда образец без смазки, разрушение происходит путем выкрашивания материала у боковых поверхностей в средней части образца, а трещины образуются под углом 45о к линии действия нагрузки (рис.27, в). При сжатии образца со смазанными торцами разрушение имеет вид продольных трещин, т.е. материал расслаивается по линиям, параллельным действию сжимающей силы (рис.27, г). Сравнение механических характеристик бетона показывает, что предел прочности при сжатии в 10-20 раз превышает предел прочности при растяжении.
При испытании на сжатие образцов из дерева, имеющего волокнистую структуру, ярко проявляются его анизотропные свойства. Так при сжатии дерева вдоль волокон образец претерпевает небольшие остаточные деформации, могут образовываться поперечные складки и продольные трещины, а разрушение возникает вследствие сдвига одной части образца относительно другой (рис.27, д). При сжатии поперек волокон после достижения некоторой нагрузки кубик продолжает деформироваться почти без увеличения сжимающей силы, подвергается прессованию (рис.27, е) и не всегда можно точно определить нагрузку, соответствующую началу разрушения. Поэтому предел прочности условно определяют при нагрузке, когда образец сжимается на одну треть от своей первоначальной высоты. Так для сухой древесины (с влажностью равной 15% при температуре 20оС) предел прочности на сжатие вдоль и поперек волокон отличается в 8-10 раз. Предел прочности на растяжение больше предела прочности на сжатие примерно в 2 раза.
При расчете конструкций необходимо учитывать особенности сопротивления растяжению и сжатию пластичных и хрупких материалов.

а) в) д)

б) г) е)
Рис.27. Характер разрушения различных материалов при сжатии
а - медь; б - чугун; в, г - бетон без и со смазкой торцов;
д, е - дерево вдоль и поперек волокон соответственно
Применение испытаний на изгиб обусловлено широкой распространенностью этой схемы нагружения в реальных условиях эксплуатации и большей ее мягкостью по сравнению с растяжением, что дает возможность оценивать свойства материалов, хрупко разрушающихся при растяжении. ГОСТ 14019-2003 «Методы испытаний на изгиб» устанавливает метод определения способности металлических материалов выдерживать пластическую деформацию при изгибе при температуре 10…35°С. Испытание на изгиб заключается в пластической деформации образца путем изгиба без изменения направления действия силы до достижения заданного угла изгиба.
Испытания на изгиб удобны для оценки температур перехода
из хрупкого состояния в пластичное. При испытаниях на
изгиб применяют две схемы нагружения образца,
лежащего на неподвижных опорах:
1. нагрузка прикладывается сосредоточенной силой на середине
расстояния между опорами;
2. нагрузка прикладывается в двух точках на одинаковом
расстоянии от опор.
Экспериментально первую схему реализовать гораздо проще,
поэтому она и нашла наибольшее распространение. Следует учитывать, что вторая
схема «чистого изгиба» во многих случаях обеспечивает более надежные результаты,
поскольку здесь максимальный изгибающий момент возникает на определенном участке
длины образца, а не в одном сечении, как при использовании первой схемы.
В изгибаемом образце создается неоднородное
напряженное состояние, зависящее от геометрии образца и способа нагружения. При чистом изгибе узких образцов с
прямоугольным сечением напряженное состояние в каждой точке можно считать
линейным. В широких образцах (с отношением ширины к высоте сечения более трех)
при обеих схемах изгиба создается двухосное напряженное состояние из-за
затруднения поперечной деформации. Нижняя часть образца
оказывается растянутой, верхняя - сжатой. К тому же напряжения,
связанные с величиной изгибающего момента, различны по длине и сечению
образца. Максимальные напряжения возникают вблизи поверхности. Все это
затрудняет оценку средних истинных напряжений и деформаций, строго
характеризующих механические свойства при изгибе.
Образцы для испытаний на изгиб не имеют
головок. Это еще одно преимущество по сравнению с растяжением, так как
изготовление образцов с головками, особенно из хрупких материалов, значительно
сложнее. На изгиб испытывают прямоугольные или цилиндрические стержни. Для
определения свойств отливок из чугуна используют цилиндрические образцы
диаметром 30±1 и длиной 340 или 650 мм (при растяжении между опорами 300
и 600 мм соответственно). Для исследовательских целей испытания на изгиб обычно
ведут на цилиндрических образцах с d0 = 2-10 мм и
расстоянием между опорами l > d0 или плоских образцах с высотой b=1-3, шириной h=3-15 мм и t≥10h. Для оценки характеристик конструкционной прочности
рекомендуется применять образцы большого сечения до 30×30 мм.
Испытания на изгиб можно проводить на любой универсальной испытательной машине, используемой для испытаний на растяжение. Образец устанавливают на опорную плиту в нижнем захвате и деформируют изгибающим ножом, крепящимся в верхнем захвате машины. Для уменьшения трения опоры, на которых лежит образец, часто делают из роликоподшипников. Образец изгибается при опускании верхнего или подъеме нижнего захвата.
Простота испытания на изгиб и наглядность получаемых при
этом характеристик пластичности привели к разработке ряда технологических проб,
которые применяются в заводских условиях. Задача всех этих проб — оценить
пластичность деформированных полуфабрикатов, отливок и изделий (листов, труб,
проволоки и др.). ГОСТ 14019-2003 «Методы испытаний на изгиб» предусматривает
изгиб сосредоточенной силой плоских образцов из проката, поковок и отливок,
помещаемых на две опоры. Критерием годности продукции может быть: а) заданный
угол загиба образцов β (см. рис. 28, б) появление
первой трещины после загиба на угол β, равный или больший
заданного; в) возможность загиба пластины до параллельности (см. рис. 28, в) или соприкосновения сторон (см.
рис. 28, г). Существуют также пробы на перегиб листа, ленты и проволоки, в
которых фиксируют заданное число перегибов либо количество перегибов, после
которых появились трещины или образец разрушился.
При испытании всеми способами изгибающее усилие должно прилагаться постепенно, чтобы обеспечить свободное пластическое течение металла.

Рис.28. Технологическая проба на изгиб: а – образец перед испытанием; б – загиб до определенного угла;
в – загиб до параллельности сторон; г
– загиб до соприкосновения сторон.
Испытание пластмасс производится в основном на растяжение. Образцы для опытов формуются или штампуются. Только при использовании волокнистых или слоистых пластмасс они вытачиваются. Диаграммы термопластов, получающих в процессе формования обратимые свойства, напоминают диаграммы пластичных материалов. Диаграммы реактопластов, при отвердении получивших необратимые свойства, ближе к диаграммам хрупких материалов. Реактопласты обладают более высокой прочностью и жесткостью. Свойства пластмасс в значительной степени зависят от наполнителей.
На практике часто возникает необходимость оценить механические свойства не материала, а готовой детали. При изготовлении детали свойства материала могут значительно измениться, например, после термообработки. Так как вырезать из детали образец для испытаний, как правило, невозможно, используют косвенный способ оценки предела прочности материала детали по его твердости.
ГОСТ 9454-78 «Метод испытания на ударный изгиб при пониженных, комнатной и повышенных температурах» распространяется на черные и цветные металлы и сплавы и устанавливает метод испытания на ударный изгиб при температуре от -100 до 1200°С.
Метод основан на разрушении образца с концентратором посередине одним ударом маятникового копра. В результате испытания определяют полную работу удара или ударную вязкость.
Под ударной вязкостью следует понимать работу удара, отнесенную к начальной площади поперечного сечения образца в месте концентратора.
Образцы
для испытания.
Рис.29. Образец с концентратором вида U
Образец с концентратором вида V (рис.30) - для конструкций повышенной степени надежности (летательные аппараты, транспортные средства, трубопроводы, сосуды давления).

Рис.30. Образец с концентратором вида V
Образец с концентратором вида Т (усталостная трещина) (рис.31) - для особо ответственных конструкций, для эксплуатации которых оценка сопротивления развитию трещины имеет первостепенное значение. При исследовании причин разрушения ответственных конструкций.

Рис.31. Образец с концентратором вида Т
Испытательное оборудование. Для испытаний используются маятниковые копры - по ГОСТ 10708 (рис.32). Скорость движения маятника в момент удара 3-5 м/с; номинальная потенциальная энергия маятника от 5 до 300 Дж (0,5-30 кгс∙м). Также должен присутствовать термостат, обеспечивающий равномерное охлаждение или нагрев.

Рис.32. Опоры и нож маятника
Подготовка к испытанию. Для обеспечения требуемой температуры испытания образцы перед установкой на копер должны быть переохлаждены (при температуре испытания ниже комнатной) или перегреты (при температуре испытания выше комнатной). Степень переохлаждения или перегрева должна обеспечивать требуемую температуру испытания.
Проведение испытания. Испытание должно проводиться при ударе маятника со стороны, противоположной концентратору, в плоскости его симметрии. Работу удара определяют по шкале маятникового копра или аналоговых отсчетных устройств.
Обработка результатов. За результат испытания принимают работу удара или ударную вязкость для образцов с концентраторами видов U и V и ударную вязкость для образцов с концентратором вида Т.
KV-40 50/2/2 - работа удара, определенная на образце с концентратором вида V при температуре минус 40°С. Максимальная энергия удара маятника 50 Дж, глубина концентратора 2 мм, ширина образца 2 мм.
KCU (KCV) - ударная вязкость, определенная на образце с концентратором вида U (V) при комнатной температуре. Максимальная энергия удара маятника 300 Дж, глубина концентратора 2 мм, ширина образца 10 мм.
Ударную вязкость (КС) в Дж/см2 (кгс∙м/см2) вычисляют по формуле
![]()
где К - работа удара, Дж (кгс∙м);
S0 - начальная площадь поперечного сечения образца в месте концентратора, см2.
ГОСТ 3565-80 «Метод испытания на кручение» распространяется на черные и цветные металлы и сплавы, а также на изделия из них и устанавливает методы статических испытаний на кручение при температуре 10…35°С для определения характеристик механических свойств и характера разрушения при кручении. По результатам испытания образцов на кручение производят определение следующих механических характеристик:
- модуля сдвига,
- предела пропорциональности,
- предела текучести,
- предела прочности (условного и истинного),
- максимального остаточного сдвига,
- характера разрушения (срез или отрыв).
Испытательное оборудование.
Для испытания на кручение может быть использована испытательная машина, которая обеспечивает:
- свободное кручение образцов без каких-либо дополнительных нагрузок;
- центрирование образца в захватах с несоосностью не более 0,1 мм на каждые 100 мм;
- плавность статического нагружения;
- свободное перемещение одного из захватов вдоль оси образца;
- измерение угла закручивания с погрешностью, не превышающей ±1°.
Образцы для испытания. Применяют цилиндрические образцы с диаметром в рабочей части 10 мм и с расчетной длиной 100 и 50 мм, с головками на концах для закрепления в захватах испытательной машины. Шероховатость поверхности рабочей части должна соответствовать Rа < 0,63 мкм.
Проведение
испытания и обработка результатов.
Модуль сдвига - отношение касательного напряжения к упругой угловой деформации в точке. Для его определения нагружение образца осуществляют равными ступенями таким образом, чтобы напряжения в образце не превышали предела пропорциональности, и регистрируют на каждой ступени нагружения углы закручивания образца на его расчетной длине. Время регистрации угла закручивания не должно превышать 10 с.
Модуль сдвига при кручении (G) в МПа (кгс/мм2) вычисляют по формуле
![]()
Модуль сдвига при кручении может быть также определен по тангенсу угла наклона прямолинейного участка диаграммы деформации, соответствующего упругому деформированию.
Предел пропорциональности - касательное напряжение в периферийных точках поперечного сечения образца, вычисленное по формуле для упругого кручения, при котором отклонение от линейной зависимости между нагрузкой и углом закручивания достигает такой величины, что тангенс угла наклона, образованного касательной к кривой деформации и осью нагрузок, увеличивается на 50% своего значения на линейном участке. Далее догружают образец вначале большими, а затем малыми ступенями, отмечая после каждой ступени нагружения угловую деформацию. Испытание прекращают, когда угловая деформация от нагружения на малую ступень превысит не менее чем в два раза среднее значение угловой деформации, полученное на предыдущих ступенях нагружения на линейном участке (рис.33).
Деформацию до предела пропорциональности считают упругой, а за пределом пропорциональности - остаточной.
Рис.33. Нахождение предела пропорциональности при кручении
Предел пропорциональности при
кручении (
)
в МПа (кгс/мм2) вычисляют по формуле
![]()
Предел
текучести при кручении - касательное напряжение, вычисленное по формуле для
упругого кручения, при котором образец получает остаточный сдвиг, равный 0,3%. Вычисляют относительный сдвиг (
)
в процентах по формуле
![]()
Продолжают нагружение образца за пределом пропорциональности до тех
пор, пока не будет достигнут угол закручивания
,
соответствующий значению
+0,3% и фиксируют нагрузку
,
соответствующую пределу текучести (рис.34).

Рис.34. Нахождение предела текучести при кручении
Предел текучести при
кручении
в МПа (кгс/мм2)
вычисляют по формуле
![]()
Условный предел прочности при кручении -
касательное напряжение, равное отношению наибольшего момента при кручении,
предшествующего разрушению, к полярному моменту сопротивления сечения образца
для испытания. Для его определения устанавливают и закрепляют образец в
захватах испытательной машины и нагружают до разрушения, фиксируя разрушающую
нагрузку
.
Одновременно регистрируют максимальный угол закручивания.
Условный предел прочности при кручении (
)
в МПа (кгс/мм2) вычисляют по формуле
![]()
Истинный предел прочности при кручении - наибольшее истинное касательное напряжение при разрушении образца, вычисленное с учетом перераспределения напряжений при пластической деформации. Для его определения нагружают образец до появления пластических деформаций. Далее ступенчато догружают образец до разрушения.
Вычисляют относительные углы закручивания (
)
в рад/мм:
![]()
Истинный предел прочности
при кручении (
)
в МПа (кгс/мм2) вычисляют по формуле
![]()
где
-
величина, определяемая графически.
Максимальный остаточный сдвиг при кручении - максимальная угловая деформация в точке на поверхности образца для испытаний в момент разрушения.
![]()
если величина сдвига не превышает 0,1 рад. При большей деформации максимальный остаточный сдвиг определяют по формуле
![]()
Допускается выражать
в процентах, путем умножения подсчитанной
величины на 100.
ГОСТ 10145-81 «Метод испытания на длительную прочность» устанавливает метод испытания на длительную прочность черных и цветных металлов и сплавов при температуре до 1200°С.
Сущность метода заключается в доведении образца до разрушения под действием постоянной растягивающей нагрузки при постоянной температуре.
В результате испытаний определяют:
1. предел длительной прочности - напряжение, вызывающее разрушение металла за определенное время при постоянной температуре;
2. время до разрушения при заданном напряжении.
Образцы
для испытания и испытательное оборудование.
- цилиндрический образец диаметром 5-10 мм с начальной расчетной длиной 25-100 мм, Rа=0,63;
- плоские, толщина определяется толщиной проката, Rа=1,25-2,5.
Технические требования к машинам для испытания металлов на длительную прочность должны соответствовать ГОСТ 15533-80.
Проведение
испытания и обработка результатов.
Образец, установленный в захватах испытательной машины и помещенный в печь, нагревают до заданной температуры (время нагрева не более 8 часов) и выдерживают при этой температуре не менее 1 часа. Для измерения температуры образцов на концах их рабочей части должно быть установлено не менее двух термопар. После нагрева образца и выдержки при заданной температуре к образцу плавно прикладывают нагрузку. Время до разрушения при заданной величине напряжения, т.е. нагрузки, отнесенной к начальной площади поперечного сечения образца, является основным показателем данного вида испытания.
В результате испытаний устанавливается зависимость между напряжением и временем до разрушения. Число уровней напряжений должно быть не менее трех.
- условное
обозначение предела длительной прочности за 1000 часов испытания при
температуре 700°С.
ГОСТ 3248-81 «Метод испытания на ползучесть» устанавливает метол испытания на ползучесть черных и цветных металлов и сплавов при температуре до 1200°С.
Сущность метода состоит в том, что образец подвергается воздействию постоянной растягивающей нагрузки и постоянной температуры при фиксировании деформации образца во времени.
В результате испытания определяют предел ползучести материала, т.е. напряжения, при котором скорость или деформация ползучести за определенный промежуток времени не превышает заданной величины.
Образцы
для испытания.
Применяют цилиндрические образцы диаметром 10 мм, с расчетной длиной 100, 150 и 200 мм (Ra=0,4).
Образцы можно применять двух видов:
- с обработанной поверхностью;
- с сохранением поверхностного слоя (образцы из листового проката или изготовленные методом точного литья).
Проведение
испытания и обработка результатов.
Образец, установленный в захватах испытательной машины и помещенный в печь, нагревают до заданной температуры (время нагрева должно быть не более 8 ч).
Для измерения температуры на образцах с расчетной длиной до 100 мм включительно должно быть установлено не менее двух термопар, а на образцах с расчетной длиной свыше 100 мм не менее трех термопар, распределенных равномерно по всей расчетной длине.
После нагрева образца и выдержки при заданной температуре к образцу плавно прикладывают предварительную нагрузку, равную приблизительно 10% от заданной общей нагрузки, но при этом напряжение в образце должно быть не более 10 МПа.
В случае определения предела ползучести по скорости ползучести продолжительность испытания должна составлять не менее 2000 - 3000 ч, при условии продолжительности прямолинейного участка кривой ползучести не менее 500 ч.
После окончания испытания образец разгружают до величины предварительной нагрузки и определяют абсолютную величину остаточного удлинения.
Результаты испытаний представляют в виде кривых ползучести в координатах «относительное удлинение (т.е. деформация ползучести) - время», по которым затем определяют напряжение, соответствующее условному пределу ползучести материала.
Условный предел ползучести - напряжение, которое вызывает за установленное время испытания при данной температуре заданное удлинение образца (суммарное или остаточное) или заданную скорость ползучести на прямолинейном участке кривой ползучести.
Определение условного предела ползучести проводят следующим образом:
1. Испытывают серию образцов при данной температуре и трех - четырех уровнях напряжений.
2. На основе кривых ползучести определяют среднее значения суммарного и упругого удлинения, скорости ползучести на прямолинейном участке каждого уровня напряжений, строят диаграммы зависимости между напряжением и удлинением или между напряжением и средней равномерной скоростью ползучести. По этим диаграммам находят искомое напряжение.
3. Строят диаграмму зависимости между условным пределом ползучести и временем (рис.35), на которой:
δн - удлинение при нагружении;
δп - полное (упругое + остаточное удлинение на криволинейном участке);
δс - суммарное (упругое + остаточное) удлинение за время испытания;
δу - упругое удлинение;
δо - остаточное удлинение

Рис.35. Нахождение предела ползучести
Пример условного обозначения величины деформирования предела ползучести σ при допуске на деформацию 0,2% за 100 ч испытания при температуре 700°С:
![]()
При скорости ползучести 1∙10-5%/час при температуре 600°С:
![]()
ГОСТ 25.502-79 «Методы испытаний на усталость» устанавливает методы испытаний образцов металлов и сплавов на усталость:
- при растяжении - сжатии, изгибе и кручении;
- при симметричных и асимметричных циклах напряжений или деформаций, изменяющихся по простому периодическому закону с постоянными параметрами;
- при наличии и отсутствии концентрации напряжений;
- при нормальной, повышенной и пониженной температурах;
- при наличии или отсутствии агрессивной среды;
- в много- и малоцикловой упругой и упругопластической области.
Образцы для испытания (рис.36).
Ra =0,32-0,16.


Рис.36. Типы образцов
Испытательное
оборудование.
Аппаратура, используемая при испытаниях на усталость, должна воспроизводить нагрузки по следующим схемам (рис.37):
- Чистый изгиб при вращении

- Поперечный изгиб при вращении при консольном нагружении

- Чистый изгиб в одной плоскости

- Поперечный изгиб в одной плоскости при консольном нагружении

- Повторно-переменное растяжение-сжатие

- Повторно-переменное кручение

Рис.37. Схемы нагружения
Проведение
испытания.
Испытания на многоцикловую
усталость.
Основными критериями разрушения являются полное разрушение или появление макротрещин заданного размера.
База испытаний для определения пределов выносливости принимается:
107 циклов - для металлов и сплавов, имеющих практически горизонтальный участок на кривой усталости;
108 циклов - для легких сплавов и других металлов и сплавов, ординаты кривых усталости которых по всей длине непрерывно уменьшаются с ростом числа циклов.
Испытания при повышенной и пониженной
температурах.
Проводят при тех же видах деформации и тех же образцах, что и при нормальной температуре.
Испытания в условиях агрессивной среды.
Проводят при тех же видах деформации и на тех же образцах, что и при отсутствии агрессивной среды. Образец должен непрерывно находиться в газовой или жидкостной агрессивной среде.
По результатам испытаний на усталость производят:
- построение кривой усталости и определение предела выносливости, соответствующих вероятности разрушения 50% (рис.38);
- построение диаграмм предельных напряжений и предельных амплитуд;
- построение кривой усталости в малоцикловой области;
- построение диаграмм упругопластического деформирования и определение их параметров;
- построение кривых усталости по параметру вероятности разрушения;
- определение предела выносливости для заданного уровня вероятности разрушения;
- определение среднего значения и среднего квадратического отклонения логарифма долговечности на заданном уровне напряжений или деформаций;
- определение среднего значения и среднего квадратического отклонения предела выносливости.

Рис.38. Кривые усталости при жестком и мягком нагружении

Рис.39. Зависимость амплитуды пластических деформаций от числа полуциклов нагружения
а - для циклически разупрочняющегося материала; б - для циклически стабилизирующегося материала;
в - для циклически упрочняющегося материала
Построение
семейства кривых усталости по параметру вероятности разрушения.
Для построения семейства кривых усталости испытания проводят на четырех-шести уровнях напряжения.
Минимальный уровень следует выбирать так, чтобы до базового числа циклов разрушались примерно от 5 до 15% образцов. На следующем уровне напряжения должно разрушиться 40-60% образцов.
Максимальный уровень напряжения выбирают с учетом требования на протяженность левой ветви кривой усталости (N ≥ 5∙104 циклов). Оставшиеся уровни распределяют равномерно между максимальным и минимальным уровнями напряжений.
Результаты испытаний для каждого уровня напряжения располагают в вариационные ряды, на основании которых строят семейство кривых распределения долговечности в координатах Р-N.
Задают значения вероятности разрушения и на основании кривых распределения долговечности строят семейство кривых усталости равной вероятности (рис.40).

1 – P = 1%, 2 – Р = 10%, 3 – Р = 30%, 4 – Р = 50%, 5 – Р = 70%, 6 – Р = 90%, 7 – Р = 99%
Рис.40. Кривые усталости для различных вероятностей разрушения
ГОСТ 25.505-85 «Метод испытаний на малоцикловую усталость при термомеханическом нагружении» устанавливает методы испытаний на усталость металлов и сплавов при простых видах деформирования (растяжение-сжатие) в малоцикловой упругопластической области до 105 циклов при малоцикловых термомеханических нагружениях в условиях повышенных температур до 1100°С на воздухе.
В качестве основных приняты методы испытания при независимом нагружении и нагревании (термомеханическая усталость), а также при нагружении стеснением тепловых деформаций (термоусталость).
Сущность методов состоит в получении основных расчетных характеристик до образования макротрещин.
Малоцикловая усталость при термомеханическом нагружении - разрушение в результате циклического упругопластического деформирования, сопровождаемого изменением температуры.
Малоцикловая термическая усталость - частный случай малоцикловой термомеханической усталости, при котором нагружение обусловлено стеснением тепловых деформаций при циклическом нагреве-охлаждении.
Образцы для испытания.
Основными типами образцов являются гладкие образцы с рабочей частью круглого сечения (рис.41):
Рис.41. Типы образцов
Машины и аппаратура для испытаний должны соответствовать требованиям ГОСТ 9651-84 и ГОСТ 28840-90 и воспроизводить нагружение (деформирование) и нагрев в следующих условиях:
- постоянство от цикла к циклу максимальных и минимальных нагрузок (мягкое нагружение), деформаций (жесткое нагружение) и температуры в течение всего процесса испытаний (рис.42, а-г);
- заданный закон изменения нагрузок, деформаций и температуры в цикле, в том числе линейный (рис.42, а-г, рис.42, а-г), с выдержками и без выдержек (рис.42, д-з) и при различной асимметрии цикла (рис.42, б, г) в диапазоне частот, позволяющем исследовать эффекты длительного и кратковременного циклического нагружения;
- синхронизированный с режимом нагружения нагрев по заданной программе, в том числе независимой от программы нагружения с различной фазой циклов нагружения и нагрева (рис.43, а-г);
- статическое нагружение с заданными скоростями деформирования и нагружения при заданном температурном режиме.
Машины для испытаний на термическую усталость должны иметь варьируемую жесткость в пределах 60-300 кН/мм.

Рис.42. Режимы нагружения

Рис.43. Примеры изменения напряжений (деформаций)
и температуры при термомеханическом нагружении
Для нагрева образцов используют нагревательные печи сопротивления, ламповые нагреватели, стержневые нагреватели из тугоплавких и жаропрочных материалов, непосредственно пропускание тока через образец, индукционный способ (токами высокой частоты, наведенными в образце) и др.
Проведение
испытания и обработка результатов.
Основным видом испытаний является растяжение-сжатие, основным типом нагружения - жесткое нагружение.
Форму цикла нагружения и нагрева выбирают с учетом эксплуатационных условий, причем максимальная продолжительность испытания должна быть не менее 10% эксплуатационного временного ресурса.
Иногда сочетают режимы нагружения и нагрева, что дает наибольший повреждающий эффект. При этом определяют эффекты знака напряжений при высокотемпературной выдержке (рис.42, д-е) и роль фазы циклов нагружения и нагрева (рис.43, а-г).
Испытания проводят до момента образования поверхностной трещины размером 5-10% от диаметра образца.
Допускается проводить испытания до окончательного разрушения без фиксации появления трещины, когда стадия распространения трещины на заданном режиме не превышает 10% общей долговечности.
Для исследования кинетики упругопластического деформирования осуществляется поцикловая запись диаграмм деформирования с компенсацией температурной деформации.
По результатам испытаний строят:
- кривые усталости по параметрам:
1. фазы циклов нагружения и нагрева,
2. максимальной и минимальной температуры цикла,
3. частоты нагружения,
4. длительности одно- и двухсторонней выдержки,
5. асимметрии цикла нагружения по напряжениям и деформациям;
- кривые изменения деформаций и напряжения во времени и по числу циклов, а также диаграммы упругопластического деформирования и определяют их параметры (рис.44).
Рис.44. Основные параметры диаграммы цилиндрического деформирования
Под твердостью материала понимают его способность оказывать сопротивление проникновению в него другого, более твердого тела – индентора. Метод испытания на твердость относится к неразрушающим методам контроля материала. Для целого ряда материалов установлена корреляционная связь твердости с прочностью, поэтому на практике для определения предела прочности пользуются определением числа твердости, что в ряде случаев имеет свои преимущества. Они могут быть использоваться вне лаборатории. Просто, легко и быстро, без повреждения детали (конструкции), даже с многократной повторностью можно определить твердость, а по ней прочность. И хотя характеристики твердости не используются непосредственно при расчете конструкций, они нашли широкое применение для оценки свойств материала.
Для определения твердости металлов используют несколько способов испытания. Наибольшее применение получили методы определения твердости по Бринеллю (HB), Роквеллу (HR) и Виккерсу (HV). Во всех случаях о величине твердости судят по величине полученного отпечатка. Различие заключается в виде используемого индентора и уровня прикладываемой к нему нагрузки. Выбор метода часто определяется твердостью испытываемого материала. В испытаниях по Бринеллю в поверхность испытываемой детали вдавливается стальной шарик. Число твердости HB равно отношению силы вдавливания шарика P к площади поверхности полученного отпечатка (рис.45). При определении твердости стали используется закаленный шарик диаметром D=10 мм при силе P=30 кН.
![]()

Рис.45
Метод Бринелля применяется для металлов и сплавов, твердость которых не превышает 450 единиц. При большей твердости испытываемого материала наблюдается деформация индентора (шарика), что приводит к искажению получаемых результатов. Для сталей существует связь между числом твердости и временным сопротивлением, выражаемая следующим образом:
![]()
Аналогичная пропорциональная связь существует и для цветных металлов.
По методу Роквелла в поверхность исследуемой детали вдавливается алмазный конус с углом при вершине 120° или стальной шарик диаметром 1,588 мм (1/16’’). При нагрузках 60 и 150 кгс в качестве индентора используется алмазный конус, и определяемая твердость обозначается соответственно HRA и HRC. При нагрузке 100 кгс в качестве индентора используется стальной шарик. Определяемая при этом твердость обозначается HRB. Выбор индентора и нагрузки связан в основном с твердостью испытываемого материала. Мерой твердости является глубина проникновения индентора, которая выражается в условных отвлеченных единицах.
В испытаниях
по Виккерсу производится вдавливание в испытываемый
объект алмазного наконечника, имеющего форму квадратной пирамиды с углом между
противоположными гранями 1360. Число твердости по Виккерсу определяется делением нагрузки P в кгс на площадь боковой поверхности получившегося
пирамидального отпечатка A в мм2.
Применяются нагрузки 5, 10, 20, 30, 50 и 100 кгс. Нагрузка выбирается в
зависимости от толщины и твердости испытываемого материала. С помощью оптической
системы с большой точностью измеряется диагональ отпечатка d. Далее по
таблицам находят число твердости или подсчитывают по формуле
.
Для этого метода, отличающегося высокой точностью измерения диагонали отпечатка,
очень важна чистота поверхности образца, которая должна быть достаточно
высокой. Важную роль играет также время выдержки под нагрузкой. При обозначении
числа твердости по Виккерсу обязательно указывается
время выдержки, например, 540HV20/30 обозначает число
твердости 540, полученной при нагрузке 20 кгс, действующей в течение 30 сек.
Определение твердости по Виккерсу является более совершенным, чем определение ее методами Бринелля и Роквелла. К числу основных преимуществ указанного метода следует отнести: полное геометрическое подобие отпечатков в зависимости от прилагаемой нагрузки, т.е. независимость измеренной твердости от величины используемой нагрузки при испытании; возможность определения твердости на азотированных, цементированных поверхностях, а также на тонких листовых материалах; хорошее совпадение значений твердости по Виккерсу и Бринеллю в пределах 100-450 единиц.
Универсальные испытательные машины применяют также
для усталостных испытаний наряду со специальными усталостными машинами. Обычно
для малых нагрузок (до 10 т) используют электрическое нагружение
шариковинтовой парой. Наибольшее распространение
получили гидравлические УИМ с сервоуправлением.
Схема, приведенная на рисунке 46, дает представление о принципах управления
испытаниями с обратной связью по силе, перемещению или деформации.
Измерительные усилители передают от тензодинамометра,
индуктивного датчика перемещений или тензоэкстензометра
сигнал в селектор обратной связи (универсальный усилитель-регулятор), в котором
сравниваются заданные значения силы, перемещения или деформации с фактическими,
полученными от первичных преобразователей. Разность аналогового сигнала
усиливается, и рассогласующая величина подается на сервоклапан управления – распределитель гидроцилиндра для
отслеживания поправки. Заданные значения передает на селектор генератор функций
и задатчик. В качестве универсального
программирующего устройства применяют микро- и миниЭВМ.
Аналого-цифровые и цифроаналоговые преобразователи имеют несколько выходов и
входов в интерфейс (устройство связи с ЭВМ). С измерительных усилителей
информация о параметрах также подается на устройства регистрации и считывания.
При работе с ЭВМ используются печатающий терминал и другие устройства.

Рис. 46. Блок-схема сервогидравлической УИМ: 1 – тензодинамометр; 2 – экстензометр; 3 – датчик перемещений; 4 – измерительные усилители;
5 – селектор обратной связи; 6 – усилитель; 7 – задатчик формы цикла; 7а – генератор функции; 8 – программатор; 9 – цифровой индикатор;
10 – осциллограф или графопостроитель; 11 – интерфейс с АЦП и ЦАП; 12 – программирующие часы; 13 – сегмент-генератор; 14 – интерфейс связи;
15 – ЭВМ (процессор); 16 – внешняя память с управлением; 17 – печатающий терминал
Стенды для статических испытаний внутренним давлением проектируют, основываясь на пневматическом или гидравлическом принципах. Для кратковременных испытаний давление подают из баллонов со сжатым воздухом через ресивер. Системы могут быть снабжены сервоклапаном и программным устройством (рис. 47). Для длительных испытаний, например повторно-статических, используют пневмосистемы с компрессорами. В качестве датчика обратной связи и регистратора процесса применяют электроконтактные манометры, индуктивные датчики давления, тензорезисторные манометры. При проведении усталостных испытаний трубопроводов, патрубков, баков и других элементов топливных, гидравлических и пневматических систем машин используют, как правило, стенды с гидравлическим нагруженнием пульсирующим давлением и электронным задатчиком сигналов с изменяемой частотой и формой цикла.

Рис. 47.
Схема пневматического нагружения давлением с обратной
связью: 1 – датчик
давления; 2 – пневмосервоклапан;
3 – регулятор давления; 4 – система баллонов и компрессор;
5 – блок сервоуправления; 6 –
усилитель; 7 – программатор; 8 – устройство записи процесса
В зависимости от целей и объектов испытаний, а также рабочей частоты процесса усталостные машины с программным нагружением строят с электромеханическим и резонансным возбуждением; на них осуществляют блочные, бигармонические и стационарные случайные спектры нагружения.
Схема устройства (рис. 48), успешно работающего непрерывно более 5 лет при испытании сложных сварных патрубков, содержит задатчик сигналов с плавно регулируемой частотой 0,1–20 Гц и счетчиком циклов, маслонасосную станцию. Четыре гидроклапана с электрическим управлением подают давление в полость патрубка попарно, навстречу друг другу от сигналов задатчика, отрегулированных по времени (частоте). Развертку цикла и давление контролируют на осциллографе по сигналу индуктивного датчика давления и стандартной усиливающей аппаратуры. Частота испытаний зависит от суммарного объема рабочей жидкости в полостях образцов, мощности маслонасосной станции (МНС) и диаметра проходных сечений гидропроводов и кранов.

Рис. 48. Схема испытания пульсирующим давлением тонкостенных патрубков: 1 – объект испытания; 2 – манометры;
3 – задатчик сигналов на катушки гидроклапанов; 4 – гидроклапаны; 5 – гидронасос; 6 – клапан сброса давления;
7 – сигнализатор давления; 8 – датчик давления индукционного типа; 9 – усилитель; 10 – осциллограф
Стенды для испытания больших объектов при статическом и усталостном нагружений проектируют в виде замкнутых пространственных рам, связанных с силовым полом и потолком лаборатории, широко применяют также портальные системы для испытания, например, самолетов, которые устанавливают не только в залах лабораторий, но и на открытых площадках. Нагружение распределенными и сосредоточенными силами осуществляют с помощью гидроцилиндров и рычажных систем, крепление которых к объекту выполняют ложементами и тягами. В области распределенных нагрузок на поверхность приклеивают систему брезентовых лямок, каждая из которых может передать нагрузку до 1,5 кН. Одним из требований к системе испытаний является возможность приложения знакопеременных нагрузок.
Управление многоканальными системами нагружения осуществляют с помощью электронных и сервогидравлических устройств с использованием управляющей миниЭВМ. Схема типичной многоканальной системы нагружения на 20 каналов показана на рисунке 49.
При создании новых устройств для испытательной техники необходим анализ существующих систем и элементов, которые должны быть приняты как прототипы. Рассмотрим один характерный объект универсальной испытательной системы (машины) – тензодинамометр. Стержневые, цилиндрические и кольцевые (изгиб в плоскости) упругие элементы не обладают одинаковыми упругими характеристиками на растяжение и сжатие. Для кольца, нагруженного в плоскости, вследствие геометрической изменяемости, различие деформаций при растяжении и сжатии особенно заметно. Естественно, для деформаций одного знака эти элементы могут быть применены.

Рис. 49. Блок-схема многоканальной системы сервогидравлического нагружения с управлением от миниЭВМ: 1 – гидроцилиндры; 2 – сервоклапаны;
3 – тензодинамометры; 4 – датчики перемещений; 5 – гидроблок-распределитель с фланцами; 6 – гидроагрегат; 7 – пусковое устройство;
8 – мотор-генератор питания электронных устройств; 9 – модульная система аналоговых усилителей; 10 – АЦП и ЦАП; 11 – программируемые часы;
12 – устройство связи с ЭВМ; 13 – миниЭВМ; 14–16 – устройства быстрой печати; 17 – внешняя память; 18 – осциллограф
Фирма Шенк (ФРГ) запатентовала форму профиля жесткого кольца, нагруженного кручением (рис. 50), где на торцах размещены напыляемые тензорезисторы, собираемые в схему полного моста. Эти ТД практически не изменяют характеристики при растяжении и сжатии, имеют собственную частоту 2,5–7,0 кГц.

Рис. 50. Тензодинамометры системы Шенк: 1 – упругий элемент «профилированное кольцо при кручении»; 2 – тензорезистор
К настоящему времени установилась групповая классификация экспериментальных методов, ГОСТы по наиболее развитым направлениям закрепили терминологию и определения. К основным группам методов исследования (измерения) НДС относят следующие: электротензометрию, оптико-геометрические, поляризационно-оптические, интерференционно-оптические, проникающих излучений. Ко второй большой группе экспериментальных методов относят методы измерения деформаций по отдельным точкам использующие преобразователи различного типа, основные из которых: механические, оптико-механические, оптические, (линзовые и растровые) потенциометрические, емкостные, индукционно-трансформаторные, пьезоэлектрические, магнитоупругие (магнитострикционные), фотоэлектрические, струнные, пневматические, электроакустические, ультразвуковые, механотронные, вихретоковые, оптоэлектронные.
Тензометрия – так называют методы электрических измерений механических величин: деформаций, перемещений, сил, давлений, моментов, перегрузок, частот – обладает исключительными качествами, которые явились причиной ее развития как индустриального метода с самым широким применением в машиностроении и практически во всех областях технической деятельности человека. Известно использование тензометрии в биологии и медицине при измерении сил и деформаций мышц человека; в весоизмерительных устройствах портальных кранов, в измерительно-вычислительных комплексах на борту носителей и спутников; в устройствах контроля конструкции атомных реакторов; в информационно-измерительных системах, обрабатывающих тысячи параметров с помощью нескольких ЭВМ при испытании современных самолетов и т.д.
Основы метода. Тензоэффект и тензорезисторы. Метод основан на измерении приращения электрического сопротивления проводника (полупроводника), деформируемого совместно с деталью, к которой он механически прикреплен (приклеен). Сопротивление проводника R пропорционально его длине l и обратно пропорционально площади поперечного сечения F:
![]()
где ρ – удельное сопротивление.
При малой
деформации проводника
его сопротивление изменяется на величину
.
Это явление называют тензоэффектом,
а коэффициент, связывающий относительное изменение сопротивления и деформацию,
– коэффициентом тензочувствительности
материала
![]()
где m – коэффициент, зависящий от свойств материала и деформации:
![]()
(v – продольный коэффициент пьезосопротивления; E – модуль упругости проволоки, фольги или полупроводника).
Для
металлических тензочувствительных материалов величина
KM определяется в основном
изменением геометрии проводника, т.е. членом (1+2μ) в формуле (2); для полупроводников, наоборот, тензоэффект зависит практически от изменения физических
свойств материала:
,
и его величина в 20–50 раз больше, чем для металлов.
Для сплава константана линейная передаточная
функция тензорезистора (ТР) сохраняется и для
некоторой пластической области, что является одним из замечательных свойств
константана как материала для ТР (в упругой и некоторой пластической области
= 2).
В
полупроводниках тензоэффект зависит от
кристаллографического направления, в котором вырезана пластина тензорезистора (например, для кремния n-типа
максимальный
определяется тензорезистивной чувствительностью).
Тензоэффект для полупроводников существенно зависит
от температуры, тогда как для константана влияние температуры невелико.
Для крепления чувствительного элемента ТР к поверхности детали, а также для защиты и изоляции проводника и выводных проводников разработано несколько технологий и конструкций ТР.
Проводниковые ТР выполняют на основе тонкой проволоки диаметром 2–30 мкм (проволочные тензорезисторы) и на основе тонколистовой фольги толщиной 5–10 мкм (фольговые тензорезисторы). В зависимости от назначения и выбранной технологии проводниковые ТР выполняют на бумажной, пленочной, тканевой (стеклотканевой) или металлической фольговой подложке. В качестве связующего для закрепления чувствительного элемента и выводных проводников на подложке и ТР на объекте применяют универсальные и специальные клеи, лаки, цементы, а также точечную сварку и пайку.
Некоторые виды проводниковых ТР показаны на рисунке 51. Различают проволочные ТР с петлевой константановой решеткой на бумажной подложке (ПКБ, ППКБ). Изготовляют ТР с беспетлевой решеткой на пленочной и бумажной подложке и микропроволочные ТР (МПБ, МПТ) из одной жилы литого микропровода, имеющего диаметр 2–7 мкм.
Проволочные, петлевые ТР стандартного изготовления имеют базы 5–50 мм; наиболее часто применяют базы l = 10; 15; 20 мм; беспетлевые ТР имеют более широкий диапазон баз. Номинальный ряд сопротивлений: 50, 100, 200, 400, 800 Ом. Предельная измеряемая деформация для проволочных ТР составляет 0,1–5 %, причем для твердого константана – до 1 % и отожженного мягкого константана на пластифицированной пленке БФ-2 – до 2,5–5 %.

Рис. 51. Некоторые виды тензорезисторов и
тензорозеток
Фольговые тензорезисторы изготовляют фотохимическим способом из
тонкой фольги толщиной 3–10 мкм, что позволяет автоматизировать процесс
массового производства ТР и достаточно просто выполнять тензорешетки
сложных форм для многоэлементных розеток, датчиков давления и сил. Кроме того,
для фольговых ТР технологически просто задать конструкцию теплоотводящих
элементов решетки и места спая с проводниками. Фольговые ТР
типа КФ4 и КФ5 имеют следующие сопротивления: R = 100, 200, 400 Ом для одиночных ТР КФ4П, КФ5П, для тензорозеток КФ4Р, КФ5Р и цепочек КФ4Ц, КФ5Ц. Фольговые
одиночные ТР для измерения деформаций в местах концентрации изготовляют малобазными: l = 0,5; 1,0; 3,0;
Полупроводниковые тензорезисторы изготовляют из монокристаллов кремния и германия, реже из других полупроводников. Их практически не используют в исследованиях НДС конструкций, но успешно применяют в динамометрических устройствах в качестве преобразователей. Благодаря новой технологии выращивания полупроводников на подложке из кремния или сапфира, являющихся почти идеальными упругими элементами, созданы интегральные полупроводниковые тензорезисторы. Методом диффузии получают сверхминиатюрные мосты и полумосты, монолитно связанные с упругим элементом. На основе этой технологии выпускают, например, датчики давления для измерения давления крови непосредственно в сосудах.
Схемы
измерения деформаций.
Для измерения статических и квазистатических деформаций используют мостовые схемы с питанием на переменном или постоянном токе, позволяющие осуществлять схемную термокомпенсацию (рис. 52). В связи с широким внедрением микроэлектроники наиболее универсальными являются цепи на постоянном токе. Особенностью схемы на переменном токе является необходимость балансировки по активной и реактивной составляющим сопротивления [введен контур Rc и С (рис. 52) справа], поскольку тензорезисторы, наклеенные на металл, и проводники имеют определенную емкость.
Измерительные мосты с усилителями на несущей частоте (от 2,5 кГц) реализованы в большом числе универсальных приборов.
Значительное развитие получили приборы с дискретным уравновешиванием, цифровым табло и копированием информации для ввода в печатающие и обрабатывающие устройства. Применение импульсного разнополярного питания (прямоугольного вида) позволило повысить напряжение питания, т.е. при прочих равных условиях увеличить выходной сигнал. Быстродействие систем с импульсным питанием ограничивается частотой 20–200 Гц (квазистатические процессы) и определяется скоростью затухания переходного процесса в прямоугольном импульсе и установления i=const. Длительность импульса i составляет не менее 5–50 мкс.

Рис. 52. Схемы измерительных мостов: слева – при питании постоянным током; справа – при питании переменным током
(НИ – нуль-индикатор; Ra и Rk – активный и компенсационный ТР)
Информационно-измерительные системы (ИИС). Автоматизация тензо- и термоизмерений на основе ИИС значительно повышает производительность труда при прочностных испытаниях, но одновременно потребует дополнительно высококвалифицированного персонала для обслуживания систем с ЭВМ и затрат на оборудование. Кроме того, ужесточились требования по разбросу метрологических параметров датчиков в партии. ИИС применяют при испытаниях с массивом датчиков (преобразователей) 200–20000. Многие системы оснащены каналами для подключения не только одиночных тензорезисторов, но и полумостов и мостов для тензодинамометров, датчиков давления, перемещения, температуры (терморезисторов), лучистого и теплового потока.
Принципиальная схема ИИС показана на рисунке 53. Тензорезисторы ТР, тензодинамометры ТД, датчики давления ДД, датчики перемещения ДП, датчики лучистого и теплового потока ДТП подключены группами к коммутаторам датчиков К, которые в зависимости от экспериментальной задачи последовательно или выборочно передают аналоговый сигнал на соответствующие цифровые измерительные мосты с АЦП и нуль-органом. «Разбаланс» в цифровом коде передается на шины группового коммутатора или коммутатора каналов, который пропускает его в устройство связи (УСО) или сопряжения с ЭВМ непосредственно в память машины или с помощью специальных устройств на носитель информации. Команды от ЭВМ могут содержать элементы интерактивного режима посредством устройства отображения информации и устройств управления.

Рис. 53. Принципиальная схема ИИС сбора и обработки данных электротензоизмерений
Тарировка
датчиков.
Не касаясь подробно зависимостей электротехнических величин от деформации датчика, укажем лишь, как можно установить тарировкой непосредственную связь между деформацией датчика и приращениями отсчётов по шкале прибора.
Для этого из партии одинаковых датчиков берётся несколько штук для тарировки. Тарируемый датчик наклеивается на тарировочный стальной образец (тарировочная балочка или растягиваемый образец). Затем тарировочный образец загружается ступенями и при каждой загрузке Р берётся отсчёт А по шкале прибора. В результате строится график зависимости между нагрузкой Р и отсчётами по прибору А и устанавливается отношение
![]()
Коэффициент k1 практически постоянен.
На том же тарировочном образце или параллельно, или заранее при помощи другого типа хорошо проверенных тензометров аналогичным образом устанавливается зависимость между относительной деформацией и приращением нагрузки ∆P, т. е.
![]()
Подставляя вместо ∆P его значение из выражения (1.22), получим:
![]()
или
![]()
Здесь k является ценой деления прибора, выражающей величину относительной деформации при изменении отсчёта по прибору на одно деление.
Открытие Д. Брюстером явления временного двулучепреломления в прозрачных телах при приложении к ним механических напряжений было объяснено Г. Вертгеймом на основании волновых уравнений Неймана – Максвелла, который сформулировал закон о пропорциональности оптической разности хода δ лучей в модели разности главных напряжений:
![]()
где С0 – оптическая постоянная материала; В – толщина модели.
Важный шаг в создании инженерного метода сделал Т. Леви, который доказал, что для широкого класса задач распределение напряжений не зависит от упругих постоянных материала. Создание высоко оптически активных синтетических материалов для моделей и несложных поляризационных приборов привело к широкому применению метода фотоупругости.
Плоскополяризованный
луч – вектор
(рис. 54), вошедший в двулучепреломляющий
материал нагруженной модели, образует два взаимно перпендикулярных луча J1 и J2,
поляризованных в главных направлениях.

Рис. 54. Схема двулучепреломления плоскополяризованного луча
в нагруженной модели при скрещенном положении поляроидов П и А
Обозначив показатели преломления (относительные скорости света) в воздухе nв и в модели по главным направлениям через n1 и n2 соответственно, получим для абсолютной разности хода лучей, прошедших толщину плоскости модели В, следующие уравнения:
![]()
Для относительной разности хода лучей J1 и J2 имеем
![]()
Поскольку поляризованный луч представляет гармоническое колебание по оси z, то
![]()
где λ – длина волны монохроматического света.
Разность хода δ представим в виде сдвига фаз ∆:
![]()
Для тонкой пластины, когда третье главное напряжение σ3 практически равно нулю, эллипсоид Френеля, характеризующий связь между показателями преломления и главными напряжениями, сохранит только два уравнения:
![]()
![]()
где n0 – показатель преломления ненагруженной модели; C1 и C2 – постоянные коэффициенты.
Далее можно получить основные уравнения фотоупругости для плоского напряженного состояния:
![]()
![]()
где C=C1-C2 – оптическая постоянная материала.
Лучи J1 и J2, сведенные в одну плоскость вторым поляроидом-анализатором А, интерферируют между собой с результирующим колебанием, интенсивность которого определяется уравнением
![]()
где α –
угол между плоскостью поляризации луча, вышедшего из поляризатора П и одним из главных направлений,
например направлением
;
IA
– интенсивность луча после поляризатора П.
В скрещенном
положении поляроидов П и А (установка на
темноту) на экране Э прибора по всему
полю модели наблюдают две системы полос как результат интерференции,
описываемый уравнением (4). На экране видна система полос (изохром),
зависящая от величины нагрузки (напряжения), определяемая разностью хода δ
(рис. 55 и 56, а), а также система
черных полос (изоклин), зависящая от положения поляроидов, способных в
полярископе поворачиваться в скрещенном положении на любой угол
,
отсчитываемый, например, от гравитационной оси.
а)
б)
Рис. 55. Кольцо сжатое по вертикальному диаметру:
а) изохромы в темном поле; б) изохромы в светлом поле

а)
б)
Рис. 56. Поле изоклин и изостат для
кольца, сжатого по диаметру
Изохромы – чередующиеся темные и светлые полосы в монохроматическом свете или цветные одинаково окрашенные полосы в белом свете – являются геометрическим местом точек (ГМТ), где разность хода δ=const. Согласно уравнению (1.23), там, где δ/λ = 0, 1, 2, 3,...., n, наблюдают темные полосы гашения света; там, где δ/λ = 1/2, 3/2, 5/2,..., (n-1)/2, – светлые полосы усиления света.
Поскольку в белом свете интерференция происходит по всей гамме длин волн источника, то порядок полос n определяют по их одинаковой окраске по таблице цветов. Вдоль изохромы σ1-σ2=const и тогда
![]()
где
– оптическая
постоянная материала в размерности напряжений на единицу толщины (
Зависимость (5) называют уравнением метода полос. На свободном контуре модели, где не приложены внешние нагрузки, σ2=0, тогда
![]()
Изоклины – черные линии на экране – образуют вторую систему полос, зависящую от положения П и А, т.е. угла αi; они являются ГМТ, где направления главных напряжений σ совпадают с направлением плоскости поляризации. В этом случае 2α=0,π,2π,… Изоклины служат для определения направления главных напряжений в любой точке модели. Для этого достаточно в белом свете, когда на фоне цветных полос изохром выделяются черные изоклины, повернуть поляроиды на такой угол, чтобы изоклина пересекла исследуемую точку модели. Отсчет по лимбу угла αi=α определит главные направления в точке.
С помощью изоклин несложно построить систему изостат (рис. 56, б) или траекторий главных напряжений, дающих картину силовых потоков в детали.
По картине изохром определяют значение максимального касательного напряжения
![]()
а по изоклинам или изостатам – его направление; траектория τmax составляет угол 45° к траектории главных нормальных напряжений.
Круговой полярископ. Пластинки λ/4. Одновременное наблюдение на экране или матовом стекле камеры изоклин и изохром неудобно для экспериментатора, поэтому работу с изохромами методом полос проводят в круговом полярископе, где луч, входящий в модель, поляризован по кругу, и изоклины отсутствуют. Для этой цели за поляризатором устанавливают пластинку λ/4, имеющую две взаимно перпендикулярные оси пропускания X и Y. Их ориентируют так, что с осями поляроидов П и А они составляют угол 45°. Пластинку, обычно слюдяную, изготовляют так, что лучи, проходя через нее, получают относительную разность хода λ/4.
Уравнения колебаний за пластинкой λ/4 записывают в виде разложения плоскополяризованного луча J по плоскостям X-z и Y-z:
![]()
![]()
где ∆0 – относительная разность фаз лучей X и Y (рис. 57).

Рис. 57. Схема круговой поляризации, осуществляемой пластинкой λ/4
Результирующее колебание этих лучей после прохождения пластинки λ/4 вследствие сдвига фаз будет уже пространственное; конец светового вектора будет описывать в направлении z кривую, уравнение которой несложно получить сложив геометрически два вектора х и у.
Приняв за начало отсчета момент входа лучей в пластинку λ/4, получим в общем случае
![]()
Это уравнение
определяет проекцию пространственной кривой на плоскость Х – У, оно описывает эллипс, поэтому луч называют эллиптически
поляризованным. Поскольку разность хода для пластинки составляет λ/4, то
,
и уравнение (6) описывает круг:
![]()
Луч называют поляризованным по кругу, но в
зависимости от знака вращения направление его будет по или против часовой
стрелки, т.е. угловая скорость имеет знаки
. Лучи X и Y, пройдя нагруженную модель в точке, сохраняют
свойства, описываемые законом Вертгейма, но
«размажут» изоклины и изохромы на экране. Чтобы
восстановить изображение изохром, за моделью
устанавливают такую же пластинку в λ/4, но с противоположным знаком
вращения. Изоклины, как бы сканируя с частотой ω по экрану, наблюдаться не
будут.
Для научно-исследовательской работы, прикладного инженерного применения, демонстрационных целей или для контроля серийной продукции на заводах необходимы приборы – полярископы различной конструкции. Для промышленных и исследовательских целей удобен набор, состоящий из полярископа большого поля с диффузионным осветителем, универсального исследовательского полярископа типа ППУ-7 или УИП и полярископа-поляриметра типа ПКС-250.
Одна из
конструктивных схем полярископа с диффузионным осветителем (рис. 58) имеет
рабочее поле

Рис.58. Схема полярископа большого поля с диффузионным освещением
Голограммы – это красочные радужные наклейки на аудио и видеокассетах,
голограммные товарные и защитные знаки на банкнотах, кредитных картах и ярлыках
товаров некоторых фирм. Достигнут большой прогресс в изобразительной голографии
и устраиваются уже экспозиции голограммных копий музейных раритетов. Набирает
обороты и производство голографических портретов. Голография уже перестала быть
экзотикой. Однако некоторые стороны процесса внедрения голографии в современную
жизнь все еще остаются за кадром – это проблема распознавания образов,
интерферометрические измерения, создание голограммных оптических элементов,
вопросы обработки изображений и многое другое.
Естественно, голографическая интерферометрия появилась не на пустом месте. Ее основой является классическая интерферометрия. Поэтому с нее и начнем.
Классическая интерферометрия всегда имела и имеет дело только с прозрачными или зеркально отражающими объектами. Казалось, что это навсегда. И удел интерферометрии – изучение газов и жидкостей, зеркал и линз. Работы, конечно, хватало и там. Были и масштабные практические результаты.
Чего стоят одни только шахтные интерферометры для определения опасной концентрации метана. А контроль при производстве оптических изделий; измерение толщины очень тонких покрытий и сверхточный контроль (с точностью в половину длины волны и меньше) расстояний или перемещений; экспресс-оценка качества обработки поверхностей с помощью специальной стеклянной пластинки. Как еще можно за несколько секунд (одним взглядом!) определить отклонение на несколько микрометров от нужного значения размеров шероховатостей обрабатываемой поверхности?
Разумеется, было, есть и еще будет очень много и других примеров использования и сделанных с помощью интерферометрии открытий. Но, повторяю, речь всегда шла только о прозрачных или зеркальных, слабо искажающих зондирующее излучение объектах.
После появления голографии открылась абсолютно новая возможность проводить интерферометрические измерения не только прозрачных, но и диффузно отражающих объектов. Именно по способу взаимодействия с зондирующим излучением и появилось деление объектов на фазовые (прозрачные) и диффузные (то есть отражающие, но не зеркальные).
Голографическая
интерферометрия
Что же такого нового внесла голография в уже привычную интерферометрию?
Голография
– это способ записи и восстановления всей оптической информации, пришедшей
от объекта.
Если это так, и восстановленная с голограммы волна полностью соответствует рассеянной объектом при записи, то, следовательно, ее (волну) можно исследовать теми же оптическими методами, что и сам объект. То есть проводить теневые, шлирен и интерференционные измерения. Если же записать и поляризационные характеристики (такие способы существуют), то возможности получения информации увеличиваются.
Под понятием же «голографическая интерферометрия» подразумевается нечто совсем иное, использующее особенности именно голографических принципов записи информации.
Первые голографические интерферограммы появились из-за ошибки или случайного стечения обстоятельств. Мало того, на это не обратили внимания. Далеко не все экспериментаторы в первые годы появления голографии хорошо разбирались в ее теоретических основах. На первых шагах все усилия были направлены на получение собственно голограммы. Из интерферометрии было, конечно, известно, что сдвиг пучков во время экспозиции уже на половину длины волны делает невозможным запись микроинтерференционной картины, которая и представляет собой голограмму. Поэтому принимались всевозможные меры для обеспечения механической стабильности оптической схемы. В ход шли массивные гранитные и мраморные плиты, не менее массивные держатели оптических элементов. Но первые лазеры, используемые для этих целей, имели очень малую мощность, а фотопластинки – аналогичную чувствительность. Следовательно, стабильность в половину длины волны в течение всего процесса записи голограммы обеспечить было очень и очень трудно. В результате восстановленное изображение иногда покрывалось полосами, которые портили общую картину. Эти голограммы списывали в брак и экспериментаторы с новыми усилиями боролись за обеспечение виброзащиты. В 60-х годах родилось новое направление – голографическая интерферометрия.
Методы
голографической интерферометрии
На одну пластинку можно записать несколько волновых фронтов, то есть несколько голограмм. Если эти волны когерентны (а чаще всего так и бывает), то при совместном восстановлении они интерферируют, а в результирующей интерферограмме останется только то, что в этих волнах было разным. Этот метод голографической интерферометрии получил название метод двух экспозиций.
Можно сделать и по другому. Отснятую голограмму
объекта после обработки устанавливают с высокой точностью на прежнее место –
чаще пластинки обрабатывают прямо на месте съемки. При последующем экспонировании
голограммы в схеме, использованной при ее же записи, объектная волна,
восстановленная с голограммы опорным пучком, будет интерферировать с новой
волной, идущей от объекта. В результате можно в реальном режиме времени
отслеживать динамику процессов, происходящих в объекте исследования. Такой метод голографической интерферометрии так
и называется – метод реального
времени.
Для более полной ясности можно подчеркнуть, что в классической интерферометрии интерферируют волны, которые в один момент времени прошли по разному пути.
В голографической интерферометрии интерферируют
волны, которые в разные моменты
времени прошли по одному и тому
же пути.
Интерферометрия
фазовых объектов
Реальные объекты, с которыми приходится иметь дело в экспериментах, изменяют и фазу, и амплитуду, и направление распространения зондирующего излучения. Это приводит к тому, что основным критерием применимости каждого конкретного метода становится величина ошибки, вносимой им в конечный результат.
Принято считать, что для прозрачных объектов применение интерферометрических методов диагностики допустимо, если максимальная рефракция на объекте не превышает 0,1 мрад, а влиянием поглощения можно пренебречь. Именно такие прозрачные объекты и получили название фазовых, то есть изменяющих только фазу зондирующего излучения.
Всегда следует помнить, что и классическая, и голографическая интерферометрия дают правильные результаты только для чисто фазовых объектов
Виды
настройки интерферометров
Внешний вид и способы расшифровки интерференционной картины, полученной любым способом интерферограммы (голографической или классической), зависят от настройки интерферометра.
Бесконечно широкая полоса
Если после регистрации первой опорной голограммы ни рабочий ни опорный пучок не трогали, то все изменения в результирующей интерференционной картине будут обусловлены только набегом фазы в каждой точке волнового фронта, вызванным процессами, произошедшими в объекте между экспозициями (в методе двух экспозиций) или в течение съемки (в методе реального времени). В этом случае говорят, что интерферометр настроен на бесконечно широкую полосу.
При таком способе настройки изменения в объекте между экспозициями проявятся в появлении замкнутых интерференционных полос, как оконтуривающих неоднородность, так и находящихся внутри нее. Однако расшифровать такую интерференционную картину можно только априори, зная знак изменения набега фазы при переходе от одной полосы к другой. В получаемой картине эта информация отсутствует.
Полосы конечной ширины
Если в интервале между экспозициями или рабочий, или опорный пучок, или сама пластинка были повернуты на какой-то угол, то результирующая интерференционная картина будет наблюдаться на фоне регулярной системы равно отстоящих друг от друга параллельных полос. Шаг этих полос определяется величиной угла поворота, а ориентация полос зависит от способа их создания. Такая настройка интерферометра называется настройкой на полосы конечной ширины. В этом случае неоднородности в объекте проявляются в виде искривления опорной системы полос.
Для расшифровки такой интерференционной картины априорная информация не нужна. Знак изменения набега фазы, то есть направление счета полос, задается направлением сдвига оптических элементов схемы при создании системы этих полос.
Подготовка
и обработка галогенидосеребрянных эмульсий при
голографической интерферометрии
Записать и восстановить голографическую интерферограмму – это еще полдела. Дальше требуется полученную картину расшифровать. А чтобы расшифровка принесла ожидаемые результаты, необходимо учесть ряд особенностей, которые сильно влияют на степень достоверности получаемой информации с голографической интерферограммы.
Технология получения информации с помощью голографических интерферограмм очень чувствительна к малейшим проявлениям усадки эмульсии, которая может приводить к искажению записанной интерференционной картины и получению неверных результатов при ее расшифровке. Поэтому приходится принимать специальные меры, если не к полному устранению усадки, то хотя бы для сведения ее к минимуму.
Оптические
схемы голографических интерферометров
Классические интерферометры изготавливались для решения конкретной задачи и почти не подлежали переналадке. В отличие от них голографические интерферометры почти универсальны – одна и та же схема может использоваться для работы с абсолютно разными объектами.
При большом разнообразии вариантов оптических схем голографических интерферометров (ГИ) для фазовых объектов все они сводятся к двум основным: с диффузным и с коллимированным рабочим пучком. Каждая из этих схем имеет свои особенности и применяется в зависимости от поставленной задачи.
ГИ с
диффузным рабочим пучком
Диффузный рабочий пучок (рис. 59) позволяет наблюдать интерференционную картину на объекте невооруженным глазом на освещенном фоне. В этом случае в пределах апертуры голограммы можно выделить как бы несколько направлений просвечивания и увидеть соответствующие изменения в интерференционной картине. При этом каждая часть голограммы будет нести информацию о каждой точке объекта, и небольшой кусочек пластинки будет восстанавливать весь объект целиком.
Такая схема одинаково хороша и для симметричных и для несимметричных объектов, поскольку позволяет при пересъемке выделить несколько направлений просвечивания под разными углами. Из-за использования рассеивателя в этом случае на восстановленное изображение накладывается спекл-шум, параметры которого обусловлены не только свойствами лазерного излучения, но и характеристиками рассеивателя, и регулировке не поддается. Кроме того, использование рассеивателя заставляет направлять в рабочий пучок значительно большую, чем в опорный, часть энергии лазерного пучка.

Рис. 59. Диффузный рабочий пучок: BS – светоделитель; M1–M3 – глухие зеркала;
L1 и L2 – короткофокусные линзы; D – прозрачный рассеиватель; H – голограмма
На рисунках 60 и 61 показаны два снимка, сделанных с одной голограммы под разными углами. ГИ был настроен на бесконечно широкую полосу.

Рис.60
Рис.61
ГИ с коллимированным рабочим пучком
Коллимированный рабочий пучок (рис.62) выделяет четко фиксированное направление, которое изменить уже нельзя. В этом случае не вооруженным глазом изображение наблюдается на фоне яркой светящейся точки. Нормальное изображение можно увидеть только через объектив, например фотоаппарата.

Рис.
62
На рисунке 62 обозначено: BS – светоделитель; M1–M3 – глухие зеркала; L – короткофокусная линза; C – коллиматор; H – голограмма.
Размывающий интерференционные полосы спекл-шум при такой схеме съемки значительно меньше, чем при работе с диффузным рабочим пучком. Этот способ съемки удобен для осесимметричных, плоских или однородных по направлению просвечивания объектов. Энергии в рабочем пучке он требует также меньше, чем способ на схеме (рис. 59).
Если объединить схемы с рисунков 59 и 62, то можно получить и заданное заранее направление зондирования и удобство наблюдения картины не вооруженным глазом на фоне освещенного рассеивателя. Эта схема приведена на рисунке 63.

Рис.
63
На рисунке 63 обозначено: BS – светоделитель; M1–M4 – глухие зеркала; D – прозрачный рассеиватель; C – коллиматор; L1 – объектив; L2 – короткофокусная линза; H – голограмма
Подобная схема регистрации голографических интерферограмм позволяет спроецировать нужное сечение объекта на плоскость рассеивателя. Это улучшает привязку интерференционных полос к объекту и делает более удобной дальнейшую расшифровку полученной картины.
Объектив в схеме (рис.63) можно не использовать, но тогда объект должен располагаться вплотную к рассеивателю.
На рисунках 64 и 65 показаны две интерферограммы однотипных объектов, полученные при разных настройках интерферометра.
Существуют и другие варианты оптических схем для голографической интерферометрии фазовых объектов. Все их модификации определяются спецификой конкретного объекта исследования.
В случае работы с полосами конечной ширины все схемы могут содержать дополнительные оптические элементы, регулирующие настройку системы опорных полос.

Рис. 64. Настройка на бесконечно широкую полосу

Рис. 65. Настройка на полосы конечной ширины
ГИ
сфокусированного изображения
ГИ построены по схеме голограмм сфокусированного изображения (ГСИ). Они также могут применяться и с рассеивателями и без них. Но применение рассеивателя в данном случае не целесообразно.
Дело в том, что интерферограммы, снятые по схеме ГСИ (рис. 66) удобно восстанавливать в белом свете. Спекл-структура, зависящая только от свойств лазерного излучения и объектива, усредняется. В результате отдельных спеклов не видно и контраст интерференционных полос несколько повышается. Если же использовать рассеиватель, то на уже имеющееся спекл-поле накладывается дополнительное поле, сгенерированное рассеивателем. Ситуация ухудшается особенно при малых размерах неоднородности.
Какой пучок (расходящийся или плоский)
использовать в качестве опорного – зависит от требований эксперимента и
имеющихся оптических элементов. ГИ по схеме ГСИ позволяют исследовать тонкую
структуру интерференционных полос, включая пересъемку через микроскоп. Для
примера на рисунке 67 показана интерферограмма,
а на рисунке 68 – ее увеличенный фрагмент.

Рис. 66
На рисунке 66 обозначено: BS – светоделитель; M1–M4 – глухие зеркала; C1, C2 – коллиматоры; L – объектив; H – голограмма

Рис. 67
Рис. 68
Оптико-геометрические методы применяют для бесконтактного исследования НДС на поверхности плоских и объемных деталей машин, моделей и образцов полуфабрикатов. Общий классификационный признак этих методов – наличие оптической бесконтактной связи объекта исследования с регистратором искажения (деформации) базового геометрического элемента, нанесенного на объект, спроецированного или зеркально отраженного в нем. Каждый из оптико-геометрических методов эффективен для определенной группы задач, имеет, как правило, несколько разновидностей и областей применения, различается видом базовых элементов, типом регистрации и обработки.
Исследования пластических деформаций при разрушении материалов методом делительных сеток, выполненные в 40–60-х годах прошлого столетия, показали влияние концентрации напряжений (отверстий и целевых надрезов) на прочность деталей из конструкционных материалов. На их основе рассмотрены технологические задачи деформирования тонкостенных деталей из алюминиевых сплавов. Развитие техники нанесения микросеток позволило исследовать упругопластические деформации в области вершины трещины при циклическом нагружении. Исключительно эффективным оказалось приложение метода делительных сеток к задачам пластического деформирования металлов при обработке давлением. Метод оказал значительное влияние на проектирование нового инструмента и режимов штамповки, прессования, вытяжки, прокатки и т.д. Современные технологические методы повышения усталостной прочности и вязкости разрушения (трещиностойкости) полуфабрикатов из штампованных заготовок и проката опираются на экспериментальные исследования, выполняемые методом делительных сеток и другими оптико-геометрическими методами.
Другое направление исследований – это изучение НДС
в упругой области на резиновых и полимерных моделях при малых и больших
деформациях (до 18%). Пусть, например, в плоскости симметрии пластически
деформируемой цилиндрической заготовки размещены ортогональные сетки с
перфорированными отверстиями, центры которых совпадают с угловыми точками
квадрата. Будем считать материал заготовки изотропным, несжимаемым, а деформации
в пределах ячейки сетки однородными, причем вычисляемые компоненты деформаций
отнесем к центру ячейки, считая их средними между базовыми точками.
Рассмотрим осесимметричную объемную задачу с тремя плоскостями симметрии, например конечные формоизменения при штамповке цилиндрической поковки с прямой горизонтальной осью (рис. 69).

Рис. 69. Схема штампа с цилиндрической поковкой и сетка в плоскости
заусенца после деформирования:
1 – штамп; 2 – поковка с исходной высотой Н (мм); 3 –
плоскость сетки;
4 – зависимость
в сечении «хх» (исходная
длина поковки 2l=100 мм)
В методе сеток, когда размечены базовые элементы, удобно использовать главные деформации в логарифмической форме. Окружности сетки в плоскостях симметрии штамповки после деформирования преобразуются в эллипсы с осями по главным направлениям, поэтому
![]()
где r1, r2, r3 – полуоси эллипсов; r0 – радиусы исходных окружностей сетки.
В случае деформирования тел вращения по оси z главные деформации в плоскости сетки определяются теми же зависимостями (7), но окружная деформация в меридиональном сечении
![]()
где R, R0 – расстояния от оси
симметрии
до рассматриваемой
точки до и после деформирования соответственно.
Для вычисления осевой и радиальной логарифмической деформации используют зависимости
![]()
где φ находят экспериментально замером угла между направлением большой полуоси эллипса и осью z заготовки.
Измерение деформаций и перемещений с помощью сетки с квадратными ячейками, когда в общем случае базовый элемент превращается в параллелепипед или четырехугольник, выполняют оптическими средствами с последующим вычислением абсолютных приращений граней параллелепипеда и соответствующих углов на основании достаточно громоздких формул, полученных из геометрических соотношений.
Расчет напряжений выполняют на основе гипотез теории пластичности. В зависимости от поставленной задачи и типа материала вычисления проводят по теориям малых упругопластических деформаций, пластического течения, сопротивления материалов пластическому деформированию.
В зависимости от поставленных исследовательских задач, а также от материала детали, от заданных предельных деформаций и внешних условий (температуры, влагостойкости, контакта со средой и т.д.), разрабатывают технологию нанесения сеток, растров и фигур. При нанесении базовых фигур учитывают и метод измерения деформаций, поскольку контрастность воспроизведения или наблюдения, фактура материала, светопрозрачность, ширина черных и светлых линий и другие факторы влияют на точность и трудоемкость обработки результатов.
Царапание сеток и растров применяют при механических испытаниях материалов и при исследовании технологических задач обработки металлов давлением. Операцию проводят с помощью игл, специально заточенных победитовых резцов, корундовых и алмазных инденторов и наконечников. Растры с линиатурой до 10 лин./мм изготовляют на делительных машинах линованием парафинированной поверхности стекла, после чего выполняют химическое травление линий в стекле и заполнение их краской. Эталонные растры и сетки, изготовленные на прецизионных делительных машинах, служат в качестве шаблонов для снятия реплик и фотокопий, которые затем используются в качестве контрольных растров и сеток сначала для нанесения фотоспособом рабочего растра на детали, а затем в качестве базового для измерения методом сеток или методом муаровых полос.
В задачах обработки металлов давлением сетки и растры наносят иногда непосредственно на металл; в этом случае поверхность полированных образцов, как правило, перед царапанием покрывают тонким слоем контрастного металла способами вакуумного напыления или гальваническим, чтобы создать цветовое различие и контраст в линиях сетки. Хороший эффект получают, например, меднением стальных образцов.
Накатка координатных сеток, фигур и растров используется для нанесения базовых элементов при изучении пластических деформаций и разрушения. Оригинал сетки изготовляют в виде цинкового клише с рельефом сетки заданного рисунка. Для перенесения сетки с матрицы на деталь применяют упругие валики, в том числе сложной формы (для нанесения сеток на тела вращения и сложные поверхности). На зеркальное стекло или мраморную плиту валиком тонким слоем раскатывают типографскую краску и переносят ее на матрицу, а затем другим валиком переносят рисунок сетки на деталь. Шаг базовых фигур находится в пределах 0,25–5 мм при толщине линий в сетках 0,02–0,08 мм.
Офсетный способ изготовления формы-клише значительно упрощает технику нанесения сеток и растров и позволяет покрыть большую площадь на плоских и небольшой кривизны деталях из жестких и мягких материалов (каучук, резина). Офсетная печать основана на принципе избирательного смачивания формы (изображения сетки или растра), согласно которому печатающие элементы хорошо воспринимают типографскую краску, но отталкивают воду, а пробельные – наоборот. Перенос изображения с офсетной формы на исследуемую поверхность осуществляют, как и с цинкового клише, – эластичным резиновым цилиндрическим валиком. Офсетную форму изготовляют фотохимическим способом с применением эталонных пленочных фотонегативов по стандартной технологии.
Выдавливание или штампование сеток на поверхность пластических материалов осуществляют жесткой матрицей, затем материал отжигают и из заготовки с сеткой вырезают образцы.
Фотосетки и фоторастры – наиболее распространенные современные элементы оптико-геометрических методов. Изготовленные на стеклянных подложках, они являются эталонами при измерениях и репродуцировании. Фотокопии на пленке служат для контактной печати, а также для переноса эмульсии с растром по так называемому «способу расслаивающихся пленок».
Двойной экспозицией со сдвигом эталонного растра на 1/4 и 1/2 шага можно получить решетку с частотой линий вдвое большей, чем исходная; этим способом, например, получили сетку с размером ячейки 100 мкм и толщиной линий 10 мкм последовательной пересъемкой растра со сдвигом и поворотом на 90°.
Высокочастотные растры получают методом неподвижного интерференционного поля или голографического мультиплицирования на голографические фотопластинки. При правильном выборе фотопроцессов и материала возможно получение растров с частотой до 1000 лин./мм.
При исследовании изгиба пластин в полунатурном и модельном эксперименте зеркально-оптическим методом измеряют с помощью отраженной координатной сетки углы поворота нормали φx, у, прогибы w и кривизны kx,y поверхности объекта. В этом случае плоская или почти плоская поверхность детали или модели должна быть зеркальной. Ортогональную сетку на плоском экране располагают параллельно плоскости объекта на некотором расстоянии от него. Отражение сетки в деформируемом объекте регистрируют фотокамерой или кинокамерой для процессов, происходящих во времени (рис. 70).

Рис. 70. Схема зеркально-оптической установки: 1 – модель; 2 – экран с сеткой; 3 – лампа; 4 – фотокамера
Обычно на один негатив выполняют две экспозиции – до и после нагружения, а затем оба изображения обрабатывают, как и в методе делительных сеток, на измерительном микроскопе по специальной методике. Для регистрации нестационарных процессов (например, при сварочном нагреве алюминиевой пластины) искажение отраженной сетки от температурного коробления поверхности фотографируют во времени по мере продвижения электрода.
Зеркально-оптическая
установка, схема которой показана на рисунке 70, имеет зачерненный экран из
оргстекла размером 1200×1200 мм с прозрачными линиями ортогональной сетки
20×20 мм и толщиной линий
Основная расчетная зависимость для плоского экрана выводится из геометрических соотношений:
![]()
При малых
углах поворота нормали
.
При отношении
0,1–0,25
и реальных соотношениях габаритного размера модели и оптического рычага
формулу (8) упрощают:
![]()
Погрешности будут допустимыми, если в сравнительных испытаниях углы поворота нормали к соответствующим осям вычислять по формулам
![]()
![]()
Погрешности при вводимых допущениях и конкретных параметрах установки оценивают несложными вычислениями и по номограммам.
Получив зависимости изменения угла поворота нормали по соответствующей координате, их дифференцируют для нахождения величины кривизны kx, ky, kz или интегрируют для получения прогибов w.
Следует отметить основные преимущества метода – простоту технической реализации и возможность бесконтактной регистрации нестационарных процессов деформирования с одной экспозиции.
Метод, использущий муаровый эффект для измерения деформаций и перемещений на поверхности плоских деталей и реже – в объемных прозрачных моделях, применяют при упругопластическом и пластическом деформировании металлов и для решения упругих задач на низкомодульных материалах. В задачах изгиба пластин, деформирования мембран и оболочек, а также изучения закритического поведения тонкостенных конструкций после потери устойчивости применяют другие разновидности метода муаровых полос, использующие принципы оптического рычага при отражении или проецировании растров. Используя стробоскопическое освещение и способ оптического совмещения растров с помощью муаровых картин, визуализируют формы колебаний пластин и оболочек. Метод применяют для технологического контроля формы поверхности крупных деталей малой и средней кривизны типа аэродинамических поверхностей, а в оптическом производстве – для контроля деталей оптики. Поточный контроль формы плоского проката и лент в металлургическом производстве осуществляют в режиме листовой прокатки непосредственно на стане. Известно применение муарового эффекта в растровых оптических приборах, а также в муаровых датчиках положения, регистрирующих линейные и угловые перемещения в средствах автоматики.
Муаровый эффект – явление механической интерференции, возникает при наложении двух или более систем линий, сеток, растров или точек как картина чередующихся темных и светлых полос. Одно из свойств муарового эффекта как мерительного инструмента состоит в том, что он обладает большим и регулируемым коэффициентом передаточной функции, связывающей шаги (частоты) исходных растров с шагом (частотой, скоростью перемещения) муаровых полос. Этот коэффициент достаточно велик, что позволяет согласовать разрешающую способность зрения человека или инструмента, заменяющего его при визуальном наблюдении поля муаровых полос, с соответствующими микроперемещениями объектов.
Муаровые полосы при наложении двух растров (рис. 71) образуются при малой разности (a1-a2) в шагах, при малом относительном повороте двух растров, но не более чем на угол α = 30°. При наложении кругового растра на линейный (рис. 71, в) особенно заметна область, где пропадает муаровый эффект и вместо него наблюдается сетка из четырехугольных элементов. Геометрический анализ и математическое описание интерференции проводят для любых видов растров, получая аналитические формулы, связывающие параметры исходных растров и муаровых полос. Наложением и относительными сдвигами растров пользуются как аналогами математических операций, выполняя, например, дифференцирование, интерполяцию, умножение.

Рис. 71. Муаровый эффект при наложении растров: а) растры при небольшой разнице в шаге;
б) одинаковые растры, повернутые на угол α; в) шаг линейного растра больше шага кругового растра
Методы измерения деформаций и перемещений, основанные на муаровом эффекте, предполагают наличие эталонного, контрольного (базового) растра и растра, связанного с деталью, испытывающей деформацию. При наложении двух растров образуется поле муаровых полос, однозначно характеризующих линейные или угловые перемещения точек исследуемой детали (поверхности) по определенным направлениям.
Оптические схемы для исследования деформаций на плоских поверхностях непрозрачных деталей, а также в плоских срезах или сечениях прозрачных моделей из пластмасс, оргстекла, полиуретанов используют три типа наложения растров (рис. 72). По схеме А реализуется способ двойной экспозиции одного растра на детали, выполняемой сначала до деформирования (контрольный растр) и затем после деформирования. Совмещение растров для упругих и упругопластических задач выполняют на одном негативе; для пластического деформирования – раздельной экспозицией по этапам. Базу крепления камеры при работе по способу двух экспозиций выбирают непосредственно на образце, обеспечивая ее постоянство относительно зоны измерения.
По схеме Б используют контрольный растр, наложенный с весьма малым зазором на рабочий растр, нанесенный на деталь. Контрольный растр базируется непосредственно на образце по осям симметрии или в точках, где известны перемещения. Вариантом схемы Б является схема В, предназначенная для прозрачных объектов. В этом случае модель с рабочим растром освещается коллимационным пучком света; между контрольным и рабочим растром обычно вводят иммерсионную жидкость.

Рис. 72. Оптические схемы наложения растров и образования муаровых полос (рабочий растр нанесен на поверхность рабочей детали):
1 – деталь; 2 – рабочий растр; 3 – фотокамера; 4 – контрольный растр; 5 – коллиматор; 6 – объектив; 7 – термокамера
По схеме Г реализуют оптическое совмещение рабочего и контрольного растров с помощью длиннофокусного объектива и поворотного экрана. Эту схему применяют для бесконтактных измерений при повышенных температурах, в условиях динамических нагружений, в агрессивных средах, а также при исследовании объемных прозрачных моделей с вклеенными растрами.
Если по схемам Б, В и Г камера регистрирует муаровые полосы и к разрешающей способности задиафрагмированного объектива не предъявляется высоких требований, то для схемы А камерой фотографируют растры, а для схемы Г проекционный объектив должен обладать, кроме высокой разрешающей способности, свойствами телецентрической системы, т.е. при некотором изменении расстояния объектива до объекта незначительно изменять размер изображения и иметь достаточную глубину резкости.
Независимо от схемы совмещения двух растров в плоских задачах (за исключением схемы А) применяют два способа отсчета муаровых полос: способ дифференциального муара и способ простого муара. В первом случае предварительно создают статическую исходную муаровую картину, например, с помощью малого поворота контрольного растра или изменения масштаба рабочего растра, чтобы вести относительный отсчет полос приращения. Во втором случае используют начальную нулевую картину муаровых полос, выявляющую в основном несовершенства модели или предварительную нагрузку на нее.
Муаровые полосы являются геометрическим
местом точек, получающих одинаковое перемещение в направлении, перпендикулярном
к линиям контрольного растра.
Обычные линейные, регулярные растры используют для измерений перемещений в декартовых координатах х, у; тогда муаровые полосы, полученные, например, при расположении линий растра параллельно оси у, будут соответствовать линиям уровня поверхности u=u(x, y) и разница в значениях и для соседних муаровых полос на плоскости будет равна шагу контрольного растра ak.
Для
исследования НДС на поверхности детали методом хрупких тензочувствительных
покрытий на нее наносят тонкое покрытие специального состава, которое под
действием растягивающих напряжений-деформаций и остаточных технологических
двухосных растягивающих напряжений в самом покрытии растрескивается по закону изостат, т.е. по линиям равных главных напряжений.
Приближенно принимают, что трещины распространяются вдоль второго главного напряжения и
![]()
где σ1
и Е – главное напряжение и модуль
упругости материала детали соответственно;
– предельная деформация в момент появления
трещины, получаемая при градуировке покрытия.
Принимая различные теории прочности для хрупкого покрытия, можно получить другие соотношения, связывающие деформации в детали с предельной деформацией для покрытия, но обычно ограничиваются соотношением типа (9). Эксперимент проводят при плавном нагружении детали, наблюдая за появлением и распространением трещин. Иногда покрытие наносят в нагруженном (сжатом) состоянии детали, чтобы при разгрузке получить трещины от деформации растяжения в зонах концентрации напряжений. Применяют несколько типов покрытий: малостабильные покрытия для качественных исследований на основе обработанной канифоли, растворенной в сероуглероде; стабильные покрытия канифольного типа, наносимые газопламенным напылением, для количественных измерений НДС; высокотемпературные наклеиваемые оксидные и эмалевые покрытия.
Градуируют покрытия на плоских балочных образцах при чистом или поперечном изгибе, многократно повторяя градуировочный эксперимент и выполняя статистическую обработку результатов для снижения разброса данных в основном эксперименте. Точность эксперимента, проводимого методом хрупких тензочувствительных покрытий, обычно оценивают в 7–15%. Обработку проводят для двухосного НДС в упругой и упругопластической области по известным уравнениям с учетом различия упругих постоянных детали и покрытия. Метод эффективно применяют в различных областях машиностроения.
Развитие механики разрушения явилось результатом постановки и анализа тонких экспериментов на образцах и конструкциях с трещинами. Прочность конструкции с трещинами существенным образом зависит от длины трещины, свойств материала, размеров и формы детали, исходного НДС, скорости деформации, среды и т.д. Материалы в разной степени обладают свойством трещиностойкости или вязкости разрушения, но объективные критерии оценки трещиностойкости были изучены и приняты только после отработки методики определения критических коэффициентов интенсивности напряжений Кс и К1с, а для пластичных материалов – критических значений длины трещины и J-интеграла.
Одним из направлений в механике разрушения явилось развитие экспериментальных методов для нахождения коэффициентов интенсивности напряжений (КИН) с применением фотоупругости, метода каустик и интерферометрии. Получила развитие техника измерения скорости роста трещин усталости (СРТУ) и определения критической длины трещины ак при циклическом нагружении. Изучение закономерностей СРТУ привело к обобщенной диаграмме усталостного разрушения (уравнению Париса) и к методике нахождения ее коэффициентов, на основании которых можно сравнивать свойства материалов с высокой достоверностью и полнотой. Развитие концепции о «критической длине трещин» или заложенном в конструкции дефекте определенного размера означало, что возможна безопасная эксплуатация машины или конструкции с трещинами, если трещины найдены и за их ростом до определенного размера можно наблюдать. Эта концепция привела к созданию целой отрасли приборостроения – технических средств неразрушающих методов контроля (НМК).
С появлением растрового электронного микроскопа, позволяющего вести высококачественное наблюдение и фотографирование структур изломов с разрешением до 10000, фрактография стала мощным средством выявления структурных дефектов, динамики возникновения и развития микротрещин усталости, бороздок, зон долома и пластических деформаций. Анализ эксплуатационных повреждений и сложных разрушений при эксперименте стал научно обоснован и документален, а появление альбомов по фрактографии различных металлов и сплавов облегчило идентификацию изломов.
Интенсивная эксплуатация машин потребовала объективных средств контроля изделий, обеспечивающих надежное обнаружение трещины, простоту и портативность в применении, универсальность различных типов приборов и методов. Требования повышения качества традиционных материалов и сплавов, а также значительное развитие новых видов неметаллических композиционных материалов и полуфабрикатов определили создание методов и средств дефектоскопии применительно к современной технологии и производству новой продукции. Неразрушающие методы контроля (НМК) используют при обнаружении трещин и дефектов при технологическом и эксплуатационном контроле сварных, клеевых, болтовых и других соединений, конструкций и изделий, широко применяемых в судостроении, строительстве, авиастроении, энергетике, нефтегазовых трубопроводных системах и т.д.
Методы обнаружения трещин классифицируют по физическому принципу взаимодействия искателя с изделием. Их выбор, эффективность и область применения зависят от природы материала, геометрии изделия, места возникновения трещины, условий ее зарождения и роста, наличия коррозии, фреттинга и т.д.
Различают методы визуально-оптические, капиллярные, магнитные (электромагнитные), вихревых токов, радиационные (радиографический, радиоскопический, радиометрический), ультразвуковые, акустической эмиссии, импедансный (вибрационный, звуковой), СВЧ-методы, интерферометрические (голографические) и инфракрасные (тепловизионные).
Визуально-оптическим методом начинают, как правило, поиск и обнаружение трещин, если на это есть основания и имеется возможность приложить к детали нагрузку, чтобы раскрыть трещину. Кроме простейших оптических приборов типа лупы и микроскопа, применяют бороскопы с местным подсвечиванием, эндоскопы с фотоприставками и гибкими световодами, которые значительно упрощают осмотры зон предполагаемых трещин в труднодоступных местах.
Капиллярный метод применяют для обнаружения поверхностных трещин в металлических и неметаллических изделиях. Он основан на искусственном повышении контрастности зоны трещины или дефектов относительно неповрежденной области до такой степени, что трещина может наблюдаться невооруженным глазом. Это достигается заполнением трещин и других дефектных полостей на поверхности детали цветоконтрастными веществами вследствие капиллярных свойств малых дефектов. Применение люминофоров и красителей в сочетании со специальным освещением, например ультрафиолетовым, позволяет выявить поверхностный дефект по яркому свечению люминесцирующего раствора.
Магнитный порошковый метод применяют для обнаружения трещин и других дефектов на поверхности или вблизи ее в деталях из ферромагнитных материалов любой формы, независимо от вида термообработки. Метод основан на выявлении искажения магнитного поля около трещины или подповерхностного дефекта с помощью мелкодисперсных ферромагнитных частиц, выполняющих роль индикаторов. Эти частицы под действием магнитных сил перемещаются в места наибольшей концентрации силовых линий – к зонам дефекта – и образуют контрастные накопления в виде линий или пятен. Намагничивание деталей проводят при определенном направлении магнитного потока, создаваемого полюсными электромагнитами, или пропусканием электрического тока через деталь. Направление силовых линий в детали выбирают перпендикулярным ожидаемому направлению трещин. Порошок или суспензию в зависимости от магнитных свойств материалов наносят в присутствии намагничивающего поля (магнитомягкие материалы) или в условиях остаточной намагниченности (магнитотвердые материалы). Магнитный контроль трещин широко применяют в машиностроении и двигателестроении для контроля стальных деталей после финишных технологических операций и термообработки.
Метод вихревых токов (электромагнитный метод) применяют для контроля электропроводящих материалов, заготовок и деталей на различных этапах производства и эксплуатации. Им обнаруживают поверхностные и подповерхностные трещины и дефекты, локальные коррозионные поражения (межкристаллитную коррозию), особенности структуры после термообработки. Измерением проводимости определяют зону, поврежденную огнем, или область коррозионных повреждений, а также осуществляют разбраковку материалов по маркам. С помощью вихретоковых дефектоскопов измеряют толщину листов, стенок, различных защитных покрытий, остаточных толщин после химического фрезерования и коррозии. Новые разработки по вихретоковому методу привели к созданию приборов для контроля многослойных неразъемных конструкций. Метод основан на индукционном возбуждении вихревых токов в электропроводящем материале объекта и регистрации изменений электромагнитного поля этих токов в связи с трещиной или дефектом в поверхностном слое детали. Источником и приемником электромагнитных колебаний является одна или несколько катушек индуктивности.
Радиационные методы обнаружения трещин и дефектов, а также нарушений внутренней конфигурации и взаимного расположения деталей, не доступных для осмотра при изготовлении, сборке, ремонте и эксплуатации, применяются для контроля слитков и отливок, сварных соединений, паяных и клепаных соединений, железобетонных изделий, неразъемных деталей самолетов, агрегатов и узлов конструкций.
ГОСТ 20426-82 на радиационные методы классифицирует их по принципу регистрации и наблюдения дефектов, а не по принципу жесткости излучения: радиографический (рентгеновское, гамма- и бета-излучение); электрорадиографический (рентгеновский); радиоскопический (рентгеновский, бетатронный); радиометрический (применение рентгеновских аппаратов, радиоактивных источников, бетатронов).
Радиационные методы выявляют подповерхностные и внутренние трещины и дефекты в деталях из любых материалов на основе ослабления или усиления ионизирующего излучения, вызванного дефектом и зафиксированного преобразователями излучений: радиографической пленкой, фотобумагой, электрорадиографической пластиной, флуороскопическим экраном, сцинтилляционным монокристаллом с электронно-оптическим преобразователем, рентгенотелевизионной установкой с рентгеновидиконом, с помощью ксерографии.
Акустические ульразвуковые (УЗ) методы и их разновидности эффективно применяют для обнаружения, измерения и определения координат трещин и дефектов. На их основе созданы и серийно выпускаются УЗ-дефектоскопы, интроскопы, полуавтоматические системы массового контроля. В УЗ-дефектоскопах используют методы, различающиеся по принципу действия и устройству приборов, а также по характеру измеряемых величин и мест расположения искателей (пьезодатчиков).
Теневой
метод (метод сквозного прозвучивания, метод
звуковой тени впервые был предложен в
Импульсный эхо-метод. Излучатель генерирует короткий ультразвуковой импульс, который отражается от дефекта, поверхности и «дна» изделия. Часть лучей возвращается на искатель, который теперь работает в режиме приемника. Поскольку «донные» отраженные сигналы поступают на искатель позднее, чем сигналы от дефектов, их различают на индикаторе. По амплитуде эхо-сигналов судят о величине трещины (дефекта), а по времени от момента излучения импульса до момента приема эхо-сигнала определяют расстояние до обнаруженной трещины. Этот метод широко применяют практически для любых материалов и конструкций, выявляя трещины и другие несплошности в сварных соединениях, трубах, сосудах, паяных и клееных соединениях, при контроле сотовых конструкций и композиционных материалов. Конструкция искателей определяется формой изделия, направлением прозвучивания и способом контакта с поверхностью. Обычно для надежного контакта с целью обеспечения приема – передачи ультразвука без значительных потерь в контактную щель, соизмеримую с длиной УЗ-волны, вводят иммерсию – минеральные масла, глицерин или воду. В некоторых случаях зазор увеличивают для обеспечения иммерсии при непрерывном истечении струи под движущийся искатель. Некоторые схемы прозвучивания и виды искателей показаны на рисунках 73 и 74.

Рис. 73.
Схема УЗ-контроля сварного соединения внахлестку
с трещиной в шве

Рис. 74. Схема УЗ-контроля проушины шарнирного узла со специальными
насадками для искателя и наклонной осью луча
Метод акустической эмиссии (АЭ). Процесс микротрещино-образования в деталях машин непосредственно связан с технологией производства материала и деталей, с режимами и условиями эксплуатации изделий. Излучение волн напряжений, обусловленное возникновением и развитием микродефектов (микротрещин) в материале, независимо от причины их появления (усталость, текучесть, термообработка, НДС, старение, вибровоздействие и т.д.), может быть обнаружено и зарегистрировано с высокой точностью современной акустической аппаратурой. Поэтому еще в начале 50-х годов началось интенсивное изучение «деформационных шумов». Физические причины возникновения упругих волн в структуре твердых тел связаны с поликристаллическим строением металлов и сплавов, их фазовым составом, а в неметаллических материалах – неидеальными связями между элементами многомерных структур и внутренним трением.
Экспериментально исследованы некоторые источники АЭ в твердых телах. Показано, что упругие волны напряжений возникают при движении скопления дислокации, двойниковании в кристаллах, фазовых превращениях в металлах и сплавах, образовании усталостных микротрещин, сопровождающемся эффектом динамической разгрузки материала в вершине трещины, пульсациями скоростей трещины и ее ветвления. Одновременно возникающие пластические деформации в вершине связаны со скольжением и двойникованием в кристаллах; кроме того трение поверхностей без смазочного материала, когда «слипание» по вершинам микронеровностей приводит к местным пластическим деформациям также регистрируется, как сигналы АЭ.
Начало трещинообразования связано с сигналами АЭ различной интенсивности и амплитуды. Поэтому для решения задачи обнаружения момента зарождения микротрещины проводится селекция сигналов АЭ по амплитудным, временным и спектральным параметрам. Во всех случаях нужны калибровка датчиков и аппаратуры и определение пороговых значений сигналов, на которые настраиваются приборы оповещения.
Определение местоположения вершины трещины по сигналам АЭ осуществляют на основе четырех пространственно разнесенных на объекте датчиков – пьезопреобразователей, осуществляющих локацию по измерению времени задержки между моментами поступления сигнала в соответствующие каналы приема и регистрации.
При циклическом нагружении конструкций толкование сигналов АЭ значительно усложняется вследствие шумовых помех, вызванных самой испытательной техникой, и физических особенностей. «Эффект Кайзера», заключается в невоспроизводимости сигналов АЭ при повторном нагружении до уровня напряжений первого нагружения, значительно снижается уровень сигналов АЭ, которые становятся близки по амплитудам к внешним помехам.
Несмотря на недостатки метода АЭ, заключающиеся в сложности аппаратуры и анализа результатов, в привлечении к работам высококвалифицированного персонала, в необходимости подавления активных помех, требующих ряда дополнительных мероприятий, методу АЭ присущ ряд уникальных свойств: высокая чувствительность определения сигналов АЭ; возможность следить только за активным развивающимся дефектом, представляющим опасность для конструкции; использование неподвижных (без сканирования) датчиков, устанавливаемых на значительных расстояниях от трещины; универсальность в применении к твердым телам при возникновении в них упругих колебаний.
- Для чего необходимо знать механические характеристики материала?
- Какова современная трактовка физического и технического смысла важнейших механических свойств?
- Какие виды испытаний материалов применяются на практике?
- Какие есть схемы напряженного и деформированного состояния при механических испытаниях по Я.Б.Фридману?
- Назовите классификацию механических испытаний по способу нагружения и характеру изменения нагрузки во времени.
- Как производится статистическая обработка механических испытаний?
- Какая испытательная техника используется для испытания материалов?
- Что собой представляют образцы и конструкция машины для испытаний на растяжение? методика проведения испытаний.
- Какие характерные точки имеет диаграмма растяжения стали?
- Что называется пределом пропорциональности, пределом упругости, пределом текучести и пределом прочности?
- Какое явление называют текучестью?
- Что такое «шейка», в какой точке диаграммы растяжения она образуется?
- Что такое упругие свойства и неполная упругость материалов?
- Что представляет собой механизм упругого последействия в свете теории точечных дефектов?
- Что такое релаксационное, гистерезисное и резонансное внутреннее трение?
- Пластическая деформация металлов двойникованием.
- Что такое кристаллографические плоскости и направления преимущественного двойникования.
- Каково влияние различных факторов на пластическую деформацию металлов и их деформированное упрочнение?
- Что такое энергия дефектов упаковки, схемы напряженного состояния, температуры и скорости?
- Почему полученные при испытаниях механические характеристики носят условный характер?
- В чем различия между упругими и пластичными деформациями?
- Перечислите характеристики прочности?
- Перечислите характеристики пластичности?
- Чем отличается абсолютная продольная и относительная продольная деформации?
- Какова размерность относительной деформации?
- Назовите все характеристики прочности материала. Сколько их?
- Назовите характеристики пластичности?
- Какие материалы считаются хрупкими? Какие из механических характеристик выступают в качестве порогового критерия?
- Что называется модулем продольной упругости Е? Как сказывается величина Е на деформации бруса?
- Что называют коэффициентом Пуассона и в каких пределах он принимает значения для различных материалов?
- Какое явление называют “наклёпом” (нагартовкой)?
- Чем отличается диаграмма растяжения малоуглеродистой стали от диаграммы для высокоуглеродистой стали?
- Что называют упругостью, пластичностью, ползучестью?
- В каких координатах строится машинная и условная диаграммы растяжения? Почему она называется условной?
- Чем отличаются диаграммы растяжения и сжатия для пластичных материалов?
- Чем отличается диаграмма растяжения пластичной стали от диаграммы растяжения хрупкой стали?
- Чем отличается диаграммы сжатия пластичной и хрупкой стали от диаграммы растяжения?
- Чем отличается диаграмма растяжения чугуна от диаграммы сжатия?
- Что называется остаточным относительным удлинением образца и относительным остаточным сужением шейки образца? Какое свойство материала они характеризуют?
- Что называют условным пределом текучести? Для каких материалов определяется эта механическая характеристика?
- Чем отличаются диаграммы растяжения и сжатия для хрупких материалов?
- О чём свидетельствует появления на образце линий Людерса-Чернова?
- Как записывается условие пластичности Треска-Сен-Венана?
- Как записывают в главных напряжениях условие пластичности Губера-Мизеса-Генки?
- Как изменяются механические свойства материала с повышением и понижением температуры?
- В чем разница между диаграммой растяжения, вычерченной автоматически, и приведенной диаграммой растяжения?
- Сопоставьте диаграммы растяжения и сжатия стали и чугуна. Какие отличия наблюдаются в характере разрушения образцов из этих материалов?
- Что называется пределом пропорциональности, пределом упругости, пределом текучести, пределом прочности?
- Какие деформации называются упругими и какие остаточными? Что называется наклепом, последействием, релаксацией?
- Как определяется работа внешней силы и потенциальная энергия в образце по диаграмме растяжения? В каких случаях эти величины совпадают?
- Дайте определение нормативного (Rн) и расчетного (R) сопротивления и опишите, как они устанавливаются?
- Какая из механических характеристик выбирается в качестве предельного напряжения для пластичных и хрупких материалов?
- В чем различие между предельным и допускаемым напряжениями?
- Что называется относительной продольной и относительной поперечной деформацией? Для чего они определяются?
- Можно ли определить модуль упругости Е по диаграмме растяжения?
- При достижении какого состояния образца на его поверхности появляются линии Чернова (Людерса)?
- Что понимается под наклепом материала?
- Что выражает собой площадь диаграммы растяжения?
- Какое влияние на испытуемый материал оказывает повышение и понижение температуры?
- В чем особенность диаграммы растяжения пластичных материалов?
- Назовите характеристики пластичности материала.
- Сравните механические характеристики при растяжении и сжатии?
- Что собой представляют схемы и формы образцов для испытаний на сжатие?
- Что собой представляют схемы разрушения при сжатии: срез и отрыв?
- Как проводятся испытания на изгиб? Диаграмма изгиба.
- Что собой представляет технологическая проба на изгиб?
- Как проводятся испытания на кручение? Диаграмма кручения.
- Какова основная характеристика пластичности при кручении?
- Что такое твердость? Понятие и определение твердости.
- Каковы способы определения твердости? Твердость по Бринеллю. Методика определения твердости.
- Твердость по Виккерсу. Методика определения твердости.
- Твердость по Роквеллу. Методика определения твердости. Микротвердость.
- Какова методика определения микротвердости?
- Что такое жаропрочность? Понятие и определение жаропрочности.
- Назовите основные методы определения характеристик жаропрочности?
- Каково влияние легирования структуры на характеристики жаропрочности?
- Что такое логарифмическая ползучесть?
- Что такое неустановившаяся высокотемпературная ползучесть?
- Какова модель диффузионной ползучести?
- Каковы образцы и методика испытаний на ползучесть?
- Что собой представляет третья стадия ползучести и механизмы зарождения трещины?
- Как производятся испытания на длительную прочность?
- Каковы свойства материала при динамических испытаниях?
- Назовите особенности пластической деформации и разрушения при динамическом нагружении.
- Как производятся динамические испытания на изгиб? Задача ударных испытаний.
- Каковы размеры и форма образцов с надрезом для испытания на ударный изгиб?
- Что такое ударная вязкость?
- Назовите зависимость вязкости разрушения от скорости деформации.
- Что такое усталость? Анализ диаграммы усталости.
- Назовите факторы, влияющие на усталостную прочность.
- Какова методика проведения усталостных испытаний?
- Как осуществляется проведение усталостной долговечности?
- Построение вероятностных диаграмм усталости.
- Как проходят испытания на циклическую трещиностойкость?
- Как определяются механические свойства резины?
- Как определяется прочность древесины при сжатии вдоль волокон, при изгибе, при скалывании вдоль волокон?
- Как осуществляется определение статической твердости древесины?
- Что называют прочностью, пластичностью, упругостью, твердостью материала?
- Что представляет собой коэффициент запаса прочности, с какой целью и как его назначают?
- В чем основное назначение определения твердости готовых деталей?
- Тело, у которого упругие свойства по всем направлениям одинаковы, называется:
1. Изотропным.
2. Упругим.
3. Хрупким.
4. Анизотропным.
5. Однородным.
- Напряжение, которое следует создать в растянутом образце, чтобы его напряженное состояние было равноопасным заданному напряженному состоянию, называется:
1. Опасным.
2. Допускаемым.
3. Предельным.
4. Эквивалентным.
5. Критическим.
- Нагрузка, при которой первоначальная форма равновесия конструкции перстает быть устойчивой, называется:
1. Предельной.
2. Критической.
3. Динамической.
4. Разрушающей.
5. Динамической.
- Напряжение, при котором наблюдается рост деформаций без изменения нагрузки, называется:
1. Пределом пропорциональности.
2. Пределом текучести.
3. Критическим.
4. Пределом прочности.
5. Допускаемым.
- Два напряженных состояния называются равноопасными, если у них одинаковые:
1. Критические напряжения.
2. Допускаемые напряжения.
3. Пределы текучести.
4. Пределы прочности.
5. Коэффициенты запаса.
- Способность конструкции сопротивляться деформации называется:
1. Жесткостью.
2. Твердостью.
3. Выносливостью.
4. Устойчивостью.
5. Прочностью.
- Способность тела сохранять заданную (первоначальную) форму равновесия называется:
1. Прочостью.
2. Жесткостью.
3. Надежностью.
4. Упругостью.
5. Устойчивостью.
- Число, показывающее во сколько раз надо увеличить напряжения в теле, чтобы получить опасное состояние, называется:
1. Коэффициентом концентрации.
2. Коэффициентом чувствительности.
3. Пределом текучести.
4. Пределом прочности.
5. Коэффициентом запаса.
- Тело, у которого упругие свойства по различным направлениям неодинаковы,называется:
1. Изотропным.
2. Упругим.
3. Хрупким.
4. Анизотропным.
5. Неоднородным.
- Что определяют при механических испытаниях материалов?
1. Химический состав.
2. Механические характеристики.
3. Теплопроводность.
4. Радиоактивность.
- Какую диаграмму строят при механических испытаниях?
1. Диаграмму электропроводности.
2. Диаграмму относительной стоимости.
3. Диаграмму растяжения (сжатия).
4. Диаграмму Пурбэ.
- Между какими
величинами устанавливает зависимость диаграмма растяжения?
1. Напряжениями и температурой.
2. Напряжениями и деформациями.
3. Усилиями и напряжениями.
4. Усилиями и
деформациями.
- Какие
характеристики материалов определяют при механических испытаниях?
1. Характеристики химической активности.
2. Характеристики электрической проводимости.
3. Характеристики прочности и пластичности.
4. Характеристики
коррозионной стойкости.
- Какая из
характеристик стали не относится к характеристикам прочности?
1. Предел прочности.
2. Предел текучести.
3. Предел пропорциональности.
4. Относительное остаточное удлинение.
5. Предел упругости.
- Какая из
характеристик малоуглеродистой стали не является характеристикой пластичности?
1. Относительное сужение образца после разрыва.
2. Относительное остаточное удлинение после разрыва.
3. Относительное остаточное изменение объема после разрыва.
- Какие свойства
приобретает малоуглеродистая сталь в результате наклепа?
1. Становится более пластичной.
2. Становится более хрупкой.
3. Не меняет своих
свойств.
- Какое из
напряжений не считается опасным?
1. Предел пропорциональности.
2. Предел текучести.
3. Предел прочности.
- Если σ0 - опасное напряжение, а n0 - коэффициент запаса прочности, то каким из выражений
необходимо воспользоваться для определения величины допускаемых напряжений?
1. ![]()
2. ![]()
3. ![]()
4. ![]()
- Материал называется изотропным, если…
1. он имеет кристаллическую структуру;
2. свойства образца, выделенного из материала, не зависят от его угловой ориентации;
3. свойства образца, выделенного из материала, зависят от его угловой ориентации;
4. он имеет волокнистую структуру.
- Чугун и сталь – материалы…
1. неоднородные;
2. вязкоупругие;
3. изотропные;
4. анизотропные.
- Примером анизотропного материала является…
1. древесина;
2. сталь;
3. чугун;
4. бетон.
- Пластичностью называется свойство материала…
1. сохранять некоторую часть деформации после снятия нагрузки;
2. сопротивляться проникновению в него другого более твердого тела;
3. восстанавливать свою форму и размеры после снятия нагрузки;
4. сопротивляться разрушению.
- Машинная диаграмма выражает
зависимость:
1. σ~ε;
2. σ~∆l;
3. F~ε;
4. F~∆l.
Ответ: (4), поскольку диаграммный аппарат машины фиксирует
зависимость абсолютного удлинения ∆l от величины силы F в каждый момент нагружения.
- Всегда ли напряжения,
определяемые делением силы на начальную площадь, являются “истинными”?
1. всегда;
2. только в зоне
текучести;
3. только в зоне
упрочнения;
4. только в зоне
малых упругих деформаций.
Ответ: (4), поскольку только при малых упругих деформациях
изменение площади пренебрежимо мало.
- Для каких
материалов не следует вычислять условный предел текучести σ0.2?
1. для всех
пластичных;
2. для
хрупких;
3. для пластичных
материалов имеющих площадку текучести;
4. для всех
материалов.
Ответ: (3), поскольку при наличии площадки текучести определяется
физический предел текучести σу, в других
же случаях определяют условный предел текучести – напряжение при котором относительная
деформация составляет 0.2%.
- При растяжении
материал был нагружен таким образом, что произошло его упрочнение. Как
изменились его свойства?
1. увеличилась
величина σu;
2. увеличился σрr, а δ уменьшилось;
3.
увеличились прочностные и пластические характеристики;
4. увеличились σрr и δ.
Ответ: (3), поскольку попав в зону упрочнения
материал при повторном нагружении уже не фиксирует
площадку текучести, его предел упругости повысился до уровня напряжений
“упрочнения”, однако его характеристики пластичности ухудшились.
- Какая из
механических характеристик отличается при испытании нормальных и коротких (l=5d) образцов?
1. σе;
2. ψ;
3. σu;
4. δ.
Ответ: (4), поскольку зона местной текучести (образование утяжины перед разрывом) имеет примерно одинаковые размеры
для любого образца, то относительное удлинение δ у пятикратных (коротких)
образцов получается более высоким.
- Для свойств
хрупкого материала характерна следующая зависимость (р - растяжение, с -
сжатие);
1. σuр > σuс;
2. σур < σус;
3. σuр < σuс;
4. σур > σус.
Ответ: (3), поскольку для хрупких материалов временное
сопротивление на сжатие существенно выше.
- Рабочая длина
нормального образца больше его диаметра в:
1. в 5 раз;
2. в 10 раз;
3. в 2 раза;
4. в 7 раз.
- В пределах малых
упругих деформаций полная деформация равна:
1. сумме упругой и
пластической;
2. разности
пластической и упругой;
3. упругой;
4. пластической.
- В зоне упрочнения
полная деформация равна:
1. упругой;
2. пластической
3. сумме упругой и
пластической;
4. разности
пластической и упругой.
- Какой из
вариантов соотношения характеристик прочности является верным?
1. σu > σрr > σу > σе;
2. σpr > σе > σу > σu;
3. σu > σpr > σе > σу;
4. σu > σу > σе > σpr.
- Если модуль
продольной упругости первого материала Е1>Е2
– модуля второго, то при одинаковых напряжениях в первом и втором материалах
относительные продольные деформации:
1. ε1 ≥ ε2;
2. ε1 = ε2;
3. ε1 ≤ ε2;
4. ε1 < ε2.
- Отличаются ли
модули продольной упругости материала при сжатии и при его растяжении?
1. не
отличаются;
2. Eсж > Eраст;
3. отличаются
незначительно;
4. Eсж < Eраст.
- Равенство нулю коэффициента
Пуассона (𝜇=0)
свидетельствует о том, что:
1. отсутствуют относительные
продольные деформации;
2. при наличии относительных продольных отсутствуют относительные
поперечные деформации;
3. тело не
нагружено;
4. материал имеет
очень низкий модуль продольной упругости.
- Для хрупкого
материала отношение временных пределов прочности при сжатии и при растяжении:
1) равно 1;
2) >1;
3) <1;
4) >>1.
- На каком из участков диаграммы напряжений расположена
зона самоупрочнения?

- На каком из
участков диаграммы напряжений расположена зона упругих деформаций?

- На каком из
участков диаграммы напряжений расположена зона упруго-пластических
деформаций?

- Линейная деформация характеризуется…
1. жестким перемещением;
2. относительным удлинением;
3. линейным напряжением;
4. пластичностью.
- Основные механические характеристики материала определены
по диаграмме растяжения образца, показанной на рисунке. Деталь из этого
материала будет работать на растяжение или сжатие в условиях статического нагружения при напряжениях, не превышающих предел текучести.
В этом случае …

1.
дополнительные испытания не требуются
2. необходимо провести испытания на сжатие
3. необходимо провести испытания на кручение
4. необходимо провести испытания на сдвиг и сжатие
- Деформации называются малыми упругими, если остаточная деформация составляет…
1) 0,5%;
3) 10%;
2) 1%;
4) 0,2%.
- Часть деформации, которая не исчезает после снятия внешней нагрузки, называется…
1. деформационной;
2. пластичной;
3. упругой;
4. напряженной.
- Временным сопротивлением называется максимальное напряжение, которое…
1. упрочняет образец;
2. выдерживает образец;
3. временно действует на образец.
- Та часть деформации, которая не исчезает
после снятия внешней нагрузки,
называется…
1. упругой;
2. пластичной;
3. линейной;
4. комплексной.
- Пределом текучести называется напряжение, после которого относительная остаточная деформация составляет…
1) 0,2%;
2) 1%;
3) 4%;
4) 5%.
- Допускаемое напряжение для хрупких материалов рассчитывают по…
1. временному сопротивлению;
2. пределу текучести;
3. модулю Юнга;
4. полному напряжению.
- Допускаемое напряжение для пластичных материалов рассчитывают по…
1. временному сопротивлению;
2. пределу текучести;
3. модулю Юнга;
4. полному напряжению.
- Какой из датчиков не применяется в электротензометрах?
1. индуктивный;
2. сопротивления;
3. емкостной;
4. давления.
- Месдозы могут применяться в качестве датчиков…
1. сопротивления;
2. давления;
3. индуктивности;
4. деформации.
- Слоистые модели применяются с целью изучения процессов…
1. деформации;
2. текучести;
3. изменения сопротивления;
4. интерференции.
- Тензометры предназначены для экспериментального определения…
1. относительных удлинений;
2.
угловых деформаций;
3. определения усилий;
4. прочности материала.
- Тарировка датчиков тензометров производится с целью определения…
1. диапазона применения;
2. тензочувствительности;
3. прочности;
4. надежности.
-
Тензометры применяются для определения…
1. скорости течения
2. деформаций и перемещений
3. интенсивности напряжений
4. траектории главных напряжений
- Месдозы позволяют через величину деформации определять…
1. напряжение;
2. силу;
3. ускорение;
4. сопротивление.
- Муаровой полосой называется геометрическое место точек имеющих одинаковое…
1. напряжение;
2. перемещение;
3. сопротивление;
4. давление.
- В качестве радиоактивных изотопов при изучении особенностей деформации металлов применяются изотопы…
1. железа и серы;
2. висмута;
3. серебра;
4. меди и кобальта.
- Механическим способом нанесения координатной решетки на образец можно получить ячейки размером до…
1) 1 мкм;
2) 50 мкм;
3) 5 мм;
4) 10 мм.
- Наиболее полно требованиям к материалам проволочных датчиков сопротивления соответствует…
1. нихром;
2.
константан;
3. манганин;
4. платина.
- Необходимая стабильность и точность результатов измерений с помошью месдоз достигается при соотношении диаметра и высоты упругого элемента…
1) 2 - 3;
2) 10 - 15;
3) 0,4 - 0,5;
4) 0,1- 0,2.
- Картина муаровых полос основывается на…
1. интерференции;
2. распределении интенсивности света;
3. дифракционных явлениях;
4. рефракции.
- Экспериментальный метод хрупких покрытий позволяет получить информацию о…
1. интенсивности напряжений;
2. траектории главных деформаций;
3. скорости течения.
- База проволочных датчиков сопротивления
лежит в пределах…
1) 0,1 – 0,5 мм;
2) 1 – 20 мм;
3) 1 – 5 мкм;
4) 50 – 100 мм.
- Основным недостатком потенциометрической схемы включения тензодатчиков является…
1. низкий уровень измерительного сигнала;
2. сложность конструкции;
3. необходимость начальной балансировки;
4. высокая стоимость.
- Какой из датчиков не применяется в электротензометрах?
1. индуктивный;
2. сопротивления;
3. емкостной;
4. давления.
- Основным достоинством мостовой схемы включения тензодатчиков является…
1. высокая термостабильность;
2. простота балансировки;
3. высокая тензочувствительность;
4. высокая надежность.
- Явление, положенное в основу электротензометрии основано на изменении
1. электрического сопротивления;
2. электромагнетизма;
3. электролиза;
4. диэлектрических свойств.
- Наиболее часто в качестве модельного материала при исследовании процессов прокатки применяется…
1. сталь;
2. пластилин;
3. свинец;
4. медь.
email: KarimovI@rambler.ru
Адрес: Россия, 450071, г.Уфа, почтовый ящик 21
Теоретическая механика Строительная механика
Прикладная механика Детали машин Теория машин и механизмов