Определение грузоподъемности центрально-сжатого стержня из
условия устойчивости
Пример 1.
Стержень,
показанный на рис. 1, а,
загружен сжимающей силой F. Поперечное сечение
стержня, состоящее из двух швеллеров № 30 и двух планок, соединенных со
швеллерами четырьмя болтами, изображено на рис. 1, б. Размер планок 400х12 мм, диаметр болтов 20 мм. Материал – сталь
С235 с
.
Требуется:
1) найти значение критической нагрузки;
2) определить допускаемую нагрузку так, чтобы выполнялись условия устойчивости и прочности стержня;
3) вычислить нормируемый коэффициент запаса устойчивости.

Рис.1
Решение.
Прежде всего,
найдем моменты инерции поперечного сечения относительно главных центральных
осей. Сечение имеет две оси симметрии (оси y и z на
рис. б), поэтому эти оси и будут
главными центральными осями инерции сечения. Моменты инерции относительно этих
осей определяем, используя данные из сортамента прокатной стали и формулы
,
:
![]()
![]()
Минимальным оказался момент инерции относительно оси z. Определяем площадь сечения
![]()
и минимальный
радиус инерции по формулам
,
и выбрав минимальный
из двух:


Рис.2
Теперь можно
найти гибкость стержня. Для заданного условия закрепления стержня в
соответствии с рис. 2 коэффициент
. Тогда по формуле ![]()
![]()
Сравним
величину полученной гибкости стержня с характеристиками
и
для материала сталь
С235. Для стали С235

по таблице в (справочные данные). Таким образом,
и для определения
критической силы следует использовать формулу Ясинского
:
![]()
Значения коэффициентов a и b в формуле Ясинского взяты из таблицы в (справочные данные) и переведены из МПа в кН/см2.
Найдем
допускаемую нагрузку из условия устойчивости по формуле
. Для определения коэффициента
используем таблицу в (справочные данные). Интерполируем значения
, заданные в таблице:
соответствует
,
. Тогда
гибкости
рассматриваемого
стержня соответствует
. Значение допускаемой нагрузки
![]()
Проверим,
удовлетворяет ли найденная допускаемая нагрузка условию прочности
. Вычислим площадь нетто, уменьшив полную площадь сечения на
площадь, занимаемую четырьмя отверстиями под болты (при выполнении
расчетно-проектировочной работы студенту предлагается условно принять площадь
ослаблений, составляющую 15% от полной площади):
![]()
Тогда условие прочности
![]()
выполняется.
В заключение найдем нормируемый коэффициент запаса устойчивости по формуле:

Коэффициент запаса устойчивости
находится в пределах
.
Пример 2.
Определить
критическую нагрузку для сжатого стального стержня, имеющего прямоугольное
поперечное сечение 4
6 см. Концы стержня
шарнирно закреплены. Длина стержня l = 0,8
м.
Решение.
Вычисляем минимальный радиус инерции поперечного сечения стержня:
![]()
Согласно
рисунку принимаем

Находим значение гибкости сжатого стержня:
![]()
Так как
, то для вычисления критического напряжения
используем формулу
Ясинского
предварительно выписав
из таблицы (справочные данные) коэффициенты а = 310 МПа, в = 1,14 МПа, с = 0:
![]()
и тогда Fcr =![]()
0,55 мН = 550 кН.
Пример 3.
Определить
величину критической силы, критического напряжения для стойки длиной l = 4 м, один конец которой жестко защемлен, а другой шарнирно оперт.
Материал стойки – сталь с
Поперечное сечение
стойки показано на рисунке.

Решение.
Согласно
рисунку, приведенному в предыдущем примере принимаем
Вычисляем осевой
момент инерции кольцевого поперечного сечения:
![]()
а затем и радиус инерции поперечного сечения:
![]()
Определяем гибкость сжатого стержня:
![]()
Таким образом,
критическую силу вычисляем по формуле Эйлера
:
![]()
а критическое
напряжение по формуле
:
![]()
Пример 4.
Определить
критическую силу для деревянной стойки прямоугольного поперечного сечения 10
20 см и длиной 8 м, если оба конца стойки шарнирно
закреплены. Материал стойки – сосна с модулем продольной упругости Е =
МПа.
Решение.
Согласно
рисунку, приведенному в предыдущем примере принимаем
Определяем
гибкость стойки 
Следовательно,
для определения критической силы будем применять формулу Эйлера
:

Ответ:
= 25,68 кН.
Пример 5.
Составной
стальной стержень длиной 5 м состоит из двух швеллеров № 20, соединенных
вплотную (см. рис.). Определить допустимую сжимающую нагрузку, если оба конца
стержня шарнирно закреплены. Материал швеллеров – сталь с

Решение.
Расчет
составных элементов из уголков, швеллеров и т.п., соединенных вплотную или
через прокладки, следует выполнять как сплошностенчатых. Находим ![]()
![]()
![]()
Определяем
гибкость сжатого составного элемента по формуле
:
а из таблицы (справочные данные) находим
= 0,2284. И, наконец,
из формулы
определяем при
:
![]()
Для сравнения
найдем критическую силу для рассматриваемой сжатой стальной стойки (
). Имеем
следовательно,
используем формулу Эйлера
:
![]()
Пример 6.
Определить допускаемую нагрузку для стойки (см. рис.), выполненной из двутавра №18, в случаях l=4 м и l=2,5 м, принимая запас устойчивости ny=2,5.
Данные для сечения двутавра № 18: площадь F=30,6 см2, imin=iy=2,0 см, Imin=Iy=122 см4.

Решение.
Для материала
стоек
=100. Гибкость первой стойки
.
Поэтому для определения критической силы надо воспользоваться формулой Эйлера, а допускаемую нагрузку определить по формуле:

Гибкость
второй стойки ![]()
Следовательно,
выпучивание стойки происходит при
и для определения
допускаемой нагрузки можно воспользоваться формулой
![]()
Отсюда
![]()
Пример 7.
Определить
допускаемое значение силы
из расчета на
устойчивость стержня при заданном коэффициенте запаса устойчивости
. Длина стержня l=1,2 м, материал Ст.
30. Закрепление и размеры
сечения стержня
показаны на рисунке при

Решение.
Рассмотрим
сначала определение моментов
и радиусов
инерции данной фигуры, которая имеет две оси
симметрии
, которые и являются главными осями инерции. Главные моменты
инерции
определяются по
формулам

Тогда радиусы инерции определяются так:

Коэффициенты
приведенной длины ![]()
Гибкость стержня в двух плоскостях находятся (относительно осей x , y соответственно):
![]()
Имеем
![]()
Тогда критическая сила определяется по формуле Эйлера
![]()
Допускаемое значение нагрузки
равно
.
Указание. Если заданная фигура сечения имеет одну ось симметрии, то необходимо определить положение центра тяжести и применить формулу параллельного переноса
.
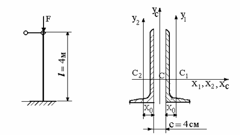
Пример 8.
Стальной
стержень длиной
двутаврового сечения
№18, шарнирно закреплённый на одном и жёстко на другом краях, сжимается силами Р. Требуется определить допускаемое и
критическое значения силы Р, если
Решение.
Из сортамента
стального проката для двутавра №18 находим F =
23,4 см2,
Коэффициент приведения
длины Ясинского для данного типа закрепления
гибкость стержня
Так как
то критическая сила
может быть определена по формуле Эйлера:
![]()
По таблице
коэффициентов
после интерполяции
находим
Вычисляем допускаемое
значение внешней силы:
Коэффициент
запаса на устойчивость ![]()
Если принять
длину
, то
В этом случае для
определения критической силы использовать формулу Эйлера нельзя. Воспользуемся
формулой Джонсона:
Допустимая нагрузка:
![]()
Коэффициент
запаса ![]()
Если воспользоваться формулой Ясинского, то
Коэффициент
запаса:
Пример 9.
Определить критическую силу для стального стержня
(
МПа) прямоугольного сечения (см. рис.), если размеры
сечения: b=0,06 м, h =0,1 м, длина стержня l=3,5
м.

Решение.
Определяем гибкость по формуле:
.
Вычисляем
Коэффициент приведения длины
=1.
Тогда
.
Вычисляем предельную гибкость для стали:
Так как
, то критическую силу надо считать по формуле Эйлера:
![]()
где
Расширим эту задачу и определим критическое
напряжение:
Таким
образом, при гибкости стержня
=202 критическим оказалось напряжение, не только значительно
меньшее предела пропорциональности (
=200 МПа), но в три с лишним раза меньше допускаемого напряжения
(
=
160 МПа).
Пример 10.
Вертикальный
стальной стержень (марка стали Ст. 3),
поперечное сечение которого показано на рисунке, сжимается с торца
консервативной силой P. Длина стержня
м,
см.
![]()
![]()
![]()

Определить
значение критической и допускаемой нагрузки. Вычислить коэффициент запаса
устойчивости стержня
. Допускаемое
напряжение
кН/см2,
модуль Юнга
кН/см2.
Решение задачи получить для двух вариантов закрепления концов стержня, когда
оба конца шарнирно оперты (
) и оба конца жестко защемлены (
).
Решение.
1. Определяем
геометрические характеристики поперечного сечения стержня.
Площадь
см2.
Минимальный
осевой момент инерции
см4.
Минимальный
радиус инерции поперечного сечения стержня
см.
2. Вычисляем
гибкость стержня
.
Для случая,
когда оба конца стержня шарнирно оперты:
.
Если оба
конца стержня жестко защемлены, то
.
3. Определяем
коэффициент уменьшения основного допускаемого напряжения
.
Для случая,
когда оба конца стержня шарнирно оперты, линейной интерполяцией находим, что
при гибкости
коэффициент уменьшения
основного допускаемого напряжения
.
Если оба
конца стержня жестко защемлены, гибкости
соответствует
.
4. Определяем
допускаемую нагрузку.
Условие
устойчивости стержня имеет вид:
.
Отсюда,
допускаемая нагрузка равна
.
Для случая,
когда оба конца стержня шарнирно оперты, имеем
кН.
Если же оба
конца стержня жестко защемлены, получим
кН.
5. Вычисляем
критическую нагрузку.
Критическую
нагрузку для шарнирно опертого по концам стержня вычисляем по формуле Эйлера, поскольку гибкость стержня
больше предельного значения:
. Тогда
кН.
Для случая,
когда оба конца стержня жестко защемлены, гибкость
. Поэтому критическую нагрузку определяем по двум формулам:
по формуле Ясинского
,
где a и b –
эмпирические коэффициенты, и по формуле
,
где
– предел текучести. В
результате принимаем меньшее из полученных по этим формулам значение
критической нагрузки.
Для стали марки Ст. 3
кН/см2;
кН/см2;
кН/см2.
Тогда по первой формуле найдем
кН,
а по второй –
кН.
Таким
образом, для стержня, концы которого жестко защемлены,
кН.
6. По формуле
вычисляем коэффициент
запаса устойчивости стержня.
Для случая,
когда оба конца стержня шарнирно оперты, имеем
.
Если же оба
конца стержня жестко защемлены, получим
.
Рекомендуемые значения коэффициента
запаса устойчивости для стальных стержней следующие
.
Таким
образом, оба найденных нами значения коэффициента запаса устойчивости находятся
в рекомендуемых пределах.
Пример 11.
Для составной
центрально сжатой стальной стойки (см. рис.), состоящей из двух неравнобоких
уголков 75x50x6 мм, требуется:
1. Определить
критическую и допускаемую нагрузки (сталь Ст. 3).
2. Вычислить коэффициент запаса устойчивости.

а)
б)
Решение.
Из сортамента
ГОСТ 8510 – 89 для одного уголка выписываем:
Jx=40,9 см4; Jy = 14,6 см4; А = 7,25 см; Х0
= 1,21 см; ix = 2,38 см; iy = 1,42 см.
Определяем
главные центральные моменты инерции и радиусы инерции (рис. б):
;
;
,(где ix –
из сортамента), т.е. ix = 2,38 см = 2,38×10-2
м;

Сравнивая
значения ix и iy видим что imin = ix = 2,38×10-2 м.
Вычисляем
гибкость стойки: ![]()
Так как гибкость
стойки
больше предельной
гибкости для стали (
=100), то определяем критическую силу по формуле Эйлера:
Из таблицы
значений коэффициента понижения основного допускаемого напряжения для
стали Ст 3 при
расчетной гибкости
= 118 имеем:
при
= 110
= 0,52;
при
=120
= 0,45.
Используя формулу
линейной интерполяции для
гибкости
= 118 получим:
,
где K = 8 - число единиц в
значении гибкости
= 118.
Вычисляем
допускаемую нагрузку, принимая
= 160 МПа:
![]()
Для
вычисления коэффициента запаса устойчивости используем формулу:
.
Расчет на устойчивость систем с одной или двумя степенями свободы при
помощи уравнений равновесия
Пример 12.
Два бесконечно жестких стержня связаны между собой шарниром (см. рис.) и оперты на упругие пружины, жесткость которых равна k. Определить критическое значение сжимающей силы.
![]()
![]()

Решение.
Решим поставленную задачу статическим методом при помощи уравнений равновесия для отклоненного состояния. Для этого рассмотрим систему, показанную на рисунке в отклоненном состоянии, т.е. после потери устойчивости. В отклоненном состоянии на упругих опорах возникнут опорные реакции Ra = ka1 и Rb = ka2, где k – жесткость упругих связей (пружин), равная силе, вызывающей единицу деформации упругой связи (пружины). Будем считать, что k – известная величина. Составим условие равновесия моментов относительно точки О:
,
а после подстановки в полученное выражение значений опорных реакций Ra и Rb получим
.
(1)
Составим также
условие равенства момента нулю в шарнире А/
в отклоненном состоянии:
, а после подстановки в полученное выражение значения опорной
реакции Rb получим
.
(2)
Таким образом, имеем систему двух уравнений (1), (2) с двумя неизвестными геометрическими параметрами а1 и а2. Полученная система содержит два однородных уравнения и, следовательно, определитель, составленный из коэффициентов при неизвестных а1 и а2, должен быть равен нулю:
![]()
Раскрывая определитель, получим уравнение второй степени
![]()
решения
которого имеют вид:
откуда находим два
значения критической силы: Fcr,1
= 0,38kl и Fcr,2
= 2,63kl. Окончательно принимаем Fcr = 0,38kl как наименьшую
критическую силу, вызывающую потерю устойчивости.
Определение критических сил при помощи энергетического
метода
Энергетический метод основан на использовании теоремы Лагранжа – Дирихле о полной потенциальной энергии.
Рассмотрим порядок расчета для энергетического метода:
1. Задаются уравнением новой формы равновесия в виде одного или нескольких членов ряда, удовлетворяющих краевым условиям:
![]()
При выборе функции у кинематические граничные условия (прогибы, углы поворота) должны быть удовлетворены обязательно. Статическим граничным условиям (изгибающим моментам, поперечным силам) удовлетворять не обязательно, однако для получения более точных результатов – крайне желательно. Имеются специальные таблицы для выбора уравнений криволинейной формы равновесия стержня, потерявшего устойчивость. Например, в таблице 2 приведены данные для трех видов стержней.
Таблица 2
|
Схема стойки |
Нижний (левый) конец |
Верхний (правый) конец |
Уравнение криволинейной формы равновесия прямых стержней |
||||
|
y(0) |
y/(0) |
y(l) |
y/(l) |
||||
|
|
0 |
0 |
- |
- |
|
||
|
|
0 |
- |
0 |
- |
|
||
|
|
0 |
- |
0 |
- |
|
||
2. Вычисляем полную потенциальную энергию П системы при переходе из новой формы равновесия в первоначальную:
(1)
где rii – жесткость упругой
связи, Н/м; ai –
линейная деформация (удлинение или укорочение) упругой связи, Fcr,k –
неизвестное значение критической силы и
– перемещение, на котором критическая сила Fcr,k совершает работу.
Принимая во
внимание дифференциальное уравнение упругой оси балки
и выражение
, формулу (1) можно представить в виде:
(2)
3. Определяем экстремальное значение потенциальной энергии из уравнений:
![]()
4. Приравнивая детерминант из коэффициентов при параметрах an нулю, определяем критические силы, число которых равно числу параметров an. Если используется точное выражение ординаты у искривленной оси, то получим точное значение критической силы. В основном критические силы получаются несколько завышенными.
Пример 13.
Определить критическую силу для прямого стержня, находящегося в упругой среде с коэффициентом податливости, равным k (см. рис.).

Решение.
Уравнение криволинейной формы равновесия прямого стержня берем из табл. 2 в виде:
.
Для вычисления
полной потенциальной энергии по формуле (2) предварительно необходимо вычислить
и ![]()
![]()
а затем
и 
Подставляя полученные значения в формулу (2), находим
![]()
Из последнего выражения определяем
,
где m – число полуволн при потере устойчивости. Значение m, при котором Fcr равна минимальному значению, зависит от коэффициента податливости k упругого основания (Н/м2). При малом k можно принять m = 1.
Продолжим
исследование и предположим, что
тогда
откуда![]()
Таким образом,
если
то необходимо
принимать m = 1,
если
, то m > 1.
Пример 14.
Определить значение критической силы при помощи энергетического метода для абсолютно жесткой системы, изображенной на рисунке. Жесткость двух упругих связей – одинакова и обозначена через k.
![]()
![]()
![]()

Решение.
Пусть система потеряла устойчивость и заняла новое положение. Так как стержни – абсолютно жесткие, то они не будут изгибаться, а останутся прямыми. В результате потери устойчивости на упругих опорах возникнут опорные реакции R = ka, где а – вертикальное отклонение концов горизонтального участка системы. На такое же расстояние а переместится в горизонтальном направлении верхний конец системы вместе с критической силой Fcr, а в вертикальном направлении перемещение верхнего конца системы составит
![]()
Кроме того,
имеем, что
откуда
Тогда формула (1)
примет вид:
![]()
Из последнего
выражения определяем ![]()
email: KarimovI@rambler.ru
Адрес: Россия, 450071, г.Уфа, почтовый ящик 21
Теоретическая механика Строительная механика
Прикладная механика Детали машин Теория машин и механизмов