Расчет стержней при внецентренном сжатии-растяжении
Пример
1.
Чугунный короткий стержень сжимается продольной силой F = 600 кН, приложенной в точке В.
Требуется:
1. Определить положение нейтральной линии;
2. Вычислить наибольшие растягивающие и наибольшие сжимающие напряжения.
Решение.


1. Изобразим сечение в масштабе.
2. Определим положение главных центральных осей. Сечение обладает осью симметрии, поэтому ось Y можем показать сразу.
3. Определим положение центра тяжести фигуры (фигура состоит из двух квадратов). Выберем произвольную вспомогательную систему координат.
х1С1Y – вспомогательная система координат;
определим координаты точек С1 и С2 в системе х1С1Y.

Тогда,
![]()
![]()
А1, А2 – площадь первого и второго квадрата соответственно.
А = А1 – А2 – площадь всей фигуры.
А1 = b2 = 2500 см2
![]()
![]()
С (хс = 0; ус = -5,89) – положение центра тяжести во вспомогательной системе координат х1С1Y.
Ось X проводим перпендикулярно оси Y через точку С.
Так как сечение симметричное, то XСY – главная центральная система координат.
4. Определим главные центральные моменты инерции и квадраты главных радиусов сечения.

где а1 = 5,89см – расстояние между осями Х и х1;
а2 = 5,89 + 17,68 = 23,57 – расстояние между осями Х и х2.

![]()
![]()
5. Определим координаты точки В (точки приложения силы) в главной центральной системе координат хсСус.

6. Определим положение нейтральной линии.
,
где хN, уN – координаты точек нейтральной линии.
В данной задаче
![]()
![]()
![]()
Нейтральная
линия проходит через точку (хN=0; уN=11,36) параллельно
оси хс.
7. В данной задаче на стержень действует сжимающая сила, поэтому нормальные напряжения в любой точке поперечного сечения будем определять по формуле

где х, у – это координаты точки, в которой считают напряжения.
8. Наибольшие сжимающие напряжения достигаются в точке В. Эта точка, наиболее удаленная от нейтральной линии в области сжатия.

Наибольшее растягивающие напряжения достигаются в точках К и L yK = уL = 23,57 см.

Ответ:
, ![]()
Пример 2.
Построить ядро сечения.

Решение.
1. Определяем тип контура ядра сечения.
2. Определяем число вершин многоугольника, получившегося внутри контура (то есть число предельных касательных к сечению стержня). 6 предельных касательных - 6 вершин.
3. Определяем положение главных центральных осей. Сечение обладает горизонтальной осью симметрии, поэтому ось «Х» можем показать сразу. ХОY0 – вспомогательная система координат (ось «Y0» проводим произвольно).
Сечение состоит из двух простых фигур (прямоугольника и квадрата). Определим координаты центров тяжести С1 и С2 в произвольной системе координат ХОY0.
- центр тяжести
прямоугольника.
- центр тяжести
квадрата.
- площадь
прямоугольника.
- площадь квадрата.
.
(так как С1 и С2 лежат на оси).
Центр тяжести всего сечения в системе координат ХОY0 имеет координаты С(0,015; 0). (Покажем на чертеже).
Ось Y проводим перпендикулярно оси Y0 через центр тяжести С.
Так как сечение симметричное, то ось симметрии и ось ей перпендикулярная, проходящая через центр тяжести образуют главную центральную систему координат.
X, Y – главные центральные оси сечения.
4. Определяем геометрические характеристики сечения относительно главных центральных осей.
Вычисляем главные центральные моменты инерции Jx и Jy.
![]()
- главные центральные
моменты инерции прямоугольника.
- главные центральные
моменты инерции квадрата.
![]()

(здесь использовали формулы для определения моментов инерции относительно параллельных осей. Осевые моменты инерции плоского сечения относительно произвольных осей х1 и у1, параллельных центральным осям х и у, определяют по формулам
![]()
;
где а, b – расстояния между осями х и х1, у и у1, А – площадь поперечного сечения. принимается, что х, у – центральные оси, то есть оси, проходящие через центр тяжести С плоского сечения).

Вычислим квадраты главных радиусов инерции
![]()
![]()
5. Определяем вершины ядра сечения.
Пусть известно положение нейтральной линии. Требуется определить координаты точки приложения силы.
1. Рассмотрим положение нейтральной линии 1 – 1.
![]()
Используем свойство нейтральной линии. Так как нейтральная линия 1–1 проходит параллельно оси Y, то точка приложения силы Я1 находится на оси X, то есть уF =0.

хN – абсцисса точки нейтральной линии 1 – 1 (расстояние от точки С до нейтральной линии 1 – 1).
2. Рассмотрим положение нейтральной линии 2 – 2.
![]()
Возьмем две точки нейтральной линии 2 – 2 (лучше выбирать точки, где легко можно подсчитать координаты)
В(-0,615; 0,3) и D(-0,015; 0,6)
Подставим координаты точек В и D в уравнение нейтральной линии.
(1)
(2)
Решим систему уравнений (1) – (2)


Из первого
уравнения
![]()
![]()
(3)
Подставим (3) в (2)
![]()
![]()
![]()
![]()
![]()
![]()
3. Рассмотрим положение нейтральной линии 3 – 3.
![]()
Используем свойство нейтральной линии. Так как нейтральная линия 3 – 3 проходит параллельно оси X, то точка приложения силы Я3 находится на оси Y, то есть хF =0.
![]()
уN – ордината точки нейтральной линии 3 – 3 (расстояние от точки С до нейтральной линии 3 – 3).
![]()
4. Рассмотрим положение нейтральной линии 4 – 4.
![]()
Используем свойство нейтральной линии. Так как нейтральная линия 4 – 4 проходит параллельно оси Y, то точка приложения силы Я4 находится на оси X, то есть уF = 0.
![]()
5. Далее воспользуемся симметрией сечения и достроим точки Я5 и Я6 симметрично точкам Я3 и Я2.
Пример 3.
Жесткий
стержень загружен двумя силами – растягивающей и
сжимающей (рис. 1). Стержень выполнен из хрупкого материала с
характеристиками
и
. Сечение стержня симметрично и имеет форму и размеры,
соответствующие рис. 2.
Требуется:
1) найти допускаемую нагрузку на стержень из
условия прочности, если отношение сжимающей и растягивающей сил ![]()
2) построить ядро сечения.

Рис.1
Рис.2
Решение.
Положение главных центральных осей инерции и моменты инерции относительно этих осей заданного сечения найдены ранее (см. раздел «Геометрические характеристики плоских сечений»). Найдем внутренние усилия в произвольном сечении стержня:
![]()
![]()
![]()
Для
определения положения опасных точек построим нейтральную линию. Уравнение
нейтральной линии
в данной задаче имеет вид
![]()
Или
.
Отсюда найдем
отрезки, отсекаемые нейтральной линией на осях
и
. Если
, то
![]()
и, если
, то
![]()
Нейтральная линия показана на рис. 3.

Рис.3
Проведем
касательные к контуру сечения, параллельные нейтральной линии. Опасными
являются точки 1 и 1¢
(см. рис. 3), наиболее отдаленные от нейтральной линии. Для хрупкого
материала более опасной является точка с максимальными растягивающими
напряжениями, т.е. точка 1. Найдем напряжение в этой точке, подставляя в
формулу
координаты точки 1:
![]()
Условие
прочности в точке 1
Или
![]()
Отсюда можно найти допускаемое значение нагрузки (не забывайте правильно подставлять единицы измерения. Множитель перед Fp в данном примере имеет размерность см-2).
В заключение необходимо убедиться в том, что и в точке 1¢, которая в данном примере дальше удалена от нейтральной оси, чем точка 1, и в которой действуют сжимающие напряжения, условие прочности тоже выполняется, т.е.
![]()
Теперь
построим ядро сечения. Поместим полюсы во внешних угловых точках сечения.
Учитывая симметрию сечения, достаточно расположить полюсы в трех точках: 1, 2 и
3 (см. рис. 3). Подставляя в формулы
;
координаты полюсов, найдем отрезки,
отсекаемые нейтральными линиями на осях
и
. Если полюс находится в точке 1, то его координаты
и
![]()
Нейтральная линия 1–1, соответствующая полюсу в точке 1 показана на рис. 3. Аналогично строим нейтральные линии 2–2 и 3–3, соответствующие полюсам 2 и 3. При построении нейтральной линии следите за тем, чтобы она проходила в квадранте, противоположном тому, в котором находится полюс. Область, заштрихованная на рис. 3, является ядром сечения. Для контроля на рис. 3 показан эллипс инерции. Ядро сечения должно находиться внутри эллипса инерции, нигде не пересекая его.
Пример 4.
Стержень несимметричного сечения сжимается силой, приложенной в точке А (рис. 1). Поперечное сечение имеет форму и размеры, показанные на рис. 2. Материал стержня – хрупкий.
Требуется:
1) найти допускаемую нагрузку, удовлетворяющую условию прочности;
2) построить ядро сечения.
Решение.
Прежде всего,
надо определить моменты и радиусы инерции поперечного сечения относительно
главных центральных осей. Эта часть решения задачи приведена в разделе
«Геометрические характеристики плоских сечений». На рис. 1 показаны
главные центральные оси инерции сечения
,
, положение которых найдено ранее. В системе центральных осей
Y, Z (рис.2) координаты точки
приложения силы А
,
. Вычислим координаты точки А в системе главных центральных осей по формулам
.
![]()
![]()

Рис.1
Рис.2
Найденные координаты рекомендуем проверить, измерив эти координаты на рисунке сечения, выполненном в большом масштабе.
Для
определения положения опасных точек построим нейтральную линию, используя
формулы
;
. Радиусы инерции
,
найдены ранее.
![]()
![]()
Отложим эти
отрезки вдоль главных осей и проведем через полученные точки нейтральную линию
(см. рис. 3).

Рис.3
Опасными
точками, т.е. точками, наиболее удаленными от нейтральной оси, будут точки 1 и
3 (см. рис.3). В точке 1 действует наибольшее растягивающее напряжение. Запишем
условие прочности в этой точке, используя формулу
:

Подставим в
условие прочности координаты опасной точки 1 в главных осях, вычислив их по
формулам
или измерив на
рисунке, выполненном в масштабе,
Тогда из условия
прочности в точке 1 можно найти допускаемое значение нагрузки:
.
Для найденного
значения допускаемой нагрузки необходимо убедиться, что условие прочности
выполняется и в точке 3, которая дальше удалена от нейтральной линии и в
которой д ействует сжимающее напряжение. Для
определения напряжения в точке 3 подставим в формулу
координаты этой
точки
![]()

.
Это напряжение
не должно превосходить
. Если условие прочности в точке с максимальными сжимающими
напряжениями выполняться не будет, надо найти значение допускаемой нагрузки
заново из условия прочности в этой точке.
В заключение
построим ядро сечения. Поместим полюсы во внешние угловые точки сечения, т.е. в
точки 1, 2, 3, 4, 5 (см. рис. 3). Точка 4, находящаяся на контуре
квадранта круга, получена следующим образом. Отсекая внутреннюю угловую точку
, проводим линию, касательную к контуру сечения (пунктир на
рис. 3). Точка 4 является точкой касания этой линией квадранта круга.
Последовательно находим положение нейтральных линий, соответствующих полюсам в
указанных точках, находя отрезки, отсекаемые нейтральными линиями на осях
,
, по формулам
;
. Например,
если полюс находится в точке 1, то, подставляя в
;
координаты точки 1 (
), найдем
![]()
Поскольку
существенно больше
, то это значит, что нейтральная линия 1–1 практически
параллельна оси
. Отрезок
откладываем в масштабе
вдоль оси
и проводим прямую 1–1,
параллельную оси
(см. рис. 3). Аналогично строим нейтральные линии,
соответствующие полюсам, расположенным в других точках. Ядро сечения
(заштрихованная область) показано на рис. 3. Отметим, что контур ядра
сечения между нейтральными линиями 4–4 и 5–5 очерчен по кривой, т.к. переход
полюса из точки 4 в точку 5 происходит не по прямой линии. На рис. 3
показан также эллипс инерции сечения, построенный ранее.
Пример 5.
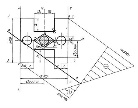
На брус заданного поперечного сечения в точке D верхнего торца действует продольная сжимающая сила Р=300 кН (см. рис.). Требуется найти положение нулевой линии, определить наибольшие (растягивающие и сжимающие) напряжения и построить ядро сечения.
Решение:
1. Нахождение положения главных
центральных осей инерции и определение площади поперечного сечения
Так как поперечное сечение бруса (рис.1) имеет две оси симметрии, а они всегда проходят через центр тяжести сечения и являются главными, то главные центральные оси сечения хс и ус будут совпадать с этими осями симметрии.

Центр тяжести сечения С в этом случае определять не надо, так как он совпадает с геометрическим центром сечения.
Площадь поперечного сечения бруса равна:

2. Определение главных центральных
моментов инерции и главных радиусов инерции
Моменты инерции определяем по формулам:


Вычисляем квадраты главных радиусов инерции:

3. Определение положения нулевой линии
Отрезки, отсекаемые нулевой линией на главных центральных осях инерции, определяем по формулам:


где хр=2,3 см и ур=2 см –
координаты точки приложения силы Р (точка Р рис.11). Отложив отрезки
и
соответственно на осях
хс и ус и проводя через их концы прямую,
получим нулевую линию сечения, на которой нормальные напряжения равны нулю (
). На рис.1 эта линия обозначена n-n.
4. Определение наибольших сжимающих и
растягивающих напряжений и построение эпюры напряжений
Точка D, координаты которой хD=5,25 см и уD=5 см, наиболее удалена от нулевой линии в сжатой зоне
сечения, поэтому наибольшие сжимающие напряжения возникают в ней и определяются
по формуле

Наибольшие растягивающие напряжения возникают в точке К, имеющей координаты хк= ‑5,25 см, ук= ‑5 см.

По полученным
значениям
и
строим эпюру
нормальных напряжений (см. рис.11).
5.
Построение ядра сечения
Для построения ядра сечения, учитывая, что сечение симметричное, рассмотрим два положения касательной к контуру сечения I-I и II-II (см. рис.1).
Отрезки, отсекаемые
касательной I-I на осях координат,
равны: ![]()
Координаты граничной точки 1 ядра сечения определяются по формулам:


Касательная II-II отсекает
отрезки
=5,25 см,
=¥.
Координаты граничной точки 2:


Координаты граничных точек второй половины ядра сечения можно не определять, так как сечение бруса симметричное. Учитывая это для касательных III-III и IV-IV, координаты граничных точек 3 и 4 будут:
= 0;
= 15,2×10-3
м;
= 23,0×10-3 м
= 0.
Соединив последовательно точки 1, 2, 3 и 4 прямыми получим ядро сечения (рис.1).
Пример 6.
В сечении,
указанном на рисунке и принадлежащем внецентренно
сжатой колонне, определить наиболее опасные точки и напряжения в них. Сжимающая
сила F = 200 кН = 20 т приложена в точке A.

Решение.
Так как оси X и Y являются осями симметрии, то они главные
центральные оси.
Наиболее
опасными точками будут точки, в которых возникают максимальные
нормальные напряжения, а это точки, наиболее удаленные от нулевой линии.
Следовательно, нам необходимо сначала
определить положение нулевой линии. Записываем уравнение нулевой линии.
В нашем случае
координаты точки приложения силы следующие (см. рис.):
= – 90 мм = – 0,09 м;
= – 60 мм = – 0,06 м.
Квадраты
радиусов инерции
и
определяются так:
,
,
здесь
и
-
осевые моменты инерции относительно главных центральных осей X и Y.
Определение
осевых моментов инерции. Для нашего сечения будем иметь:
м4;
м4.
Площадь всего
сечения будет равна:
м2,
и тогда
квадраты радиусов инерции:
м2;
м2.
По формулам
определим отрезки, которые нулевая линия отсекает на осях X и Y:
м;
м.
Отложим эти
отрезки на координатных осях, получим точки, в которых нулевая линия пересекает
координатные оси. Через эти точки проводим прямую (см.
рис.). Видим, что наиболее удаленные точки - это точка B в зоне отрицательных
напряжений и точка D в
зоне положительных напряжений.
Определим
напряжения в этих точках:
;
На основании
чертежа (см. рис.) получим:
= – 0,12 м;
= – 0,03 м.
Тогда
![]()
= –5,39×104
кН/м2 = – 53,9 МПа.
;
= 0,12 м;
= 0,03 м.
![]()
= 1,86×104 кН/м2 = 18,6 МПа.
Пример 7.
Чугунный короткий стержень, поперечное сечение которого изображено на рисунке, сжимается
продольной силой F, приложенной в
точке А.
Требуется:
1) вычислить наибольшее растягивающее и
наибольшее сжимающее напряжения в поперечном сечении, выразив величины этих
напряжений через F и размеры сечения;
а = 40 мм, b = 60 мм;
2) найти допускаемую нагрузку F при заданных размерах сечения и допускаемых
напряжениях для чугуна на сжатие
= 100 МПа и на растяжение
= 30 МПа.

Решение.
Выше указывалось, что геометрические
характеристики в расчетных
формулах берутся относительно
главных центральных осей, поэтому определим центр тяжести сечения. Ось X является осью симметрии, и
следовательно, она проходит через центр тяжести, поэтому нам достаточно найти его местоположение на этой
оси. Разобьем сечение
на два составных (1 и 2) и
выберем вспомогательные оси
. Запишем координаты центров
тяжести С1
и С2 в этих осях.
Будем иметь С1 (0,0); С2(0,04;
0), тогда:
м;
= 0.
Итак, в осях
xy1 центр тяжести всего сечения имеет координаты С (0,0133; 0). Проводим через центр
тяжести сечения ось Y, перпендикулярную
оси X. Оси X и Y и будут главными центральными осями сечения.
Определим положение нулевой линии.
,
.
Координаты
точки приложения силы (точки А) будут
следующие:
=(0,02–0,0133)+0,04 =0,0467 м;
= 0,06 м;
Квадраты
радиусов инерции определим по формулам:
,
.
м4,
![]()
м4,
где
= 0,0133 м;
м2.
м2,
м2;
и получим
отрезки, отсекаемые нейтральной осью на главных осях инерции X и Y
соответственно:
Откладываем
на оси X, а
на оси Y и проводим через полученные
точки нулевую линию (см. рис.). Видим, что наиболее удаленные точки сечения от
нулевой линии -
это точка А
в сжатой зоне и точка В в растянутой зоне. Координаты этих точек следующие: А (0,0467; 0,06); В (– 0,0333; –0,12). Определим напряжения в этих точках, выразив их
через F.

Напряжение в
точке А не
должно превышать допускаемое напряжение на сжатие
, а напряжение в точке В
не должно превышать допускаемое напряжение на растяжение
, т.е. должны выполняться условия:
,
,
или
(а),
(б).
Из (а):
из (б):
Чтобы одновременно удовлетворить условие
прочности и в растянутой, и в сжатой зонах колонны, мы должны взять в качестве
допускаемой нагрузки меньшую из двух полученных, т.е.
= 103 кН.
Пример 8.
Чугунный короткий стержень прямоугольного поперечного
сечения, изображенный на рисунке, сжимается продольной силой F, приложенной в точке
А.
Требуется:
1) вычислить
наибольшее растягивающее и наибольшее сжимающее напряжения в поперечном
сечении, выразив величины этих напряжений через F и размеры
сечения;
2) найти
допускаемую нагрузку F при
заданных размерах сечения и допускаемых напряжениях для чугуна на сжатие
и на растяжение
.
Решение.
Определим
положение нулевой линии. Для этого воспользуемся формулами
![]()
Координаты
точки приложения силы (точки А) будут следующими:
![]()
Квадраты
радиусов инерции определим по формулам:

Определяем
отрезки, которые нулевая линия отсекает на осях х и у.

Откладываем на
оси х – х0,
а на оси у – у0 и проводим через полученные точки нулевую линию n – n (см. рис.).
Видим, что наиболее удаленные точки сечения - это точка А
в сжатой области и точка В в растянутой области.
Координаты этих точек следующие: А (0,04; 0,06), В (–0,04; –0,06). Определим
величину напряжения в этих точках, выразив их через силу F:
![]()
Напряжение в
точке А не должно превышать допускаемое напряжение на
сжатие
, а напряжение в точке В не должно превышать допускаемое
напряжение на растяжение
, т.е. должно выполняться условие
,
или
, ![]()
Из первого
выражения величина F
Принимается
нагрузка наименьшая из двух найденных, т.е.
= 567кн.
Пример 9.
Короткий
чугунный стержень с поперечным сечением, изображенным на
рис. а, сжимается продольной силой P, приложенной в точке A. Определить наибольшее
растягивающее и наибольшее сжимающее напряжения в поперечном сечении стержня,
выразив их через силу P и размеры сечения
см,
см. Найти допускаемую
нагрузку
при заданных допускаемых
напряжениях для материала на сжатие
кН/см2 и на растяжение
кН/см2.
![]()
![]()
![]()
![]()

Решение.
Действующая на
стержень сила P помимо сжатия осуществляет изгиб
стержня относительно главных центральных осей x и y. Изгибающие моменты соответственно равны:
,
где
см
и
см – координаты точки
приложения силы P
(координаты точки A).
Нормальные
напряжения в некоторой точке с координатами x и y любого поперечного
сечения стержня определяются по формуле
,
где F – площадь, а
и
– радиусы инерции
поперечного сечения.
1. Определяем
геометрические характеристики поперечного сечения стержня.
Площадь
поперечного сечения стержня равна:
.
Главные
центральные моменты инерции определяем следующим образом.
Вычисляя
момент инерции всего сечения
относительно оси x, разобьем всю фигуру на один
прямоугольник с шириной
и высотой
и два прямоугольника с
шириной
и высотой
, чтобы ось x была
для всех этих трех фигур центральной. Тогда
.
Для вычисления
момента инерции всего сечения
относительно оси y разобьем всю фигуру несколько
иначе: один прямоугольник с шириной
и высотой
и два прямоугольника с
шириной
и высотой
, чтобы теперь уже ось y была
для всех этих трех фигур центральной. Получим
.
Квадраты
радиусов инерции равны:
;
.
2. Определяем
положение нулевой линии.
Отрезки
и
, отсекаемые нулевой линией от осей координат, равны:
см;
см.
Показываем
нулевую линию N – N на рис. б. Нулевая линия делит поперечное
сечение на две области, одна из которых испытывает растяжение, а другая –
сжатие. На рисунке 1, б растянутая область поперечного сечения
стержня нами заштрихована.
3. Вычисляем
наибольшее растягивающее напряжение.
Оно возникает
в точках 6 и 7, то есть в точках, наиболее удаленных от нулевой линии. Значение
этого напряжения, вычисленное, например, для точки 6 равно:
.
4. Вычисляем
наибольшее сжимающее напряжение.
Оно возникает
в точках 2 и 3, также наиболее удаленных от нулевой линии. Значение этого
напряжения, вычисленное, например, для точки 2, равно:
.
5. Определяем
допускаемую нагрузку из условия прочности на растяжение:
кН/см2;
кН.
6. Определяем допускаемую нагрузку из условия
прочности на сжатие:
кН/см2;
кН.
7. Допускаемая
нагрузка равна меньшему из двух найденных в п. 6 и 7
значений:
кН.
Пример 10.
Короткая
колонна, поперечное сечение которой изображено на рис.1, сжимается продольной
силой F=200 кН, приложенной
в точке К. Размеры сечения а=40
см, b=16 см. Расчетное сопротивление материала на
растяжение Rt = 3 МПа, на сжатие Rс = 30 МПа.
Требуется:
1. Найти
положение нулевой линии.
2. Вычислить
наибольшие сжимающие и растягивающие напряжения и построить эпюру напряжений.
Дать заключение о прочности колонны.
3. Определить
расчетную несущую способность (расчетную нагрузку) Fmax при заданных размерах сечения.
4. Построить ядро сечения.

Рис.1
Решение.
1. Определение координат центра тяжести
сечения.
Поперечное
сечение колонны имеет ось симметрии Хс, следовательно центр
тяжести лежит на этой оси и для отыскания координаты хс относительно
вспомогательной оси Yo (см. рис.1)
сложное сечение разбиваем на три прямоугольника
![]()
2. Геометрические характеристики сечения.
Для вычисления
главных центральных моментов инерции воспользуемся зависимостью между моментами
инерции при параллельном переносе осей.
,

Определяем
квадраты радиусов инерции
![]()
![]()
Координаты
точки приложения силы F
![]()
3. Положение нулевой линии


По найденным отрезкам, отсекаемым на осях координат проводим нулевую
линию (см. рис. 2).
4. Определение наибольших сжимающих и
растягивающих напряжений. Эпюра
.
Наиболее
удаленные от нулевой линии точки: В (-60;
16) и D (60; -32). Напряжения
в этих опасных точках с координатами хdan, уdan не должны превосходить соответствующего расчетного
сопротивления
.
Растягивающее
напряжение

.
Сжимающее
напряжение

.
Прочность
колонны обеспечена.
По результатам расчета напряжений
и
на рис. 2 построена
эпюра
.
5. Вычисление расчетной несущей способности
колонны Fmax.
Поскольку при
заданном значении сжимающей силы прочность материала колонны существенно
недоиспользована, найдем максимальное значение внешней нагрузки, приравнивая
наибольшие напряжения st и sc расчётным сопротивлениям.


Окончательно
выбираем меньше значение Fmax=425,8 кН, обеспечивающее прочность как растянутой, так и сжатой зон сечения.

Рис.2
6. Построение ядра сечения.
Чтобы получить
очертание ядра сечения, необходимо рассмотреть все возможные положения
касательных к контуру сечения и, предполагая, что эти касательные являются
нулевыми линиями, вычислить координаты граничных точек ядра относительно
главных центральных осей сечения. Соединяя затем эти точки, получим очертание
ядра сечения.
Касательная
1-1: yo =
.
Касательная
2-2:
,
.
Касательная
3-3:
,
.
Касательная
4-4:
;
;
;
;
;
;
;
.
Касательная
5-5:
;
.
Касательная
6-6:
;
;
;
.
Пример 11.
В точке P колонны прямоугольного сечения приложена сжимающая сила P (см. рис.). Определить максимальное
и минимальное нормальные напряжения.

Решение.
Нормальное
напряжение при внецентренном сжатии определяем по формуле:
В нашей задаче
![]()
Момент инерции
, площадь
,
Следовательно 
На нейтральной
линии
. Поэтому ее уравнение
![]()
Наиболее
удаленными точками от нейтральной оси являются точки A и B:
в точке A
и
![]()
в точке B
и
![]()
Если материал
сопротивляется растяжению и сжатию различно, то следует составить два уравнения
прочности:

Пример 12.
Найти допускаемую нагрузку для бруса, показанного на рисунке, если расчетные сопротивления материала бруса на растяжение и сжатие равны Radm,t = 20 МПа; Radm,с = 100 МПа.

Решение. Запишем условие прочности для наиболее напряженных точек любого сечения бруса, так как все сечения равноопасны:
![]()
![]()
Перепишем эти условия, учитывая, что
и
, тогда
и 
Отсюда определяем значения допустимых нагрузок:

Окончательно в
качестве допустимой внешней нагрузки принимаем Fadm
= 64 кН.
Пример 13.
Построить эпюру нормальных напряжений и определить положение нейтральной линии в прямоугольном поперечном сечении короткого столба, нагруженного вертикальной сосредоточенной силой F, приложенной так, как показано на рис. 1.

Решение.
Эксцентриситеты силы F будут равны:
![]()
Произведя приведение
силы к центру, получим
![]()
Схема загружения поперечного сечения показана на рис. 2. Нормальные напряжения в угловых точках 1, 2, 3 и 4 (рис. 3), для которых y = ymax и z = zmax, подсчитывают по формуле

причем знаки слагаемых устанавливают в зависимости от того, растяжение или сжатие вызывает в данной точке соответствующий силовой фактор:
![]()
![]()
![]()
Эпюра напряжений в поперечном сечении изображена на рис. 3.
![]()

Для
определения положения нейтральной линии воспользуемся формулами
:

Нейтральная линия показана на рис.4. Она отсекает отрезки в четвертой четверти координатной системы, показанной на рис.4.
Пример 14.
На рисунке изображено поперечное сечение бруса и показаны центры тяжести четырех простых элементов, составляющих это поперечное сечение. Требуется построить ядро сечения для заданного поперечного сечения.
![]()
![]()
![]()
![]()
![]()
![]()
![]()
![]()
![]()
![]()
![]()
![]()
![]()

Решение.
Найдем положение центра тяжести всего поперечного сечения. Главная ось у совпадает с осью симметрии сечения. Вычислим площади четырех простых элементов:
А1 =
0,6·1,4/2 = 0,42 м2; А2 = 0,5·1,4 = 0,7 м2; А3 = 0,8·0,6 = 0,48 м2; А4
=
0,32/2 = 0,1413 м2.
Площадь всего поперечного сечения будет А = А1+А2+А3+А4 = 1,74 м2.
Положение
главной оси z относительно случайной оси z/ находим по
формуле
:
![]()
Определим главные моменты инерции относительно осей у и z:
![]()
![]()
![]()
Вычисляем квадраты радиусов инерции поперечного сечения:
; ![]()
Нейтральная линия проходит через точки с координатами z = 0, у = bо и z = ао, у = 0, которые можно вычислить при помощи формул:
(а)
Если внешняя
сила приложена в пределах ядра сечения, то во всем сечении будут нормальные
напряжения одного знака. Предположим, что нулевая линия проходит через точки 1 и 2
поперечного сечения, следовательно, bo = 1,016 м;
= 0,7/0,6; ао
= bo
= 1,016·0,7/0,6 = 1,185 м.
Из формул (а) находим эксцентриситеты точки приложения сосредоточенной силы
![]()
![]()
Откладываем эти координаты на рисунке и находим точку О1-2. Таким образом, если приложить силу в точке О1-2, то нулевая линия будет проходить через сторону 1 – 2 поперечного сечения. Следовательно, во всем сечении будут нормальные напряжения одного знака.
Теперь
предположим, что нулевая линия проходит через точки 2 и 3 поперечного
сечения. В этом случае ао =
0,7 м; bo =
, а формулы (а)
дают
![]()
По этим координатам строим точку О2-3 (см. рис.).
Далее предположим, что нулевая линия проходит через точки 3 и 4, причем в точке 4 она является касательной линией к круговому контуру поперечного сечения. Значения ао и bo в этом случае можно вычислить теоретически, но это будет довольно сложной операцией, поэтому ограничимся непосредственным измерением ао и bo на рисунке, т.е. определим их графически: ао = 0,74 м, а bo = –1,62 м. Тогда
![]()
По этим
координатам строим точку О3-4.
Проводим
нулевую линию через точку 5 параллельно
оси z, тогда ao =
, bo = –yC = –1,184 м. По формулам (а) находим координаты точки О5,
где по предположению должна быть приложена сила внецентренного сжатия или
растяжения,
![]()
Наконец,
проводим нулевую линию через точку 1
параллельно оси z. В этом случае bo = 1,016 м; ао
=
. Точка О1 – точка приложения силы – будет иметь
координаты:
![]()
Точки О1, О1-2, О2-3, О3-4 соединяем прямыми линиями, а точки О3-4 и О5 – выпуклой кривой линией. Учитывая симметрию поперечного сечения, продолжаем построения дальше. Внутренняя область, ограниченная построенной линией, будет являться ядром заданного поперечного сечения.
Пример 15.
На брус заданного поперечного сечения (a = 1,05 м, b = 1 м, с = 0,15 м, d = 0,2 м) в точке D верхнего торца действует продольная сила Р = 150 кН (рис.1).
Требуется:
1. Найти положение нулевой линии;
2. Определить наибольшие (растягивающие и сжимающие) напряжения;
3. Построить ядро сечения.

Рис.1
Решение:
1. Найти положение нулевой линии.
1.1. Нахождение положения главных центральных осей. Так как поперечное сечение бруса (рис. 1) имеет две оси симметрии xС и yС , то они и будут главными центральными осями инерции. Площадь поперечного сечения бруса равна:

м2.
1.2. Определение главных центральных моментов инерции и главных радиусов инерции. Моменты инерции определяем по формулам:

;


.
Вычисляем квадраты главных радиусов инерции:
м2;
м2 .
1.3. Определение положения нулевой линии. Отрезки, отсекаемые нулевой линией на главных центральных осях инерции, определяем по формулам:
м;
м,
где xP = 0,525 м и
yP = 0,5 м - координаты
точки приложения силы Р
(точка D на рис. 1). Отложив
отрезки
и
, соответственно, на осях xC и yC ,
и проведя через их концы прямую, получим нулевую линию сечения, т.е.
геометрическое место точек, где
нормальные напряжения равны нулю (
). На рис. 1 эта линия обозначена n-n.
2. Определить наибольшие (растягивающие и сжимающие) напряжения. Точка D, координаты которой xD = 0,525 м и yD = 0,5 м , наиболее удалена от нулевой линии в сжатой зоне сечения, поэтому наибольшие сжимающие напряжения возникают в ней и определяются по формуле:
.
Наибольшие растягивающие напряжения возникают в точке К, имеющей координаты xK = -0,525 м и yK = -0,5 м :
.
По полученным
значениям
и
строим эпюру
нормальных напряжений (рис. 1).
3. Построить ядро сечения. Для построения ядра симметричного сечения рассмотрим два положения касательной к контуру сечения I-I и II-II (рис. 1). Отрезки, отсекаемые касательной I-I на осях координат, равны:
;
= 0,5 м.
Координаты граничной точки I ядра сечения определяются по формулам:
м.
Касательная
II-II
отсекает отрезки
= 0,525 м,
.
Соответственно, координаты граничной точки 2:
.
Координаты граничных точек второй половины ядра сечения можно не определять, т.к. сечение бруса симметричное. Учитывая это, для касательных III-III, IV-IV координаты граничных точек 3 и 4 будут:
;
.
Соединив последовательно точки 1, 2, 3 и 4 прямыми, получим ядро рассматриваемого сечения (рис. 1).
email: KarimovI@rambler.ru
Адрес: Россия, 450071, г.Уфа, почтовый ящик 21
Теоретическая механика Строительная механика
Прикладная механика Детали машин Теория машин и механизмов